Las pilas y baterías de NiCad (níquel-cadmio) se vuelven cada vez más populares e incluso el alto costo de la inversión en la compra de un juego es compensador si consideramos que en uso normal se pueden recargar hasta 1000 veces. En este artículo describimos el punto crítico para quien desea adquirir estas pilas: el cargador.
Las pilas de NiCad y las baterías, presentan enormes ventajas en relación con las pilas comunes, sobre todo si el lector posee muchos aparatos electrónicos o juguetes que consumen muchos juegos de pilas comunes que no cuestan barato.
Invirtiendo un poco más en un juego de pilas o batería de NiCad, el dinero gastado puede en poco tiempo ser recuperado por la posibilidad casi ilimitada, que estas ofrecen.
De hecho, las pilas y las baterías de NiCad poseen una capacidad de corriente mayor que las pilas y baterías comunes y su recarga se puede hacer simplemente haciendo circular una corriente en sentido contrario a la que proporciona normalmente.
Una recarga dura en promedio de 12 a 16 horas y la durabilidad de la pila en la alimentación de equipos normales comunes es mayor que la de las pilas comunes e incluso alcalinas.
El único factor a considerar es que estas pilas suministran 1,2 V y no 1,5 V lo que puede en algunos casos afectar ligeramente el funcionamiento de un aparato.
Sin embargo, radios, juguetes, dispositivos con pequeños motores, no sentir la diferencia.
Para las baterías de 9 V la tensión en realidad es de 7,2 V existiendo entretanto tipos de 8,4 V (con una célula de 1,2 V a más).
El cargador que describimos en este artículo limita la corriente a valores seguros indicados por los fabricantes de estas pilas y que posibilitan una mayor durabilidad en condiciones normales.
Las cargas rápidas con mayor corriente no son recomendadas por poner en riesgo la integridad de las pilas y baterías e incluso reducir su vida útil.
CARACTERÍSTICAS
Tensión de entrada: 110/220 V
Corriente de carga:
Pilas pequeñas - 50 mA
Baterías medias - 70 mA
Pilas grandes - 100 mA
Batería de 9 V - 11 mA
Los valores varían ligeramente, y dependen de la carga inicial que la pila se haya colocado en el aparato.
Tiempo de carga: 12 a 16 horas (completa)
COMO FUNCIONA
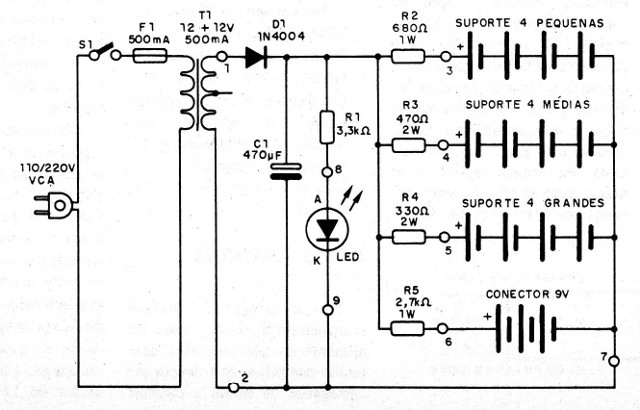
Nuestro proyecto consiste simplemente en una fuente de alimentación que aplica una tensión en las pilas que deben ser cargadas para circular una corriente en el sentido opuesto a lo normal, como sugiere la figura 1.

Dependiendo de las pilas que vamos a cargar tenemos que poner en serie con el circuito un resistor limitador de corriente.
Los valores indicados en el circuito permiten que la corriente circulante en el conjunto de pilas parta del valor máximo indicado por el fabricante cuando las pilas se encuentran completamente descargadas.
Sin embargo, esta corriente cae algo alrededor del 20% después de que las pilas adquieren cierta carga, obteniéndose entonces una carga más suave que garantiza la integridad de esas pilas o batería.
Como el circuito no utiliza fuente de corriente constante, el valor para esta intensidad viene sólo de la diferencia de valores entre la tensión de la fuente y la tensión de los elementos en carga.
Utilizando un transformador de 12 + 12 V obtenemos cerca de 33 V lo que garantiza una buena constancia de la tensión de carga incluso cuando las pilas en conjunto salen de un estado de 0 V para un máximo de 4,8 V en carga total.
El LED sólo sirve para indicar que el cargador está en uso. Un problema que puede ocurrir durante la recarga es el mal contacto de las pilas en el soporte que impide la circulación de la corriente.
Una monitorización mejor de esta carga puede ser obtenida conectando en paralelo con cada resistor limitador, un LED y una resistencia como muestra la figura 2.

Este LED sólo se enciende si las pilas realmente se están desplazando por la corriente de carga, quedando apagadas si hay mal contacto de las pilas en su soporte.
MONTAJE
En la figura 3 tenemos el diagrama completo del aparato.

La disposición de los componentes en una placa de circuito impreso se muestra en la figura 4.

Como se trata de montaje no crítico y con pocos componentes el montaje también puede ser realizado en un puente de terminales y el conjunto alojado en una caja.
Para encajar las pilas en carga usamos soportes apropiados y para batería un conector debiendo observarse su polaridad en la conexión. El transformador debe tener bobinado primario de acuerdo con la red local y secundaria de 12 + 12 V (o 24 V) con corriente de 250 a 500 mA.
El diodo puede ser el 1N4004 o equivalentes y el electrolítico debe tener una tensión de trabajo de al menos 45 V.
Los resistores pueden ser de alambre de carbono según la disipación y el LED es rojo común.
USO
Para usar basta con colocar las pilas en recarga (todos los soportes se pueden utilizar al mismo tiempo). Conecte la unidad y espere al menos unas 6 horas para una recarga parcial.
Para una recarga completa espere de 12 a 16 horas.
Una comprobación de que se está recargando, si no se utiliza el LED indicador en paralelo con cada resistor es el ligero calentamiento de las resistencias correspondientes.
Si alguna pila no admite recarga esto puede significar un problema con la misma.
Un intento de recuperación se puede hacer de la siguiente manera: aplique una tensión de recarga con la pila invertida durante unos minutos y luego vuelva a volver a cargarla en posición normal.
Este procedimiento sólo puede dar lugar a las pilas que tienen problemas. Si esto no resuelve la pila se debe tirar fuera.
Semiconductores:
D1 - 1N4004 o equivalente - diodo de silicio
LED - LED rojo común
Resistores:
R1 - 3,3 k ohms x 1 W
R2 - 680 ohms x 1 W
R3 - 470 ohms x 2 W
R4 - 330 ohms x 2 W
R5 - 2,7 ohms x 1 W
Capacitores:
C1 - 470 uF x 45 V
Varios:
S1 - interruptor simple
F1 - 500 mA - fusible
T1 - 12 + 12 V x 250 a 500 mA - transformador con primario de acuerdo con la red local.
Caja para montaje, soporte para pilas pequeñas, medianas y grandes, conector de batería, cable de alimentación, cables, soldadura, etc.



