El apagado de un aparato después de un cierto intervalo de tiempo es algo que muchos lectores desear hacer de manera automática. Con la minuteria aquí descrita, eso es posible. El circuito desconecta la carga ya sí mismo después de un intervalo de tiempo de hasta una hora, ajustado en un potenciómetro. Con él, usted puede apagar el televisor automáticamente, aunque duerma, ahorrando energía y no molestar más a los vecinos.
Las minuterias son muy útiles en muchas aplicaciones domésticas, en el laboratorio e incluso en escuelas en la realización de experimentos.
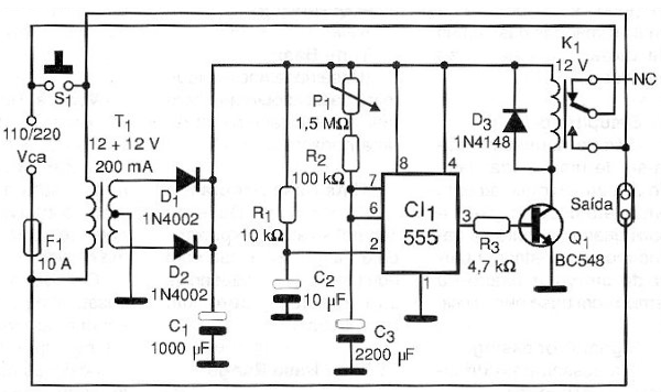
El circuito que describimos aquí es el que hay de más básico en este tipo de aplicación: un temporizador con el famoso 555 que apaga una carga ya sí mismo después de un intervalo de tiempo.
La carga depende sólo del relé utilizado y el tiempo máximo está determinado por las fugas del capacitor electrolítico usado, normalmente limitado a algo alrededor de 1 hora.
Entre las aplicaciones posibles para este circuito, sugerimos las siguientes:
* Desconectar los televisores y los aparatos de modo automático, si el reproductor tiene la costumbre de dormir con estos aparatos conectados.
* Desconectar automáticamente calentadores y fogones eléctricos después de un tiempo ajustado, evitando la quema del alimento.
* Desconectar automáticamente los sistemas de baño de luz para revelar fotografías u otros procesos químicos.
* Eliminar automáticamente las luces de los balcones, los jardines o los pasillos después del accionamiento.
Otras aplicaciones pueden ser fácilmente imaginadas por el lector, principalmente las que involucran máquinas industriales y automatismos. Incluso circuitos de robótica y mecatrónica pueden utilizar este sistema de apagado automático en algún proceso.
COMO FUNCIONA
El circuito utiliza el componente más apropiado para la realización de un temporizador: el temporizador integrado 555.
En la configuración monoestable, cuando la entrada de disparo que corresponde al pin 2 es puesta a tierra por un momento, la salida, que corresponde al pin 3, va al nivel alto.
Para aterrizar la entrada 2 provocando el disparo y por lo tanto el inicio de la temporización, usamos un artificio interesante: cuando la alimentación es establecida por el presionar de S1 que conecta la unidad, el circuito encuentra el capacitor C2 descargado y por lo tanto con una tensión nula en sus terminales . Esto equivale a aterrizar por un instante el pin 2, disparando el 555, ya que en una fracción de segundo se carga por el resistor de 10 k.
Con el circuito disparado, la salida en el nivel alto satura el relé que cierra sus contactos. En estas condiciones, aunque el interruptor S1 sea suelto, los contactos del relé aseguran que la carga continúe recibiendo la alimentación.
El relé permanecerá cerrado por el tiempo en que la salida del 555 se encuentre en el nivel alto. Esto depende tanto del ajuste de P1 como del valor del capacitor C3.
Por razones prácticas que ya citamos, el capacitor no puede ser mayor que 2 200 ?F y el potenciómetro mayor que unos 2,2 M o que limita el tiempo de accionamiento a aproximadamente 4 800 segundos resultando en algo alrededor de 1 hora y media .
En la práctica, no se recomienda llegar a tanto, pues el circuito tiende a instabilizar. Sin embargo, el lector puede tener la suerte de usar un condensador realmente de buena calidad con pocas fugas, y eso no viene a ocurrir.
La precisión de la temporización depende únicamente del ajuste del circuito. Utilizando un cronómetro o reloj común es posible establecer una escala con buena precisión para el potenciómetro.
Cuando la temporización termina, la salida del 555 va al nivel bajo y con ello el transistor corta la alimentación del relé, que abre sus contactos.
El resultado de esto es que tanto la carga y el propio circuito dejan de recibir la alimentación, apagando.
Para una nueva temporización es necesario apretar de nuevo por un instante el interruptor S1. Puede ser necesario esperar unos segundos para que C2 se descargue. Si esto demora mucho, podemos conectar en paralelo con este capacitor un resistor de 47 k (no menor).
La carga controlada depende sólo de la capacidad de los contactos del relé. Los tipos comunes con corrientes entre 6 y 10 amperios sirven para controlar la mayoría de los electrodomésticos comunes, excepto los de potencia alta, como calentadores de ambiente y aparatos de aire acondicionado.
MONTAJE
En la figura 1 tenemos el diagrama completo de la minuteria.

En la figura 2 tenemos el montaje completo, incluyendo la disposición de los componentes en una placa de circuito impreso.

El diseño de esta placa se realiza para un relé del tipo DIL, pero si el lector utiliza otro tipo, lo que es perfectamente posible, deberá verificar si la disposición de los terminales necesita ser alterada.
Cualquier relé común de 12 V con corriente de accionamiento de hasta 50 mA servirá para este proyecto.
El transformador de entrada tiene devanado primario de acuerdo con la red de energía y secundaria de 12 + 12 V con una corriente de al menos 250 mA.
Observe que, a pesar de obtener una tensión mayor después de la rectificación y filtración, los relés usados normalmente admite tensiones un poco por encima de las nominales en funcionamiento, sin que ello les ponga en peligro.
Los demás componentes poseen las especificaciones mínimas de tensión, tolerancia y disipación dadas en la lista de material.
En el montaje, llamamos la atención del lector a dos puntos importantes:
El primero, es que el aparato funciona encendido en la red de energía, y por lo tanto sujeto a tensiones peligrosas que pueden causar choques y cortos. Por lo tanto, se debe tomar el máximo cuidado con los aislamientos.
Recomendamos que la caja usada no sea de metal para reducir la probabilidad de que algún punto vivo se apoya en ella.
El segundo, es que los hilos que van a conducir las corrientes principales más intensas tengan espesores compatibles con la función.
Un fusible de protección en la entrada es importante para garantizar la integridad del aparato y de la propia red de energía en caso de corto.
También sugerimos al lector que, si lo desea, conecte un LED en serie con un resistor de 2,2 k en la salida de los diodos rectificadores de la fuente, para tener una indicación visual del funcionamiento, si esto es importante en su aplicación.
PRUEBA Y USO
Para probar el aparato, basta con conectarlo a la red de alimentación y en la salida una carga que pueda monitorearse fácilmente, por ejemplo, una lámpara común de 5 a 100 W (una lámpara, por ejemplo).
Ajuste inicialmente P1 para la posición de menor resistencia (menor temporización), y apriete por un instante S1.
El relé debe atracar con la alimentación de las lámparas, que se encender. Incluso soltando S1, la lámpara debe permanecer encendida. Después de algún tiempo, que depende del ajuste de P1, la lámpara se apagará.
Constatado el funcionamiento del aparato, es sólo usarlo.
Para ello, basta con conectarlo a la red de energía y, en su salida, la carga que va a ser controlada. Se ajusta el tiempo deseado y se aprieta por un instante S1.
Vea que P1 siempre debe ajustarse antes de apretar S1.
Para rearmar y obtener nueva temporización es conveniente esperar un poco para que el capacitor C3 se descargue completamente.
Para que esto se haga de forma instantánea, se puede incluir un interruptor de descarga en paralelo con este componente.
Nunca utilice el aparato con una carga de potencia mayor que la soportada por los contactos del relé.
Semiconductores:
CI1 - 555 - circuito integrado, temporizador
Q1 - BC548 o equivalente - transistores NPN de uso general
D1, D2 - 1N4002 o equivalentes - diodos rectificadores
D3 - 1N4148 o equivalente - diodo de uso general
Resistores: (1/8 W, 5%)
R1 - 10 k
R2 - 100 k
R3 - 4,7 k
P1 - 1,5 o 2,2 M - potenciómetro
Capacitores:
C1 - 1 000 ?F / 25 V - electrolítico
C2 - 10 ?F / 25 V - electrolítico
C3 - 2 200 ?F / 16 V - electrolítico
Varios:
T1 - Transformador con primario según la red local y secundaria de 12 + 12 V con corriente a partir de 200 mA - ver texto
K1 - relé de 12 V x 50 mA - ver texto
S1 - Interruptor de presión NA (normalmente abierto)
F1 - 10 A - fusible
Placa de circuito impreso, caja para montaje, cable de alimentación, soporte de fusible, toma de salida, botón para el potenciómetro, hilos, soldadura, etc.



