Saber si una carga lejana está recibiendo alimentación puede ser una necesidad en muchas aplicaciones prácticas que van desde la industria hasta la electrónica de consumo. La idea práctica que describimos en este artículo sirve para las más diversas aplicaciones.
Una forma de saber si una carga remota está recibiendo alimentación es monitorear la corriente en su circuito. Sin embargo, dependiendo de la intensidad de esta corriente, la interrupción del circuito puede ser problemática. Y si la tensión de funcionamiento del circuito es alta existe aún el peligro de tener un indicador bajo elevado potencial que no siempre es conveniente.
No basta con estos problemas todavía tenemos el hecho de que la introducción de un circuito indicador para monitorear una carga distante puede significar una caída de tensión con eventual pérdida de rendimiento.
Cómo supervisar un circuito remoto sin estos problemas.
Idea práctica
Como muestra la figura 1, para un circuito de corriente continua, basta usar el propio campo de la alimentación cuando pasa por una bobina de baja resistencia, que no causa por tanto pérdidas en el circuito.

Este campo se utiliza para accionar un reed switch (interruptor de cuchillas) que entonces activa el circuito indicador remoto.
Dos ventajas deben ser resaltadas en este circuito: la primera es que está totalmente aislado del circuito monitoreado y la segunda es que la baja impedancia de la bobina no causa pérdidas apreciables en el circuito alimentado aunque sea de baja tensión.
También podemos indicar la posibilidad del circuito indicador operar con una tensión completamente diferente del circuito monitoreado.
En la figura 2 tenemos una variación de este circuito que opera "al contrario", es decir, un LED indicador se mantiene apagado cuando la corriente está circulando por la carga.

El número de vueltas de la bobina que se enrollará alrededor del interruptor de cuchillas depende de la intensidad de la corriente que debe monitorearse y de la sensibilidad del interruptor. Normalmente, para una corriente de 1 A basta algunas vueltas para obtener el cierre. El espesor del hilo utilizado debe ser compatible con la intensidad de la corriente a ser monitoreada.
Para las corrientes alternas en las que las cuchillas del interruptor tienden a vibrar tenemos el circuito mostrado en la figura 3.

Este circuito controla un transistor a través de un capacitor de modo que con los pulsos generados por el abrir y cerrar del interruptor (en la frecuencia de la corriente monitoreada) el condensador se mantenga cargado y con ello el transistor en conducción.
La señal para el monitor (que puede ser un indicador) es por lo tanto una tensión continua.
En este caso también, el número de vueltas alrededor del interruptor depende de la intensidad de la corriente y de su sensibilidad.
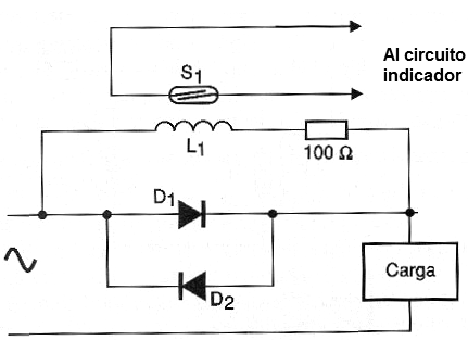
En la figura 4 hay un circuito para intensidades mayores de corriente en que la bobina alrededor del reed switch puede ser enrollada con hilo muy fino y con ello estar formada por 100 a 500 vueltas con la producción de campos con corrientes muy bajas.

En este circuito la corriente principal pasa a través de los diodos, obteniéndose una caída en los dos sentidos de 0,6 V. La corriente en la bobina del circuito indicador va a ser determinada por su resistencia sumada a la resistencia. La tensión aplicada será de sólo 0,6 V en este circuito.
CONCLUSIÓN
Las variaciones en torno a estos circuitos pueden ser elaboradas a voluntad por los lectores imaginosos. El uso de reed-relés como los indicados ofrece una gran gama de opciones para circuitos accionados por corriente con aislamiento total lo que puede ser muy importante en aplicaciones industriales.



