Una manera muy simple de implementar un circuito que detecta la presencia de un flujo de aire es abordada en este artículo. El sensor es una lámpara común y la señal de salida, compatible con la lógica TTL o CMOS se puede utilizar para disparar directamente un sistema de aviso o automatismo.
Un detector de flujo de aire puede tener muchas utilidades prácticas. En un sistema de ventilación se puede utilizar para disparar una alarma cuando hay una interrupción en el flujo de aire o aún mantener encendida una lámpara que indica su funcionamiento normal.
En un equipo industrial que utilice ventilación forzada el circuito puede ser usado para monitorear la presencia del flujo de aire, actuando sobre un sistema de apagado automático si falla.
En un ordenador o equipo que tenga fuente con ventilación forzada por ventilador o "fan" podemos usar el sistema para monitorear su funcionamiento, apagando el circuito en caso de su parada.
El circuito que describimos en este artículo trae una idea diferente de sensor que, incluso simple es altamente eficiente. Usamos una lámpara común sin el cristal para "sensoriar" el flujo de aire.
El sensor
La resistencia del filamento de una lámpara incandescente común depende mucho de su temperatura, como muestra la figura 1.

Cuando es frío, el filamento presenta una resistencia muy baja y cuando se calienta a la temperatura máxima su resistencia se eleva, presentando un valor muchas veces mayor que en frío.
Lo que hacemos en este proyecto es simple: rompe el cristal cuidadosamente de una lámpara indicadora común, sin afectar su filamento.
Después, instalamos esa lámpara en el lugar por donde fluye el aire que debe ser detectado. Alimentamos la lámpara con una cadena que mantiene el filamento levemente calentado, que lo lleve sólo a "rojizo".
En esa temperatura, el aire ambiente no puede "quemarlo" y se mantiene en funcionamiento por mucho tiempo, lo que no ocurre en el caso de la operación normal de la lámpara que exige la ausencia del aire ambiente.
En el ambiente en que existe un flujo de aire, ese flujo ventila el filamento para mantenerlo en cierta temperatura y, por lo tanto, con una resistencia, todo ello como muestra la figura 2.

Si el flujo de aire que ventila el filamento se detiene o disminuye la temperatura del filamento se eleva y su resistencia aumenta. Esta variación es usada por el circuito para proporcionar una señal a un sistema externo.
El Circuito
Lo que hacemos entonces es alimentar la lámpara por una fuente de corriente constante, como muestra la figura 3.

Cuando la resistencia del filamento aumenta en función del aumento de su temperatura, para mantener la corriente, la fuente aumenta la tensión aplicada en la lámpara.
Así, como muestra la figura 4, la tensión aplicada a la lámpara dependerá de su temperatura.

Sólo hay que conectar a la salida de este circuito un comparador de tensión y ajustarlo para cambiar de estado a la temperatura deseada, es decir, cuando la tensión sobre el filamento alcanza determinado valor.
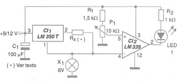
El comparador puede elaborarse sobre la base de un LM339 o cualquier equivalente mientras que la fuente de corriente constante a partir de un LM350T u otro.
En el diseño el punto crítico es la determinación de la corriente ideal por el filamento de la lámpara usada.
Recomendamos que se utilice una corriente de aproximadamente ¼ de la corriente nominal de la lámpara o menos si el lector observa que aún así se calienta a punto de quedar más que ligeramente enrojecida.
Para calcular el valor de la resistencia Rx en el circuito, basta con aplicar la siguiente fórmula:
Rx = 1,25 / I
Donde I es la corriente deseada.
Para una corriente de 25 mA, en el caso de una lámpara de 100 mA, la resistencia Rx será: Rx = 1,25 / 0,25 = 5 ohms
La disipación se calculará mediante:
Px = R x I2
o
Px = 5 x 0,25 x 0,25
Px = 0,625 W
Un resistor de 1 W o mayor se puede utilizar en la función.
La tensión de entrada debe ser por lo menos 2 V mayor que la tensión de la lámpara. Recomendamos una alimentación de 9 a 12 V para el caso de lámparas de 6 V.
Montaje
El diagrama completo del sistema detector se muestra en la figura 5.

Su implementación en una placa de circuito impreso, sin la fuente de alimentación se muestra en la figura 6.

Es conveniente dotar al circuito integrado regulador de tensión de un pequeño disipador de calor.
En el diseño original estamos utilizando un indicador LED para indicar una elevación de la temperatura. Sin embargo, podemos hacer el accionamiento de un relé, como muestra el circuito adicional de la figura 7.

El hilo hasta la lámpara no debe ser demasiado largo para que no se produzcan pérdidas debido a su resistencia. Recomendamos que este hilo no tenga más de 3 metros de largo.
Ajuste y uso
Después de comprobar el montaje, alimente la unidad con una fuente de 9 a 12 V con corriente de al menos 300 mA.
El filamento de la lámpara debe calentarse ligeramente hasta el punto de rojizo. No deje que se calienta mucho porque no se quema.
Ajustando P1 habrá un punto en el que el LED se enciende. Sostener el filamento de la lámpara, debe enfriarse por un momento y el LED se apaga.
En la práctica, el filamento va a ser instalado de modo que el flujo de aire lo mantenga a una temperatura más baja y con ello el LED apagado. Si el flujo de aire detiene la temperatura del filamento aumenta y el LED se enciende.
Verificado el funcionamiento de la unidad es sólo hacer su instalación definitiva en el sistema cuya ventilación debe ser monitoreada.
Semiconductores:
CI-1 - LM350T - circuito integrado, regulador de tensión
CI-2 - LM339 o equivalente - comparador de tensión
LED - LED rojo común
Resistores: (5%)
Rx - ver texto (4,7 ohms x 1 W)
R1 - 1,5 k ohms x 1/8 W - marrón, verde, rojo
R2 - 1 k ohms x 1/8 W - marrón, negro, rojo
P1 - 10 k ohms - trimpot
Capacitores:
C1 - 100 uF x 16 V - electrolítico
Varios:
X1 - Lámpara de 6 V x 100 mA - ver texto
Placa de circuito impreso, fuente de alimentación estabilizada, hilos, soldadura, caja para montaje, etc.



