Constantemente se están lanzando nuevos componentes, a una tasa que resulta difícil para el profesional de la electrónica acompañar. Así, la selección de aquellos que son principales y que pueden resultar en nuevas aplicaciones es muy importante. En este artículo, seleccionamos algunos componentes lanzados recientemente con circuitos prácticos de aplicación (2010)
Componente de ST Microelectronics Maximiza el aprovechamiento de la energía de paneles solares
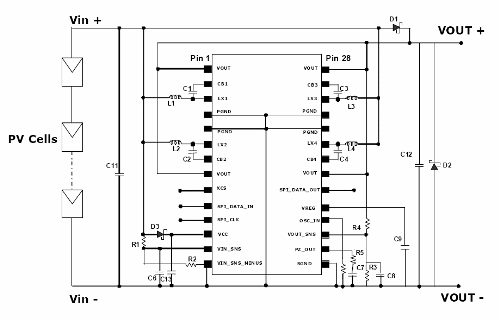
El circuito integrado SPV020 de ST Microeletronics (wwww.st.com) consiste en un convertidor tipo buck cuya finalidad es maximizar la energía generada por paneles solares, independientemente de la temperatura o la intensidad de la luz incidente.
La optimización de la conversión de energía se obtiene mediante una lógica incrustada en el CI que ejecuta el algoritmo denominado MPPT (Max Power Point Tracking) en las celdas conectadas al convertidor.
Uno o más convertidores pueden ser conectados a los paneles solares, y gracias al hecho de que la máxima energía se computa localmente, el nivel de eficiencia del sistema alcanza el máximo. En la figura 1 tenemos un circuito de aplicación para este componente.
Características:
• Rango de tensión de funcionamiento: 0 - 36 V
• Protección contra sobrecarga, sobrecorriente
• Selfstart incrustado
• Hasta un 95% de eficiencia

Circuito con el A1230 - Doble Doble de Dos canales de Sensores Hall
Este componente de Allegro Microsystems (WWW.allegromicro, com) consiste en dos llaves de efecto Hall casadas en un mismo sustrato. Los elementos de efecto Hall tienen un espaciamiento de 1mm y el regulador LDO está integrado, posibilitando una operación con sólo 3,3 V. La protección ESD está integrada y la estructura es robusta asegurando aún más su operación en ambientes severos.
Los dos elementos del dispositivo posibilitan su aplicación en circuitos en los que se desea detectar tanto del movimiento como de su sentido. La salida es digital, y el posicionamiento de los sensores separados de apenas es en cuadratura. En la figura 2 tenemos el circuito típico de aplicación del dispositivo que se suministra en envoltura SIP de cuatro terminales.

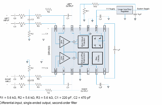
Drive de línea de 3,3 V con ganancia ajustable
El circuito presentado se basa en el DRV603 de Texas Instruments (www.ti.com) y consiste en un controlador de línea libre de ruidos de conmutación diseñado para aplicaciones PDP / LCD de TV, Blu-ray, Home Theater y Set Top boxes.
Este componente puede alimentar cargas de 2,5 kOhms con una tensión de alimentación de 5 V. El rango de respuesta va de 20 Hz a 20 kHz y la relación señal-ruido es mayor que 109 dB. En la figura 3 tenemos un circuito típico de este componente. La información completa se puede obtener en el datasheet disponible en el sitio web de Texas Instruments.

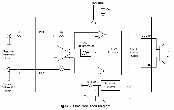
Amplificador Clase D con el circuito integrado NCP2823 de On Semiconductor
El NCP2823 es un pequeño amplificador integrado que se puede montar en una placa de sólo 1,45 x 3,7 mm, proporcionando una potencia de 3 W en una carga de 4 ohms. También se puede conectar en puente (BTL) para mayor potencia.
El CI tiene un ajuste externo de ganancia y un consumo de sólo 1,8 mA para el NCP2823A. El circuito procesa señales de una entrada analógica convirtiéndola en digital (PWM) para excitar la carga de baja impedancia. Las aplicaciones principales incluyen los teléfonos móviles, cámaras, GPS y otros equipos portátiles con audio alimentados por la batería. En la figura 4 el circuito básico de aplicaciones, observándose que muy pocos componentes externos son necesarios.




