Esta micro-alarma, que se puede montar en una caja del tamaño de un paquete de cigarrillos, registra la interrupción de un sensor, aunque su conexión se reajuste.
El monitor es un LED que permite que este pequeño circuito esté instalado en el lado de la cabecera de su cama.
Permite monitorear puertas, ventanas y cajones de armarios, bastando para que se extiendan hilos finos hasta los sensores.
Los hilos pueden ser incluso esmaltados, lo que facilita su ocultación.
El bajo consumo de la unidad le permite encajar la noche entera, sin un consumo apreciable de las pilas.
La bajísima corriente en los sensores toma su instalación totalmente segura ya prueba de golpes.
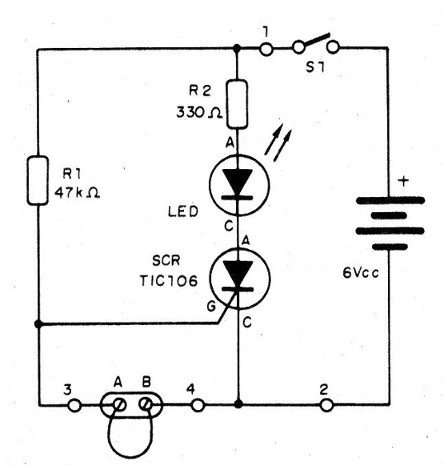
En la figura 1 tenemos el diagrama completo del aparato.

En la figura 2 tenemos su montaje en placa de circuito impreso que después puede fijarse en una caja plástica o incluso en una jabonera.

Para la conexión del sensor se utiliza un pequeño puente de tornillos con dos terminales en los que se atasca el hilo bien utilizado como sensor y enlazando el objeto que debe protegerse.
Cuando este hilo se rompe ocurre el disparo del circuito con el encendido del LED. Incluso rehacer la conexión, el LED permanece encendido.
El SCR es el TIC106 con tensión a partir de 50 V y los resistores son de 1/8 o 1/4 W con cualquier tolerancia. El LED es rojo común y para la alimentación utilizamos cuatro pilas comunes instaladas en soporte adecuado.
Para apagar y rearmar es necesario apagar momentáneamente S1.
La alimentación del circuito también se puede hacer con una tensión de 9 V pero la resistencia R1 debe ser cambiada por uno de 100 k ohms y R2 por uno de 1 k ohmios.
En el montaje se debe observar la polaridad de la batería, el LED y la posición del SCR.
SCR - TIC106 - diodo controlado de silicio
LED - LED rojo común
S1 - Interruptor simple
B1 - 6 V - 4 pilas pequeñas
Resistores:
R1 - 47 k ohms
R2 - 330 ohms



