El circuito presentado es sugerido por Freescale (www.freescale.com) consistente en una interfaz para sensor de presión de 4-20 mA. El circuito encuentra aplicaciones prácticas en equipos tales como sistemas de aire acondicionado, sensor de nivel de líquidos y control de fluidos. (2007)
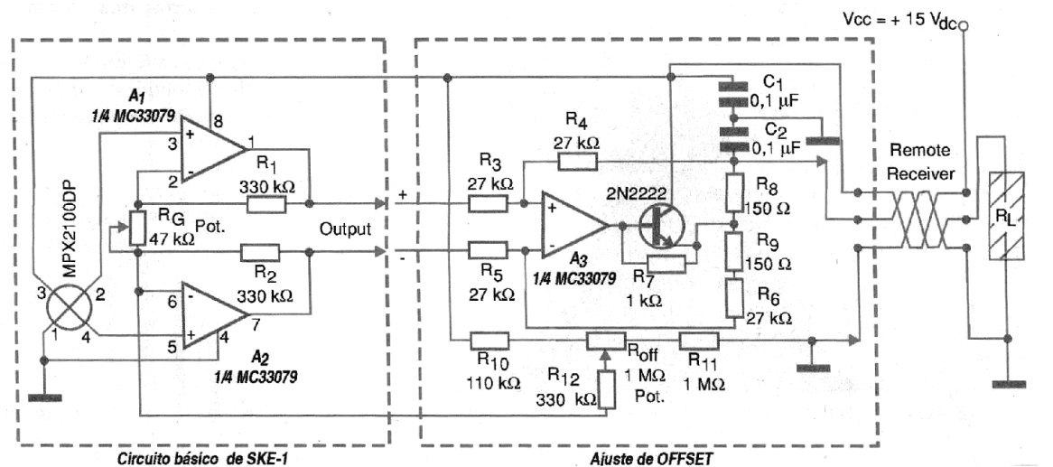
En la mayoría de los casos, el sensor se debe ubicar cerca del lugar donde se debe hacer la medida, pero lejos del receptor que debe procesar los resultados de las medidas. Esta distancia puede ser un problema si el ambiente es ruidoso. La transmisión entre el sensor y el receptor se puede realizar en distancias que llegan a cientos de metros, lo que significa que la posibilidad de captación de ruidos debe ser considerada. El circuito presentado permite conectar el sensor con un circuito receptor, utilizando un amplificador operacional cuádruple MC33079 usando línea de 4-20 mA.
El sensor es el MPXV2101DP de kPs, diferencial compensado a temperatura. La carga consiste en una resistencia de 150 ohmios al final de una línea telefónica de 50 metros. La alimentación de 15 V se conecta al extremo receptor de la línea.
Características
Alimentación 15 V - 30 mA
Línea de conexión Línea telefónica de 3 hilos
Resistencia de carga 150 a 400 ohms
Rango de temperaturas -40 a 85 ºC (hasta 125 ºC con hardware especial)
Rango de presión 0 a 100 kPs
Error máximo total Mejor que el 2% a plena escala
En la figura 1 tenemos el circuito sugerido para esa aplicación.
Calibración
El circuito se conecta a una fuente de alimentación de 15 V ya una resistencia de carga (receptor). Alta presión se conecta a la entrada de presión ya baja presión (si se utiliza un sensor diferencial) se conecta a la puerta de vacío. Es importante que esta calibración con la línea de transmisión real que se utilizará en la práctica conectada. El circuito sólo necesita dos ajustes para conseguir el rango de 4 a 20 mA.
La salida se relaciona también con la tensión de la fuente de alimentación. Por ejemplo, si el receptor lee 18 mA con 80 kPs, y una fuente de 15 V, el receptor podrá leer 16,8 mA con la misma presión, pero con una fuente de 14 V.
Así, para mejores resultados es importante utilizar una fuente de alimentación regulada. Si esto no es posible, el circuito debe ser modificado para insertar un regulador de 12 V para proporcionar la alimentación constante al sensor de presión. Cuando se utiliza con un regulador de tensión del tipo MC78L12AC, el circuito se puede utilizar con tensiones de entrada de 14 a 30 V.
En la figura 2 tenemos el gráfico de la salida en función de la presión.
Los resistores son comunes de carbono, pero los pares deben ser casados con una precisión del 0,3%. Los capacitores son de 0,1 uF. Se observa que las mejores performances pueden obtenerse con el uso de película metálica.





