"Lanzar" una moneda "ya era". Con todos los recursos que la electrónica puede ofrecer. El simple aparato que describimos a continuación prueba eso.
Usted aprieta un botón, y cuando suelta sólo uno de dos LEDs permanece encendido, indicando el resultado del sorteo (figura 1).
Usted puede utilizar este aparato para resolver cuestiones "litigiosas" importantes como quien va a pagar la cuenta del restaurante, o dar la salda en un partido de fútbol.
COMO FUNCIONA
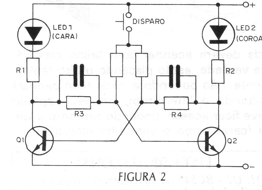
El funcionamiento de este juego electrónico no tiene ningún secreto. Se trata de un multivibrador que puede tanto operar como astable como biestable, como muestra la figura 2.
Cuando aprieta el interruptor de presión S1, el multivibrador funciona como un astable, haciendo que rápidamente cambien de conducción los dos transistores.
Soltando el interruptor de presión, el multivibrador se convierte en un biestable en el que sólo uno de los transistores se queda en la conducción, encendiendo el LED correspondiente.
Como el cambio de conducción es muy rápido, no podemos ver eso, de modo que al soltar el interruptor no podemos predecir cuál de los LEDs quedará encendido, lo que quiere decir que, no podemos influir en el sorteo.
El circuito se alimenta con una tensión de 6 V de 4 pilas pequeñas, o si el reproductor prefiere, de una fuente.
MONTAJE
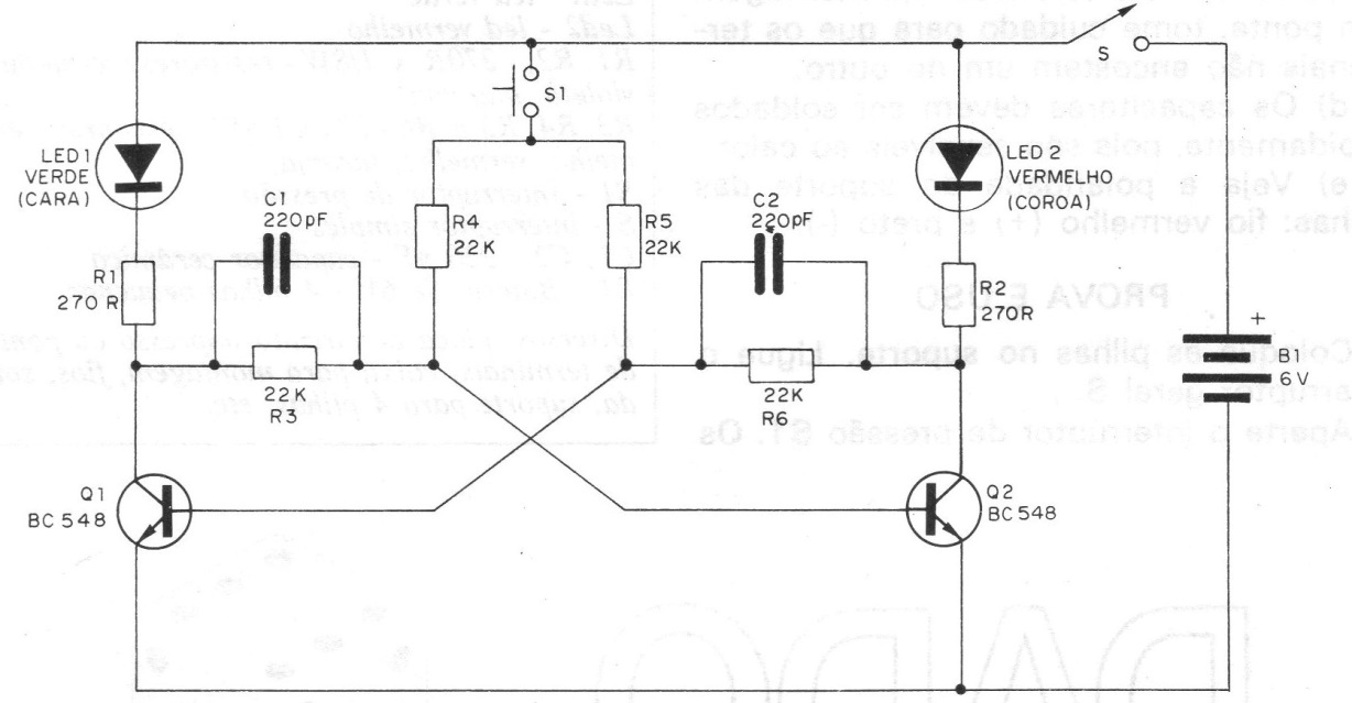
En la figura 3 damos el circuito completo del cara o corona electrónica con todos los componentes representados por sus símbolos y con sus valores.
Si el lector es novato, se recomienda familiarizarse con la simbobía utilizada en este tipo de diagrama.
En la figura 4 damos el montaje en placa de circuito impreso.
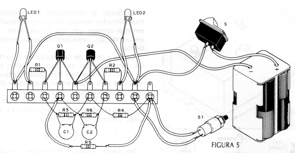
En la figura 5 tenemos la versión en puente de terminales.
Los cuidados que se deben tomar con este montaje son los siguientes:
a) Observe la posición de los transistores tomando por referencia su parte aplanada. Sea rápido en su soldadura.
b) Observe la posición de los LEDs tomando como referencia la parte achatada de su envoltorio.
c) Los valores de los resistores son dados por sus anillos de colores. En el montaje en puente, tenga cuidado de que las terminales no se apoyen en el otro.
d) Los capacitores deben ser soldados rápidamente, ya que son sensibles al calor.
e) Vea la polaridad del soporte de las pilas: hilo rojo (+) y negro (-).
PRUEBA Y USO
Coloque las pilas en el soporte. Conecte el interruptor general S. Apriete el interruptor de presión S1. Los LED deben encenderse con un brillo reducido (de hecho, parpadeando muy rápidamente, no pudiendo ver la vista).
Soltando el interruptor, un LED sólo debe tener acceso, pudiendo ser tanto el verde (cara) como el rojo (corona).
LISTA DE MATERIAL
Q1, Q2 - BC548 o equivalentes - transistores
LED1 - LED verde
LED2 - LED rojo
R1, R2, - 270 R x 1/8 W- resistores (rojo, violeta, marrón)
R3, R4, R5 y R6 - 22 k x 1/8 W- resistores (rojo, rojo, naranja)
S1 - Interruptor de presión
S - interruptor simple
C1, C2 - 220 pF - capacitor de cerámica
B1 - Batería de 6 V - 4 pilas pequeñas
Varios: placa de circuito impreso o puente de terminales, caja para montaje de hilos, soldadura, soporte para 4 pilas, etc.








