Es un proyecto ideal para complementar el sonido de su coche o bien para equipos de sonido doméstico. Proponemos un divisor de frecuencias que separa los sonidos graves de los agudos, enviándolos a los altavoces propios, y que proporciona una indicación visual decorativa de lo que ocurre, con el encendido de dos conjuntos de LED.
La separación de graves y agudos en un sistema de sonido es fundamental para una reproducción perfecta, sin distorsiones y sin pérdida de potencia. Esto ocurre porque los altavoces de agudos no deben recibir las señales de bajas y medias frecuencias, al igual que los altavoces de graves y medios no deben recibir los agudos.
Si esto no se proporciona, además del esfuerzo que el sistema pasa a sufrir con peligro de quema de componentes del amplificador y del propio altavoz de agudo (tweeter), existe aún una considerable pérdida de potencia.
A continuación, se muestra un divisor de frecuencia que separa las señales a los sistemas de altavoces de su coche o de su hogar, de la mejor manera.
Tenemos, además, la indicación visual de la separación con el encendido de LED de dos colores (rojo y verde, por ejemplo). El efecto de este encendido en el ritmo de la música que se está tocando es, además de todo, decorativo.
Para el coche, un conjunto de LED que parpadean de 4 formas diferentes es muy interesante: tendremos un conjunto de LED verde para los agudos del canal derecho y otro conjunto para el canal izquierdo.
Después, tendremos un conjunto de LEDs rojos para el canal derecho y otro para el izquierdo.
Simple de montar, el aparato puede funcionar con 12 V de fuente o de la batería del coche. La tensión se utiliza exclusivamente para alimentar los LED que, además de no "robar" potencia del amplificador, pueden tener mayor brillo.
EL CIRCUITO
La base del proyecto divisor es un inductor y un capacitor. El inductor determina la "cantidad" de graves que pueden pasar al altavoz de medios y graves.
La cantidad de espiras determina el "corte", es decir, la frecuencia en que ocurre el bloqueo que está alrededor de 5 000 Hz. A continuación de esta frecuencia las señales pasan, correspondiendo a los graves y medios.
Por otro lado, el capacitor determina la "cantidad" de agudos que pasa al tweeter (que es el altavoz de agudos). Las señales por encima de 5 000 Hz pueden llegar al altavoz propio donde se reproducen.
El circuito indicador de cada canal utiliza como base transistores comunes.
Estos transistores amplifican pequeña parte de la señal que tiene su intensidad controlada por dos potenciómetros, según la potencia de su amplificador.
Una parte muy pequeña, del orden de décimo o centésimas de vatios, es retirada del circuito para excitar el transistor de cada canal y así hacer que los LED correspondientes parpadeen.
Podemos tener mayor o menor inercia en el efecto con la variación del valor de C3 y C4. Usted puede hacer experimentos en la pista indicada.
MONTAJE
Comenzamos por dar el diagrama completo del aparato, sin la fuente en la figura 1.
Podemos hacer- el montaje en puente de terminales conforme muestra la figura 2.
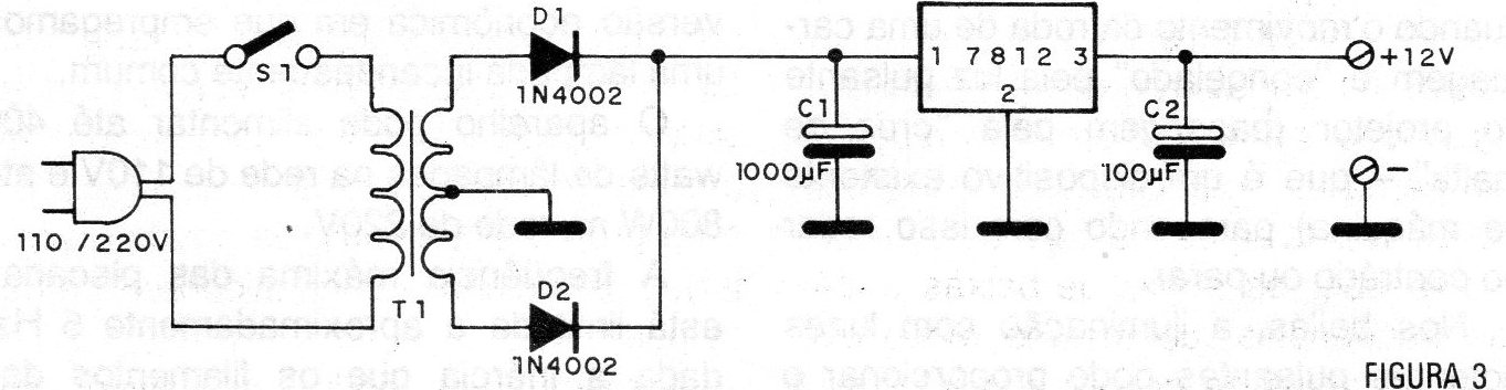
La fuente de alimentación, si se utiliza en el sonido doméstico, se muestra en la figura 3.
El transformador es de 12 + 12 V o 15 + 15 V con corriente entre 100 mA y 500 mA. Los capacitores electrolíticos de la fuente son para 25 V o más y el integrado debe estar dotado de un pequeño radiador de calor.
Si el aparato se utiliza en el coche, basta con usar la batería conectándola en el punto +12 V.
La bobina L1 se elige de acuerdo con la impedancia de los altavoces usados.
Para 8 ohms (que es la Versión Básica) enrolle 200 vueltas de alambre esmaltado 20 o 22 en un bastón de ferrita de aproximadamente 1 cm de diámetro y de 10 a 15 de longitud.
Puede enrollar una espira sobre otra que no hay problema (bobinado en capas).
Para 4 ohms, enrolle 140 vueltas del mismo hilo en el mismo palo. Esta bobina permite la operación de sistemas hasta 40 vatios por canal, sin problemas. Para potencias más grandes es conveniente utilizar hilos más gruesos.
El capacitor C1 y C2 (despolarizado) debe tener una tensión de trabajo de al menos 35 V. Para 8 ohms utilice dos 10 uF, y para 4 ohms use dos de 22 uF.
En la figura 4 tenemos una sugerencia de montaje, con entrada y salida para el amplificador y altavoces.
El aparato se intercalará entre el amplificador y los altavoces. El amplificador debe tener una potencia mayor que 2 vatios para que el sistema funcione bien.
PRUEBA Y USO
Sólo hay que conectar el aparato como se muestra en la propia figura 4. Observe la necesidad de obedecer la conexión a tierra de forma correcta para no haber peligro de cortocircuito en el sistema.
Coloque el sonido a medio volumen y ajuste P1 y P2 para que los LED parpadeen normalmente. Si desea mayor inercia, cambie los valores de C3 y C4.
Q1, Q2 - BC548 o equivalente - NPN de silicio
D1, D2'- 1N4148 o equivalentes - diodos de silicio
LED1, IED2 - LED rojos comunes
LED3, LED4 - LED verde
P1, P2 - potenciómetros de 10 k
L1 - ver el texto
C1, C2 - 10 uF x 35 V - electrolíticos (véase el texto)
C3, C4 - 10 a 470 nF - cerámicos o poliéster (véase el texto)
R1, R2 - 4k7 - resistores (amarillo, violeta, rojo)
R3, R4 - 1K - resistores (marrón, negro, rojo)
Varios: caja para montaje, hilos esmaltados, bastón de ferrita, hilos, soporte para los LED, botones para los potenciómetros etc.
Nota: podemos conectar hasta 4 LEDs en serie, reduciendo entonces R3 y R4 a 560 ó 470 ohms.







