El aparato es bien conocido, pero la configuración no. Se trata de un proyecto que utiliza los modernos transistores de efecto de campo de potencia, capaces de controlar potencias elevadas y que, por su elevada impedancia de entrada, simplifican bastante los circuitos con sensores resistivos.
Este artículo es de 1993
El circuito propuesto hace que una lámpara (o más) se encienda cuando se oscurezca. Podemos usarlo en sistemas de iluminación de emergencia a partir de baterías o simplemente como control para entradas que deben permanecer claras al oscurecerse.
El circuito puede controlar cargas de hasta 4 A y es extremadamente sensible.
Como uso de un condensador en la conducción del transistor de efecto de campo de potencia dotamos el aparato de una respuesta muy lenta, lo que impide su accionamiento por sombras momentáneas sobre el sensor.
También la vuelta momentánea de la luz, en el caso de un relámpago, no provoca el accionamiento del transistor apagando la lámpara, gracias a la inercia del circuito.
Simple de montar e instalar el aparato utiliza como sensor cualquier LDR y, en la condición de espera (lámpara apagada), su consumo de corriente es extremadamente bajo.
Características:
Tensión de alimentación: 12 V
Carga máxima: 4 A
Consumo en reposo: inferior a 10 uA
En la figura 1 tenemos el diagrama completo del aparato.

El potenciómetro (o trimpot) P1, el resistor R1 y el sensor LDR forman un divisor de tensión que polariza, a través de R2, la conducción (g) del transistor de efecto de campo de potencia.
Cuando el LDR se encuentra iluminado la tensión en la conducción del transistor de efecto de campo es insuficiente para llevarlo a la conducción, y con ello la lámpara usada como carga permanece apagada.
Si la luz en el LDR es cortada, la tensión en el divisor sube y empieza a cargar el condensador C1, vía R2, hasta que se alcance la tensión de conducción del transistor.
Esta subida lenta es importante para que la lámpara no se accione de inmediato, por ejemplo, por un corte rápido de la luz en el sensor.
El tiempo de accionamiento puede variar entre fracción de segundo y algunos segundos, dependiendo del valor de C1. Los valores en el rango de 1 a 10 uF se pueden utilizar en el proyecto.
Con la subida al punto de conducción, la resistencia entre el drenaje (d) y la fuente (s) del transistor de efecto de campo cae a menos de 1 ohm, y con ello la carga se alimenta a plena potencia.
Esta baja tensión de saturación de los transistores de efecto de campo de potencia es importante en este tipo de proyecto, pues permite el accionamiento de la carga prácticamente sin pérdidas. Además, la potencia disipada por el componente es reducida, permitiendo el control de cargas de corrientes elevadas.
En la figura 2 tenemos la disposición de los componentes en una placa de circuito impreso.

El transistor de efecto de campo de potencia debe estar dotado de un radiador de calor.
Para este transistor podemos utilizar tipos comunes, como los de la serie IRF, que pueden tener corrientes de 3 a 8 A. Utilice como carga máxima una corriente siempre inferior al máximo admitido por el componente.
El IRF720 soporta 3 A (recomendamos hasta 2 A de lámparas), mientras que el IRF632 es de 8 A (recomendamos hasta 4 A de lámparas).
El LDR puede ser de cualquier tipo redondo común, y su conexión al aparato puede ser hecha por hilo largo.
El valor de C1 depende de la inercia deseada, y puede quedar en el rango indicado en el diagrama y lista de material.
El ajuste de sensibilidad tanto puede ser un potenciómetro como un trimpot.
Las lámparas usadas como carga deben tener corriente máxima de 4 A en total, y tensión de operación de 12 V; Esto significa una potencia máxima de 48 W.
Para probar el aparato podemos usar lámparas de menor corriente y alimentar la unidad con una fuente común de 12 V. Ajustamos P1 para que la lámpara se apague.
Cubriendo el LDR la lámpara debe encenderse.
En la instalación, el LDR debe quedar en un tubo opaco apuntado al lugar de donde viene la luz de accionamiento.
El LDR no debe recibir luz de la propia lámpara que el aparato controla, pues si esto ocurre, tendremos una realimentación que lleva el circuito a la oscilación (la lámpara variará aleatoriamente de brillo).
Para alimentación podemos utilizar una fuente con corriente de acuerdo con las lámparas o una batería con un sistema automático de recarga.
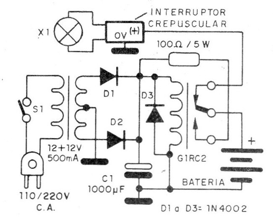
En la figura 3 tenemos un circuito interesante de sistema de iluminación de emergencia que sólo es accionado cuando ocurre la falta de luz y el ambiente está oscuro.

Este sistema mantiene la batería en carga constante. Podemos utilizar para este propósito un pequeño acumulador de moto o incluso en coche, de 12 V.
Q1 - IRF632 o SPM640 - transistores de efecto de campo de potencia
R1 - 100 K ohms - resistor de 1/8 W, 5%
R2, - 1 M ohms - resistor de 1/8 W, 5%
R3 - 4,7 M - resistor de 1/8 W, 5%
P1 - potenciómetro de 1 M ohms
C1 - 1 a 10 uF - capacitor electrolito 16 V
C2 - 100 pF - capacitor electrolítico de 16 V
Diversos: LDR - LDR común, pequeño o grande
F1 - Fusible de 5 A
X1 - lámpara de 12 V x 4 A
Placa de circuito impreso, radiador de calor para el transistor de potencia, caja para montaje, botón para el potenciómetro, soporte para el fusible, hilos, soldadura, etc.



