Los transistores de uso general como los de la serie BC tienen ganancias entre 100 y 800 veces, operando con señales de poca intensidad. Estas ganancias abreviadas por hfe significan que una variación de la corriente de base que corresponde a la señal de entrada, se traduce en una variación 50 a 1000 veces mayor en la corriente de colector que corresponde a la señal de salida.
Si necesitamos una amplificación mayor, lo que normalmente hacemos es usar más de un transistor.
Los circuitos crecen entonces en número de pasos y costo.
Una manera de hacer la conexión de más de un transistor para aumentar la ganancia de forma simple es la mostrada en la figura 1.

Este tipo de conexión recibe el nombre de Darlington, y las ganancias de los transistores se multiplican.
Así, si utilizamos dos transistores de ganancia 100 el resultado será un transistor de ganancia 10 000.
¿Por qué no fabricar ya en un envoltorio dos transistores conectados de la forma indicada, obteniendo de esta forma un dispositivo de ganancia mucho mayor?
Esta es la idea básica del transistor Darlington o Super-Transistores.
En una sola envoltura ya tenemos dos transistores interconectados, como muestra la figura 2.

Usamos este componente como si fuera un solo transistor pero con características diferentes, o sea, una ganancia más elevada entre otras.
El BC517 es un transistor de uso general que se enmarca en la categoría de los súper transistores o Darlingtons.
Diseñado para operar con pequeñas señales, se puede utilizar en las siguientes funciones:
Preamplificación de audio
Excitación de relés
Amplificador para sensores
Temporización
CARACTERÍSTICAS
Potencia de disipación: 625 mW
Vcbo máximo: 30 V
lc máxima: 400 mA
Ganancia: 30 000 (min.)
LOS PROYECTOS
Damos a continuación algunos proyectos interesantes usando el supertransistor.
PROBADOR SIMPLE DE CONTINUIDAD
En la figura 3 tenemos un ultra-simple probador de continuidad en el que el "super-transistor" se utiliza para excitar un LED.

La sensibilidad de este circuito es muy grande, de modo que las resistencias de la orden de megohms pueden ser indicadas como continuidad y la corriente en las puntas de prueba es extremadamente baja.
El LED es rojo y el aparato se puede montar fácilmente en una placa de circuito impreso, como figura 4.

MEDIDOR SENSIBLE DE CONTINUIDAD
Este circuito consiste en el perfeccionamiento del proyecto anterior con el LED sustituido por un microamperímetro. P1 sirve para ajustar el fondo de escala, es decir, la corriente máxima cuando las puntas de prueba están unidas.
La sensibilidad de este circuito es muy grande dada la ganancia del transistor usado.
En la figura 5 tenemos el diagrama de este aparato.

La alimentación se puede realizar tanto con dos pilas como con cuatro pilas pequeñas.
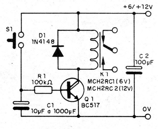
TEMPORIZADOR
En la figura 6 tenemos un temporizador simple que utiliza sólo un super-transistor BC517 y que acciona un relé por intervalo de tiempo que depende tanto del valor de C1 y de R1.

El lector podrá aumentar aún más el valor de R1 para obtener mayores int
ervalos de accionamiento, pero este componente estará limitado a valores entre 470 k ohms e1 M ohms y el valor exacto se determinará experimentalmente.
Presionando S1 el relé cerrará sus contactos y así permanecerá por un cierto intervalo de tiempo.
Este tiempo es justamente dado por la descarga de C1 a través de R1 y también del super-transistor usado.
La disposición de los componentes de este proyecto en una placa de circuito impreso se muestra en la figura 7.

Dependiendo de la tensión de alimentación podemos utilizar relés de 6 o de 12 V.
Los tipos indicados poseen contactos que controlan corrientes de hasta 2 A.
ALARMA DE BAJO CONSUMO
El circuito presentado tiene un consumo de corriente extremadamente bajo, evitando así que las pilas o baterías usadas en la alimentación se agote rápidamente.
El aparato puede permanecer encendido durante meses sin que esto ocurra.
En la figura 8 tenemos el diagrama completo de esta alarma de bajo consumo.

Observe que el sensor es un reed-switch que debe permanecer cerrado con la proximidad de un imán.
En estas condiciones la corriente en el circuito es dada por R1 y por la tensión de alimentación.
Cuando el imán se aleja de X1 el capacitor C1 se carga hasta el punto en que Q1 conduce y acciona el relé.
Esto significa que, en función de C1 podemos tener retardos de accionamiento que van desde algunos segundos hasta algunos minutos.
Se pueden experimentar valores entre 100 nF y 100 uF.
En la figura 9 tenemos una sugerencia de placa de circuito impreso para este montaje.

El relé depende de la tensión de alimentación y puede ser sustituido por equivalentes con alteración correspondiente en la disposición de los terminales en la placa.
Si se utiliza más de un sensor; pueden ser conectados en serie. La cantidad es limitada y su conexión también se puede hacer con cables largos.
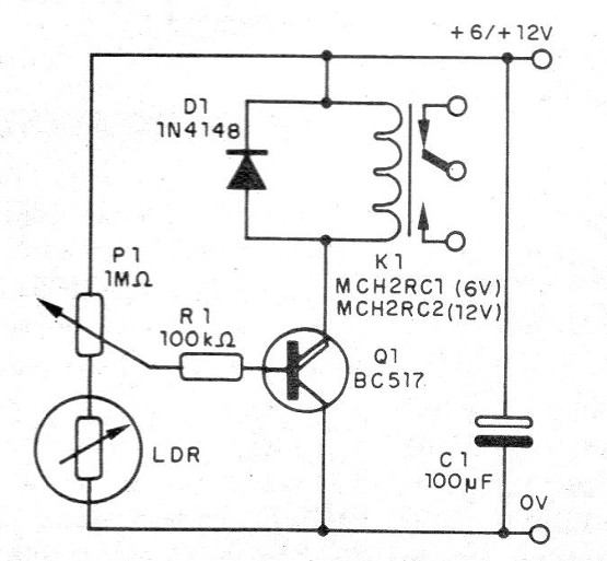
FOTO RELÉ
El siguiente circuito, mostrado en la figura 10, acciona un relé cuando la luz que incide en un sensor (LDR) es cortada.

Este circuito también es muy sensible, lo que significa una corriente muy pequeña en el LDR además de la posibilidad de trabajar con fuentes de luz muy débiles.
En realidad, incluso niveles de iluminación imperceptibles para el ojo humano ya son suficientes para accionar este circuito.
La base también es un solo transistor BC517 que acciona un relé.
P1 hace el ajuste de sensibilidad y la alimentación se puede hacer con 6 o 12 V según el relé.
La placa de circuito impreso para este proyecto se muestra en la figura 11.

Un capacitor se puede añadir entre la base y el emisor del transistor para reducir su velocidad.
Este capacitor puede tener valores entre 220 nF y 2 200 uF.
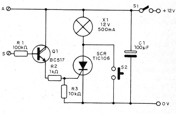
INTERRUPTOR DE TOQUE
En la figura 12 tenemos un circuito sensible que enciende una pequeña lámpara de advertencia cuando se toca un sensor.

El circuito es biestable, lo que quiere decir que una vez dado un corto toque en el sensor la lámpara permanece encendida.
Para apagar el circuito debemos interrumpir la alimentación por un instante o bien apretar S2, cortocircuitando el ánodo y el cátodo del SCR.
El circuito es extremadamente sensible; en el caso de utilizar baterías como alimentación, puede ser necesario conectar A a una buena tierra para aumentar aún más la sensibilidad.
No hay control de sensibilidad pero se puede añadir simplemente cambiando R3 por un trimpot o potenciómetro del mismo valor.
El SCR utilizado soporta corrientes de hasta 3 A, pero en los casos en que la carga sea superior a 1 A debe utilizarse radiador de calor.
En la figura 13 tenemos la placa de circuito impreso para este proyecto.

El cable de conexión al sensor debe ser corto. Si tiene más de 1 metro de longitud necesita ser blindado, con la malla conectada a la masa del circuito.
Como sensor podemos utilizar una placa de metal de no más de 5 x 5 cm.
Las placas o objetos grandes accionan erráticamente el circuito, ya que funcionan como antena para el ruido de la red y éste provoca el accionamiento del circuito.
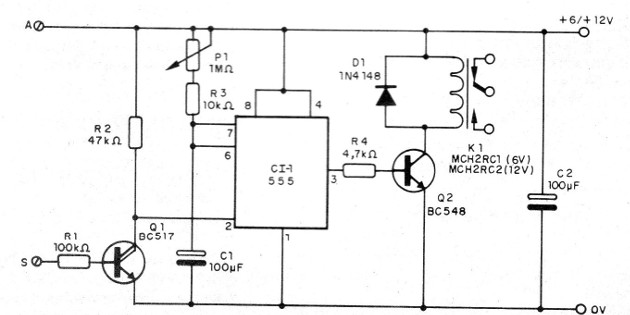
INTERRUPTOR DE TOQUE TEMPORIZADO
Se trata de una versión mejorada del circuito anterior en que cada toque tenemos el cierre de los contactos de un relé por un tiempo que puede ser ajustado entre algunos segundos y algunos minutos por el pote P1.
El circuito se muestra en la figura 14.

La base del circuito es un 555 accionado en su conducción por el super transistor BC517.
Cuando tocamos en el sensor el super transistor conduce y lleva el perno 2 de disparo del 555 al nivel bajo. Esto hace que la salida del CI en el pin 3 vaya al nivel alto y el transistor Q1 sea saturado, disparando el relé.
El tiempo que la salida permanece en el nivel alto depende del ajuste de P1 y también del valor de C1 que puede tener de 10 a 1000 uF dependiendo de la aplicación.
En los contactos del relé podemos conectar lámparas, alarmas u otros dispositivos que deben ser accionados por el tacto.
El circuito podrá ser alimentado con tensiones de 6 o 12 V según el relé.
Para fuentes fijas (baterías) será interesante conectar el punto A a la tierra para ofrecer recorrido a la corriente de disparo.
El montaje en una placa de circuito impreso se muestra en la figura 15.

Para el relé y el integrado a sugerimos el uso de sockets.
El cable de conexión al sensor no debe ser largo. Si tiene más de un metro de longitud, debe ser blindado.



