La presencia de un dispositivo bien visible, que recuerda una alarma, puede ser muy eficaz para desalentar a los ladrones. Si él es visible, es porque es infalible y así, por qué arriesgar?
Un par de LED parpadeando en su coche o en su casa, puede llevar al intruso a pensar en estas posibilidades y buscar otra víctima más fácil. Proponemos un aparato que tiene sólo un efecto psicológico, sugiriendo a los intrusos que se trata de una alarma infalible.
Un par de LED que parpadean continuamente en un panel donde se lee "Super Alarma" o algo parecido puede desalentar intrusos que pretenden robar su coche o su casa.
Muy simple de montar, se trata de un circuito que puede salvar su patrimonio, compensando todo el dinero invertido, si es que el lector no va a conseguir el material en su casa.
En la figura 1 mostramos una sugerencia de cajita para colocar este circuito.
La alimentación del aparato puede realizarse con pilas comunes (en el hogar), oa partir de los 12 V de la batería extraídos de cualquier punto de la instalación, como por ejemplo, con el conector apropiado del encendedor de cigarrillos.
COMO FUNCIONA
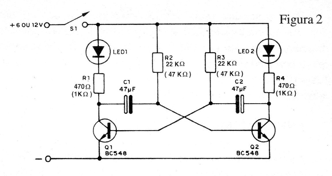
Tenemos un multivibrador asequible con dos transistores que conducen alternativamente la corriente, alimentando dos LED.
La frecuencia de este multivibrador está determinada básicamente por los resistores (R2 y R3) conectados a las bases de los transistores y los capacitores C1 y C2. Los capacitores C1 y C2 se pueden disminuir si el ensamblaje desea parpadear más rápido (10 uF o 22 uF).
Para parpadeos más lentos, se pueden aumentar (100 pF o incluso 220 uF). Los resistores tienen dos valores en el diagrama. Estos valores son función de la tensión de alimentación, ya que el aparato puede funcionar con 6 V (4 pilas pequeñas) o 12 V (coche). Los valores entre paréntesis son justamente los que corresponden a la alimentación de 12 V.
MONTAJE
En la figura 2 damos el diagrama completo de este aparato.
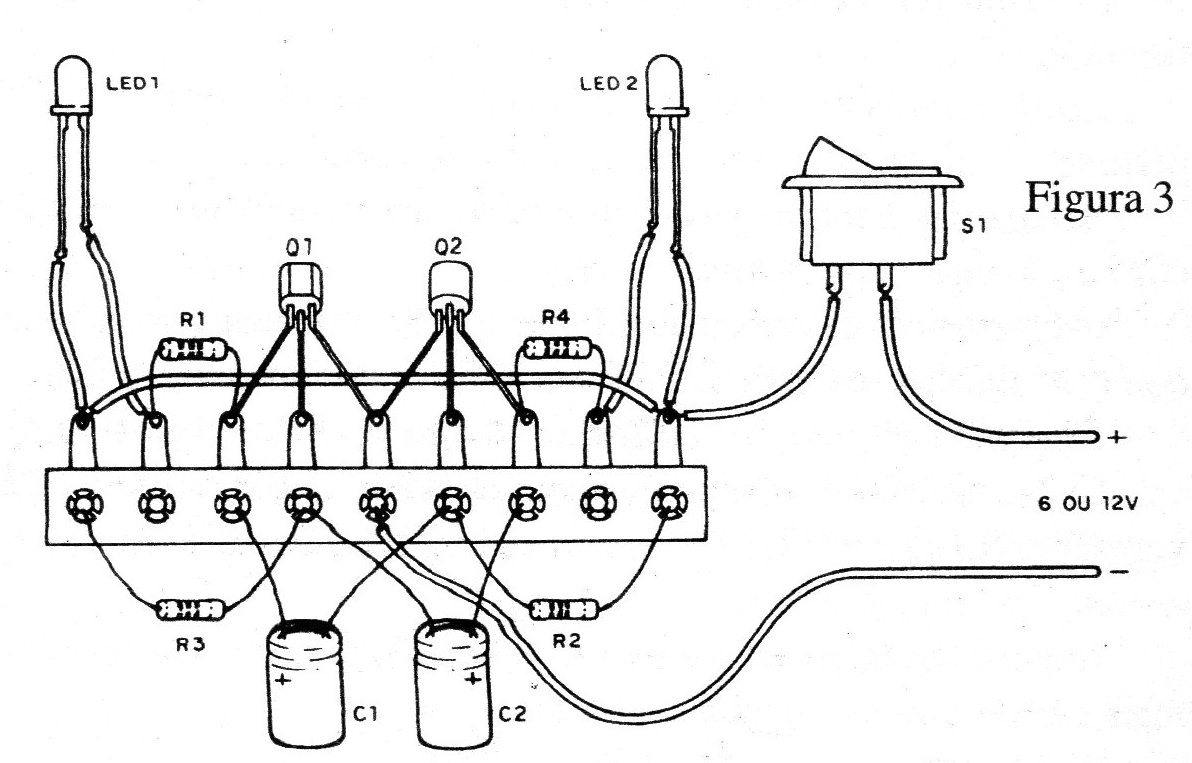
El montaje realizado en un puente de terminales se muestra en la figura 3.
Damos también, la versión en placa de circuito impreso, que permite la realización de un aparato muy diminuto.
Al realizar el montaje, tenga los siguientes cuidados (también con la obtención de los componentes):
a) Los transistores originales son del tipo BC548, pero equivalentes como Los BC237, BC238, BC547 o BC549 pueden ser usados.
Observe su posición en función de la parte plana de la envoltura.
b) En el prototipo utilizamos un LED verde (LED1) y un LED rojo (LED2). Los LED pueden ser rojos o de otro color, si el reproductor lo prefiere.
Importante en la conexión y seguir la polaridad dada por el terminal más corto o parte plana de la envoltura.
Si hay inversión, no se encender.
c) Los resistores pueden ser de 1/8 W o l / 4 W y los valores dependen de la alimentación utilizada. Consulte los valores de la lista de materiales.
d) Los capacitores C1 y C2 originalmente son de 47 uF x 12 V, pero se pueden utilizar tipos de tensiones mayores y valores diferentes, según la velocidad deseada para los intermitentes.
e) La conexión de la alimentación debe realizarse con hilos de colores diferentes: hilo rojo = positivo y tío negro = negativo.
El positivo pasa por un interruptor general (S) para encender y apagar el aparato. Para alimentación con 6 V utilice un soporte de 4 pilas pequeñas. Terminando el montaje, la prueba de funcionamiento es muy simple.
PRUEBA Y USO
Conecte el aparato en alimentación de 6 V o 12 V, según su versión, observando la polaridad.
Los LED deben parpadear alternativamente.
Si desea cambiar la velocidad, cambie los valores de C1 y C2.
Si el aparato no funciona, vea si uno de los LED (o los dos) no está invertido, o bien los transistores.
Instale definitivamente el aparato en la caja y haga su conexión en el coche o en la fuente (pilas).
Semiconductores:
Q1, Q2 - BC548 o equivalente - transistores NPN
LED1 - LED verde, común
LED2 - LED rojo, común
Capacitores:
C1, C2 - 47 nF x 12 V - capacitores electrolíticos
Resistores
R1, R4 - 470 x 1/8 W (6 V) - resistores (amarillo, violeta, marrón) o 1 k x 1/8 W (12 V) - resistores (marrón, negro, rojo)
R2, R3 - 22 k x 1/8 W (6 V) - resistores (rojo, rojo, naranja) o 47 k x 1/8 W (12 V) - resistores (amarillo, violeta, naranja)
Varios:
S1 - interruptor simple
Puente de terminales o placa de circuito impreso, caja para montaje, hilos, soldadura, etc.






