En la sección "Lo que usted necesita saber" enfocamos el principio de funcionamiento de los dinos y los altavoces usados ??también como micrófonos. Para entender mejor cómo estos dispositivos se pueden utilizar en la práctica, nada mejor que la realización de algunas experiencias. .
Consiga dos altavoces viejos (pero en buen estado), un motor de pilas (de algún juguete fuera de uso) o un dínamo en bicicleta y realice las experiencias que describimos.
Como hemos visto, un altavoz se puede utilizar tanto para producir señales eléctricas a partir del sonido, como al contrario, producir sonido a partir de señales eléctricas. Esta posibilidad de utilizar un altavoz en las dos funciones, como altavoz propiamente dicho y como micrófono, nos lleva a la realización de un intercomunicador experimental extremadamente simple.
Experiencia 1
El circuito y el montaje se muestran en la figura 1. Como podemos ver, los dos altavoces están interconectados por dos hilos aislados que deben tener un máximo de 10 metros de longitud.

Cuando el lector habla en uno de los altavoces, se comportará como micrófono, produciendo una señal eléctrica que será llevada al otro altavoz que operará en su función normal, reproduciendo el sonido original.
Y claro que, como este sistema no tiene fuente de energía, la señal producida depende exclusivamente del rendimiento de la conversión de sonido en energía eléctrica por el altavoz utilizado como micrófono, lo que resulta en un valor muy bajo.
Así, al hablar, el lector debe hacerlo bien cerca del altavoz, y para oír a su pareja, debe tocar bien el oído en el otro altavoz. Para mantener una conversación, basta con combinar el "cambio", que avisa a lo que está oyendo que debe hablar, cambiando así la función del altavoz para micrófono.
En la figura 2 damos dos circuitos experimentales que perfeccionan este sistema, los cuales el lector puede montar.

En el primero, hacemos uso de transformadores que permiten utilizar hilos más largos de conexión.
En el segundo, añadimos una fuente de energía que consiste simplemente en una pila media o grande, la cual proporciona una corriente que refuerza el sonido producido.
Experiencia 2 - Motor como dínamo
Podemos demostrar que realmente un motor de corriente continua, de los usados ??en juguetes, puede operar como dínamo realizando la experiencia según el diagrama de la figura 3.

Girando con los dedos el eje del motor, la energía eléctrica generada va al altavoz donde se convierte en sonido. El sonido es similar al del propio motor en funcionamiento y su volumen dependerá de diversos factores como, por ejemplo, el tipo de motor, su rendimiento en la producción de energía, etc. Una mejora que permite montar una sirena experimental se muestra en la figura 4.

Para aumentar el rendimiento, usamos una manivela con sistema reductor por elástico y un volante que mantiene el motor girando por buen tiempo por la inercia adquirida.
La misma experiencia puede ser hecha, con mucho mayor volumen, utilizando un dínamo en bicicleta.
Experiencia 3 - Fuente alternativa de energía
Un dínamo en bicicleta o un motorito de corriente continua que tenga buen rendimiento en la producción de energía, pueden ser utilizados para la construcción de fuentes alternativas.
Un circuito básico para alimentar una lámpara incandescente es el mostrado en la figura 5.

Este circuito se basa en un dínamo de bicicleta de 12 V x 6 vatios, debiendo realizarse su movimiento de tal manera que se obtenga la velocidad que permita el máximo rendimiento.
En la figura 6 damos algunas opciones para hacer este movimiento como, por ejemplo, a través de una manivela, en cuyo caso tendremos un "generador manual", a través de una caída de agua o incluso viento.

Lo importante en cada caso es que el lector tenga experiencia en el sentido de obtener la rotación correcta para el máximo de energía producida.
Para pequeños motores de corriente continua usados ??como dinos, damos en la figura 7 un circuito simple que permite determinar su rendimiento.

El VU-meter utilizado como voltímetro mide la intensidad de la corriente producida.
Recordamos una vez más que muchos pequeños motores no son buenos productores de energía cuando se usan como dinos, lo que significa que se deben hacer experimentos.
Otro problema del uso de un dínamo como fuente alternativa de energía, específicamente el del tipo de bicicleta, es la variación de tensión en su salida. De hecho, los cambios de velocidad en el motor también significan cambios de tensión de salida.
En el caso de alimentar una lámpara, este cambio sólo afecta ligeramente el brillo, pero si tenemos un aparato electrónico, la variación puede ser peligrosa.
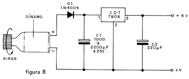
En la figura 8 tenemos entonces un circuito regulador de tensión que permite mantener constante en 6 voltios de salida, la tensión de un dínamo de 12 V (que en realidad tendrá variaciones entre 6 y más de 12 V), posibilitando así la alimentación de una lámpara y un radito.

Observe la necesidad de un radiador de calor en el circuito integrado 7806 que es el regulador de tensión.
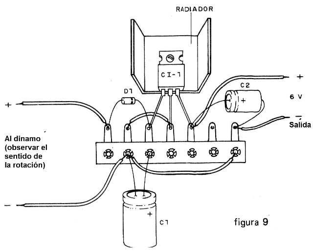
El aspecto real de este montaje en puente de terminales se muestra en la figura 9.

La finalidad del diodo y del condensador es formar un depósito de energía minimizando los efectos de las variaciones de velocidad del dínamo. El diodo evita que la energía del condensador vuelva al dínamo. En la figura 10 damos un proyecto de energía alternativa muy interesante.

Se trata de un circuito que se puede utilizar para cargar una batería de 6 o 12 V en coche o de moto a partir de un dínamo. El dínamo puede ser movido por una rueda de viento o un sistema accionado por corriente o caída de agua.
Cargada durante el día la batería se puede utilizar para alimentar una bombilla incandescente de 6 o 12 V (en coche o moto) durante la noche, o si el reproductor prefiere, su radio o grabadora.
Los lectores pueden también imaginar otros tipos de mecanismos para mover el dínamo, obteniendo así útiles fuentes de energía alternativa, principalmente los que residen en locales no servidos por la red de electricidad.



