Describimos el montaje de una radio personal de 3 transistores para la banda de ondas medias que cabe en cualquier tipo de caja. El lector podrá fácilmente llevarlo en el bolsillo, y usarlo en la escucha de estaciones más fuertes de ondas medias. La antena puede ser cualquier objeto de metal que el lector encuentre, donde conectará una garra jacaré, y la escucha será personal, en auricular tipo "cristal"
Es un proyecto interesante para los lectores que les gusta hacer experimentos con receptores de radio AM simples, de amplificación directa, para la escucha de emisoras locales.
Utilizando sólo tres transistores y pocos componentes adicionales, siendo alimentado por una pila, sólo este receptor puede montarse en una caja de reducidas dimensiones para el transporte personal, sin ocupar volumen apreciable en el bolsillo.
No usamos capacitor variable y la pila puede incluso ser del tipo miniatura de 1,5 V, menores que las del tipo AA, comúnmente usadas en las radio transistorizadas.
La sintonía se realiza ajustando la posición del bastón de ferrita en el interior de un tubo donde se enrolla la bobina. Este tipo de sintonía por "permeabilidad" permite ahorrar el capacitor variable, que es un componente que puede ofrecer dificultades de obtención.
La antena es un pedazo de hilo común con garra que prácticamente se puede conectar en cualquier objeto metálico con aislamiento del suelo tales como carros, varas de ropa, líneas telefónicas, polos neutros de tomas, etc.
Finalmente tenemos el auricular que puede ser el de cualquier radio portátil común, de baja impedancia.
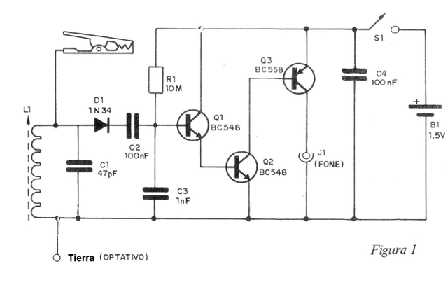
Como funciona
Como en toda radio de amplificación directa, no existen componentes para ser ajustados ni muchas etapas de amplificación.
Después de la separación de la estación deseada en el circuito de sintonía (L1 / C1) la señal es detectada por un diodo (D1) y se lleva a los transistores que funcionan como amplificadores.
Para mayor economía de componentes omitimos el control de volumen.
Los tres transistores funcionan acoplamiento directo lo que permite ahorrar al máximo los elementos de polarización y acoplamiento, que en el caso se reducen a un único resistor.
Con los tres transistores en la conexión indicada se obtiene una razonable amplificación que está cerca del producto de las ganancias de los transistores individualmente considerados.
La alimentación del circuito se puede reducir a sólo 1,5 volts de una sola pila. El circuito también funcionará con 3 V (2 pilas), pero recordamos que eso ya significa un aumento de volumen del montaje. (La sensibilidad, entre tanto, no aumenta mucho!)
La señal amplificada se lleva directamente a un auricular magnético de baja impedancia donde se produce su reproducción. El auricular debe ser obligatoriamente de baja impedancia, del tipo egoísta de radios portátiles, o incluso estéreo (con cambio en el jack de conexión) de walkman.
Montaje
En la figura 1 damos el circuito completo del radito.

En la figura 2 el diseño de la placa con los componentes, ya que para obtener un grado de miniaturización de acuerdo con la finalidad del proyecto no se recomienda la versión en puente.

Los lectores hábiles pueden, sin embargo, intentar montar una versión en puente si no hacen cuestión de tamaño.
El punto más crítico del montaje es la bobina que se enrolla en un tubo de cartón de modo que el bastón de ferrita pueda ser desplazado sin mucha holgura en su interior.
Esta bobina, como muestra la figura 3, consta de 80 a 100 vueltas de hilo esmaltado cuyo espesor puede quedar entre 28 y 32 AWG.

Nuestra sugerencia es que, antes de hacer la placa el lector consiga el bastón de ferrita. Después, en función de su tamaño (si es muy grande, romperlo con cuidado de modo que quede con un máximo de 5 cm de longitud) arreglar el tubo y enrollar la bobina, proyectando entonces la placa de acuerdo (perforándola).
Para sujetar la pila, existen dos posibilidades: el lector puede soldar directamente los hilos de conexión, si no tiene otra alternativa, o bien hacer dos abrazaderas con pedazos de metal doblado. Si consigue pilas menores que las del tipo AA, puede utilizarlas.
Los transistores se pueden sustituir por equivalentes. Para el BC558 puede utilizar el BC557, BC307, BC308 u otro. Para los BC548 puede utilizar el BC547, BC237, BC238, etc.
El diodo debe ser de germanio siendo los más comunes el 1N34, 1N60 o 1N54.
El gato debe ser de acuerdo con el auricular usado, y los capacitores cerámicos del tamaño más pequeño que se encuentre.
El interruptor general (que puede ser eliminado) es del tipo para ser soldado en la propia placa de circuito impreso.
Para la antena, utilice un pedazo de hilo de hasta 1 metro con una garra de cocodrilo en la punta.
Prueba y uso
Terminando el montaje, encaje el núcleo de la bobina en el tubo y coloque la pila en el soporte.
Conecte la garra del cocodrilo en el polo neutro de la toma, o cualquier objeto metálico que pueda servir de antena. Si no lo tiene, utilice un cable extendido de 6 a 10 metros como antena.
Conectando la llave general y colocando el auricular en el oído, el reproductor ya podrá escuchar alguna estación.
Si no oye nada, ajuste el bastón de ferrita hasta que capte las estaciones más fuertes.
Para cambiar la pista de captura de las estaciones, intente cambiar de valor C1.
Si desea mayor sensibilidad o tiene dificultades para captar estaciones en su localidad por ser débil, el lector podrá hacer uso del hilo de tierra.
A continuación, conecte un pequeño pedazo de hilo adicional en el punto indicado en el diagrama y sujete con las manos este cable.
El simple hecho de que usted sostenga un hilo tierra y estira, la antena ya permite que su cuerpo actúe como tierra y la recepción mejora considerablemente.
Verificando las mejores condiciones de funcionamiento, el lector sabrá en cada momento cómo captar sus estaciones preferidas.
Q1, Q2 - BC548 o equivalentes - transistores
Q3 - BC558 o equivalente de transistor
D1 - 1N34 - diodo de germanio
L1 - Bobina - ver el texto
C1 - 47 pF - capacitor de cerámica (véase el texto)
C2 - 100 nf - capacitor de cerámica
C3 - 1 nF - capacitor de cerámica
C4 - 100 nf - capacitor cerámico
F1 - Auriculares de baja impedancia
B1 - 1,5 V - pila común AA
R1 - 10 M - resistor (marrón, negro, azul)
Varios: placa de circuito impreso, hilos, garra jacaré, etc.



