Describimos un circuito sensor de aproximación o de presencia del tipo capacitivo que funciona con circuitos CMOS digital de gran sensibilidad. El circuito se puede utilizar en sistemas de alarma o control.
Describimos el montaje de una sensible clave de aproximación que dispara por la simple aproximación de una persona de un sensor.
El circuito es muy sensible, pudiendo ser utilizados en alarmas y su acción es biestable, o sea, con la aproximación se enciende y traba y con nueva aproximación se apaga.
En la salida tenemos un relé que permite controlar cargas de potencia.
En la condición de espera con el relé desenergizado el consumo del aparato es muy bajo.
Como funciona
En la figura 1 tenemos un diagrama de bloques que representa el aparato.

El primer bloque consiste en un oscilador que opera a una frecuencia de alrededor de 400 Hz.
Este oscilador es elaborado alrededor de una puerta NAND del 4092 siendo usada una segunda puerta como amplificador digital.
La señal de este oscilador se aplica a un circuito detector formado por los diodos D1 y D2.
Entre los dos queda una placa sensora que afecta la intensidad de la señal cuando un objeto se acerca a ella, dada su capacidad.
De esta forma, la aproximación de un objeto o persona disminuye la intensidad de la señal que se aplica al amplificador formado por el operacional CA3140.
Este amplificador funciona como un comparador que mantiene su salida en presencia de una señal enviada por el detector.
La salida de este amplificador sirve para disparar el flip-flop formado por el 4013.
Si la señal tiene su intensidad alterada, el comparador detecta esta situación y cambia de estado, disparando así el flip-flop.
En la salida del flip-flop tenemos un transistor que acciona un relé capaz de controlar cargas de mayor potencia.
Montaje
En la figura 2 tenemos el diagrama del aparato sin la fuente de alimentación.

El montaje se puede realizar en una placa de circuito impreso con el patrón mostrado en la figura 3.

Esta placa prevé la utilización de relés DIL.
Si se utilizan relés con bases diferentes, se debe cambiar el diseño de la tarjeta.
El sensor consiste en una plaquita de metal de 5 x 5 cm a 10 x 10 cm, conectada al circuito por cable muy corto.
Los capacitores pueden ser cerámicos o de poliéster y los resistores son de 1/8 W.
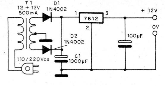
En la figura 4 tenemos una fuente de alimentación para el circuito.

Una aplicación práctica interesante es un sensor de presencia con la placa sensora colocada debajo de una alfombra en la entrada de una habitación.
En la figura 5 mostramos cómo hacerlo, recordando que la placa debe tener algún aislamiento por debajo.

Otra posibilidad interesante consiste en hacer la operación monoestable o temporizada en que, a partir del disparo, el relé quedará accionado por cierto intervalo de tiempo.
El circuito se muestra en la figura 6 y el tiempo depende de la resistencia y el capacitor conectados a los pines 6 y 7.

Prueba y uso
Para probar y utilizar, conecte el aparato y ajuste P1 hasta un punto un poco antes de obtener el disparo del relé.
El disparo puede ser percibido por el ligero estallido que él da en estas condiciones.
Aproxime su mano del sensor y vaya ajustando el circuito hasta obtener el punto de mayor sensibilidad.
Constatada su operación normal, es sólo hacer su instalación definitiva, conectando al relé el dispositivo que debe ser accionado.
CI-1 - 4093 - circuito integrado CMOS
CI-2 - CA3140 - amplificador operativo
CI-3 - 4013 - circuito integrado CMOS
Q1 - BC548 - transistores NPN de uso general
D1, D2, D3- 1N4148 - diodos de silicio de uso general
R1, R3, R6 - 10 k ohms - resistores - marrón, negro, naranja
R2 - 1 M ohms - resistor - marrón, negro, verde
R4 - 120 k ohms - resistor - marrón, rojo, amarillo
R5 - 100 k ohms - resistor - marrón, negro, amarillo
P1 - 100 k ohms - trimpot
C1 - 1 nF - capacitor de cerámica
C2 - 100 pF - capacitor de cerámica
C3, C5 -100 nF - capacitor de cerámica o poliéster
C4 - 47 pF - capacitor de cerámica
C6 - 470 uF - electrolítico para 16 V o más
X1 - sensor
K1 - Relé de 12 V con bobina de 50 a 100 mA
Varios:
Placa de circuito impreso, caja para montaje, material para la fuente de alimentación, hilos, soldadura, etc.



