Los sistemas estroboscópicos usados en bailes, decoración y eventos utilizan lámparas de xenón. Podemos montar una versión económica con una bombilla incandescente común para algunas aplicaciones más simples. Es justamente la construcción de esta lámpara que describimos en este artículo.
Los pulsos rápidos de una lámpara de xenón tienen efectos bastante fuertes en fiestas, eventos, vitrinas, etc.
Sin embargo, las lámparas de xenón son más caras y sus circuitos de accionamiento más complejos.
Describimos una solución alternativa simple que hace uso de una lámpara incandescente común y que puede montarse en una cajita como la mostrada en la figura 1.

Las lámparas pueden ser de 5 a 100 W y el circuito produce intermitentes que se pueden ajustar en un rango de menos de 1 por segundo a cerca de 5 por segundo.
La inercia del filamento de las bombillas incandescente comunes dificulta la aplicación del circuito en frecuencias más altas.
El circuito funciona tanto en la red de 110 V como 220 V y no deben utilizarse lámparas de otros tipos.
Como funciona
La base del proyecto es un oscilador de relajación que hace uso de una lámpara de neón.
La configuración básica de este circuito se muestra en la figura 2.

En este circuito, el capacitor se carga lentamente a través del resistor hasta alcanzar la tensión de disparo de la lámpara, alrededor de 80 V.
En este punto, la lámpara conduce intensamente a la corriente y con ello el condensador se descarga.
La descarga se produce hasta un valor denominado tensión de mantenimiento, cuando entonces la lámpara deja de conducir y el capacitor vuelve a cargarse.
De esta forma, mientras haya alimentación, el capacitor pase por ciclos de carga y descarga, produciendo una señal cuya forma de onda es diente de sierra, como mostramos en la figura.
Con valores apropiados de componentes, podemos producir pulsos que son llevados a un SCR que tiene por carga la lámpara.
Ocurre, sin embargo, que el SCR es un dispositivo que controla sólo la corriente en un sentido.
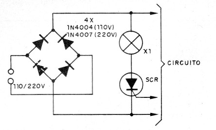
Para tener el control de los dos ciclos de la tensión de la red de energía necesitamos un circuito adicional que consiste en un puente de diodos o puente de Graetz.
Tenemos entonces el circuito de control para la lámpara mostrada en la figura 3.

A continuación, conectando el oscilador de relajación del SCR en este circuito, tendremos pulsos de corta duración aplicados a la lámpara que la harán parpadear en la frecuencia deseada.
El tipo de circuito presentado sólo funciona con lámparas incandescentes.
No se utilizar otros tipos de lámparas.
Montaje
En la figura 4 tenemos el circuito completo del aparato.

Como se utilizan pocos componentes, el montaje puede ser realizado en un pequeño puente de terminales, como muestra la figura 5.

El SCR tiene sufijo B o D si la red es de 110 V y sufijo D si la red es de 220 V.
Este componente debe estar dotado de un pequeño radiador de calor que consiste en una placa metálica atornillada en su envoltura.
La lámpara de neón es común y los resistores de 1/8 W.
Prueba y uso
Sólo tienes que conectar el aparato a la red de alimentación y comprobar que los intermitentes se produzcan en la frecuencia deseada.
Deseando un control de frecuencia, conecte en serie cm R1 un potenciómetro de 100 k.
Para modificar la frecuencia de los intermitentes, cambie R1 y si desea cambiar la duración, cambie R2.
Instale un aparato en una caja de plástico o metal, ya que está conectado a la red de energía no debe quedar con partes expuestas.
SCR - TIC106B o D - ver texto
D1 - 1N4004 (110 V) o 1N4007 (220 V) - diodo rectificador
NE-1 - Lámpara neón NE-2H o equivalente
X1 - 5 a 100 W - lámpara incandescente
R1 - 100 k ohms x 1/8 W - resistor - marrón, negro, amarillo
R2 - 47 k ohms x 1/8 W - resistor - amarillo, violeta, naranja
R3 - 10 k ohms x 1/8 W - resistor - marrón, negro, naranja
C1 - 220 nF - capacitor de poliéster de 100 V o más
Varios:
Puente de terminales, cable de fuerza, zócalo para la lámpara, hilos, soldadura, etc.



