Este instrumento mide resistencias y verifica la continuidad de componentes con gran eficiencia. Un pequeño auxiliar del montador que tiene dudas en relación a sus circuitos y componentes.

Nota: este artículo se publicó originalmente en un libro de 1983 en el que la placa de circuito impreso para el montaje de este circuito y de otros fue dada como brindis. En la edición, el autor Newton C. Braga utilizó pseudónimo.

Nada peor para el montador principiante e inexperto que tener un componente en las manos y no saber cómo probarlo o no tener medios para ello. Arriesgando a hacer un montaje y no funciona, el montador está en una situación desagradable a menos que tenga un probador en su banco.
Lo que les proponemos en este artículo es justamente un probador-ohmímetro, un instrumento muy simple, pero muy eficiente que sirve para medir pequeñas resistencias y también hacer la prueba de continuidad de componentes.
Este instrumento funciona con sólo dos pilas, por lo tanto es totalmente portátil, pudiendo ser instalado en una pequeña caja como sugiere la figura 1.

La prueba es simple: basta con colocar las puntas de prueba en el componente o circuito sospechoso y ver lo que sucede con el puntero del instrumento.
Conforme el tipo de componente utilizado la reacción del puntero del instrumento debe ser diferente, en la indicación de su estado bueno.
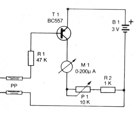
Como funciona
el principio de funcionamiento de este instrumento es muy simple. Un transistor PNP se utiliza como amplificador de corriente continua, teniendo en su colector un instrumento medidor de corriente (figura 2)

La señal que hace el transistor conduce la corriente viene de su base, siendo, por lo tanto, amplificado. Esto quiere decir que las puntas de prueba conectadas en la base del transistor funcionan con corrientes muy bajas, no teniendo ningún peligro de daño para los componentes o circuitos que se están probando.

Este transistor como amplificador permite también un aumento de la sensibilidad del probador que puede acusar el paso de corrientes muy débiles por los componentes en prueba.
Un potenciómetro conectado en serie con el instrumento permite ajustar el punto máximo. o fondo de escala del instrumento.
No es necesario utilizar interruptor para este probador, pues estando las puntas de prueba separadas el consumo de energía es prácticamente nulo.
El instrumento utilizado en este probador es un VU de un equipo de sonido de bajo costo. Estos instrumentos se pueden encontrar con facilidad en las casas especializadas a un costo muy inferior al de un instrumento listo. Hay la opción del lector de usar otros tipos de instrumentos tales como los miliamperímetros de 1 mA de fondo de escala.
Montaje
El circuito completo del probador ohmímetro se da en la figura 3.

Sugerimos a los lectores que tengan dificultades en la obtención de componentes que consulten la sección al final de esta edición que trata de las equivalencias posibles y sustituciones.
El probador será montado en la placa universal que damos como regalo en esta edición. Si el reproductor ya ha utilizado esta tarjeta en otro montaje, debe proporcionar una copia.
La disposición de los componentes en la placa de circuito impreso se muestra en la figura 4.

Mucho cuidado será necesario durante el proceso de montaje, siendo dadas algunas recomendaciones a seguir.
a) Véase bien la posición del transistor al hacer su soldadura, pues si se invierte el aparato no funcionará.
b) El instrumento M1 se conecta al circuito por dos hilos flexibles. Es importante observar la polaridad de conexión de este instrumento. Su polo positivo, marcado en la carcasa, será conectado al colector del transistor T1.
c) Los resistores tienen sus valores dados por las bandas que deben ser confrontadas con la lista de materiales.
d) El potenciómetro de ajuste debe conectarse al circuito por medio de dos pedazos de hilo de unos 10 cm. Este potenciómetro debe tener su eje cortado en la longitud apropiada e instalado en el panel de la caja.
e) La conexión de las puntas de prueba debe tener polaridad observada. Estas puntas de prueba se pueden adquirir listas y para su conexión se pueden utilizar los postes como en los instrumentos profesionales.
f) En la conexión de la batería, es decir, del soporte de las pilas, es necesario tener cuidado con la polaridad. El hilo rojo es el polo positivo y el negro es polo negativo.
Terminadas las conexiones de los componentes, complete el montaje colocando todo en la caja.
Para probar el aparato vea el siguiente elemento.
Prueba
Coloque las pilas en el soporte y apoye una punta de prueba en la otra. La aguja del instrumento debe moverse hacia la derecha. Si la aguja se mueve hacia la izquierda es porque usted ha invertido las conexiones de M1. Rehacer esta conexión.
Ajuste el potenciómetro P1 con las puntas de prueba unidas para que la aguja del instrumento vaya hasta el final de la escala. (figura 5)

Si esto no se logra, es decir, el puntero no llega al final de la escala, reduzca el valor de R2. Si en el máximo del ajuste el puntero queda más allá del final y no vuelve, aumente el valor del P1, cambiándolo por uno de 22 k o incluso 47 k.
Si con las puntas separadas el puntero continúa más allá del final de la escala es porque el transistor usado está defectuoso debiendo ser cambiado.
Uso
Para probar cualquier componente basta colocar las puntas de prueba en sus terminales, siempre con el cuidado de antes unir las puntas de prueba y ajustar el puntero del instrumento al final de la escala.
Una deflexión de media escala indica una resistencia del orden de 47 k.
Posibles fallas:
Si nada sucede con su instrumento al unir las puntas de prueba, el lector debe comprobar:
a) la posición del transistor
b) la polaridad y el estado de las pilas
c) la continuidad del instrumento
d) los valores de los resistores
e) el estado de PI.
T1 - BC557 o equivalente - transistores PNP
M1 - VU meter de 200 uA
P1 - 10 k - potenciómetro común
B1 - 3 V - 2 pilas pequeñas
PP - extremidades de prueba
R1 - 47 k x ¼ W - resistencia (amarillo, violeta, naranja)
R2 - 1 k x ¼ W - resistor (marrón, negro, rojo)
Placa de circuito impreso universal
Soporte para dos pilas pequeñas
Caja de montaje
1 metro de alambre
Botón para el pote
soldadura



