Los comparadores de ventana o comparadores de límite, como también se llaman, se utilizan para monitorear cuando una tensión de entrada está dentro de una pista pre-ajustada. La salida normalmente se mantiene en el nivel alto cuando la tensión de entrada está en la banda ajustada y en el nivel bajo cuando la tensión de entrada sale de la pista predeterminada.
Si las tensiones de referencia, que determinan el rango de actuación del circuito, se derivan de un mismo divisor con resistores, una característica de histéresis no puede ser obtenida sin que influya en los niveles de excursión del circuito.
Si las tensiones de referencia se derivan de forma independiente, pueden hacer que la ventana se extienda o incluso desaparezca.
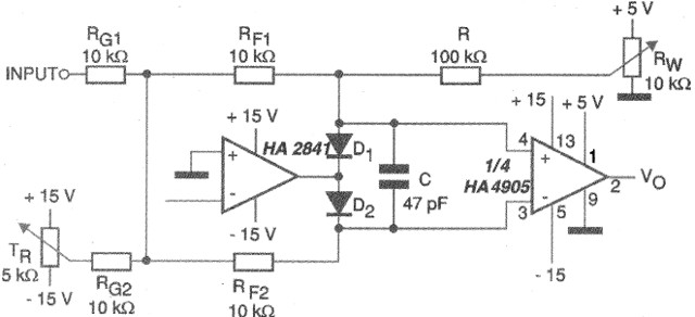
El circuito mostrado en la figura 1 rodea estos problemas, con ajustes independientes de excursión y apertura de la ventana.

El circuito utilizado es el HA2841, un amplificador operacional de National Semiconductor que se caracteriza por su alta velocidad y baja corriente de entrada.
Este circuito agrega la tensión de entrada a la tensión desarrollada por Rt.
El ancho de la ventana Rw se suma a la salida del amplificador operacional como una tensión offset.
El amplificador operacional tiene dos circuitos de realimentación que contiene los diodos D1 y D2.
La alta ganancia en lazo abierto del amplificador asegura que siempre uno de los dos diodos esté polarizado en el sentido directo, independientemente de que Rw proporcione la corriente de retroalimentación, así cuando la suma de las tensiones de entrada (lazo cerrado y ésta) y Irw pasa por cero, la corriente que circula cambia de un diodo a otro.
La salida del comparador siente la polaridad de la conmutación a través del diodo y la salida del comparador cambia.
El comparador HA4905 tiene entradas que pueden funcionar con fuentes de 15, así que la excursión de tensión de entrada puede ser casada con la excursión de la tensión de salida.
Aunque la sección de entrada del HA4905 sea alimentada con 15 V, la sección de salida puede ser conectada del +5 V a la tierra, lo que posibilita la obtención de salida compatible con la lógica TTL.
Rt fijas a punto de excursión en cualquier valor entre las tensiones de alimentación y Rw ajusta la ventana en cero, cuando la tensión del cursor es cero hasta aproximadamente el 90% del recorrido de entrada.
El ajuste del punto de recorrido se debe hacer antes para la pista deseada y entonces la ventana se puede ajustar.
Los ajustes no interactúan.



