Este artículo forma parte de un libro que publicamos en 1995 y que se puede descargar gratuitamente desde nuestro sitio. En él tenemos conceptos básicos sobre la radio analógica, con informaciones para reparadores, estudiosos y recuperadores de aparatos antiguos. Parte 1 en ART419S y Parte 2 en ART420S.
Las transmisiones de las bandas de ondas medias y cortas de la forma tradicional están con los días contados. La radio digital debe tomar lugar a la radio analógica y tendremos una nueva modalidad de comunicaciones. Los radios antiguos están condenados, pues no tendrán más señales para recibir. Sin embargo, este libro tiene un valor histórico, pues además de servir para mostrar cómo funcionaban los radios del siglo XX e inicio del siglo XXI también sirve para los que desean recuperar una radio antigua e incluso montar una con finalidad experimental o didáctica. Y para éstos, cuando las señales de las estaciones ya no están disponibles, tenemos en nuestro sitio decenas de proyectos de transmisores de AM que pueden hacer las veces de estaciones caseras o experimentales, produciendo las señales que estas radios pueden recibir. Es claro que, a partir de la fecha en que republicamos este libro, todavía debe tardar mucho tiempo hasta que ya no existan estaciones de AM operando.
Preamplificador de audio
Las señales obtenidas del diodo detector todavía no tienen suficiente intensidad para proporcionar un buen sonido en un altavoz que necesita ser amplificado un mayor número de veces.
Como ahora esta señal es de baja frecuencia, es decir, audio, su amplificación debe ser hecha por etapas de audio. Entonces, el primer paso preamplificador de audio, mostrado en la figura 1 que realiza esta función.

Aquí tenemos un transistor de baja frecuencia y también de baja potencia que recibe por medio de un condensador la señal que viene del control de volumen de la radio.
En el transistor tenemos varios otros componentes de polarización y desacoplamiento que son capacitores y resistores.
La señal amplificada extraída del colector del transistor se transfiere a la siguiente etapa mediante un transformador. Como esta etapa tiene por función "empujar" la señal al paso final el transformador en cuestión se denomina "impulsor" o "controlador".
Se trata de un transformador muy pequeño en los radios transistorizados modernos que tienen bobinas que tienen impedancias según la salida de la etapa preamplificadora o impulsora y según la entrada de la etapa siguiente de modo que haya el máximo de rendimiento en la transferencia de energía de una para otra.
En los radios que usan válvulas el paso de la señal al paso siguiente puede ser hecho de la manera convencional por medio de un condensador ya que en este caso las características de estos componentes permiten que eso sea hecho.
Incluso en algunos tipos de radios transistorizados más modernos puede haber la falta de los transformadores de controlador, ya que las señales se llevan directamente 'de un paso a otro.
Diversos son los problemas que pueden presentar en funcionamiento los componentes de esta etapa. Uno de ellos consiste en la quema del transistor que entonces dejará de amplificar las señales. En este caso la radio permanece es totalmente silencioso.
Otra posibilidad consiste en la interrupción de las espiras del transformador impulsor ya sea por problemas eléctricos o por acción de corrosión. En este caso la señal tampoco podrá pasar de una etapa a otra y la radio permanecerá completamente silenciosa.
En otros casos puede ocurrir el fallo de los componentes de polarización del transistor en caso de que la señal aún pueda pasar al paso siguiente pero de modo deficiente ocurriendo entonces distorsiones que perjudican la calidad del sonido.
En la sustitución del transistor usado en esta etapa ya no es tan importante la utilización del mismo tipo pues no se trata de función crítica. El lector puede perfectamente utilizar los equivalentes desde que realmente se permiten. Consulte con este fin un buen manual.
Un punto importante que debe ser observado en el intercambio de transistores por equivalentes, y eso para cualquier etapa de una radio, es el tipo. Existen radios que llevan transistores PNP y otros NPN en las mismas funciones. Esta polaridad se determina por el modo en que la batería se conecta al circuito y el cambio de un transistor de un tipo por otro en una determinada función no es posible.
Salida de audio
La señal obtenida tras la amplificación en el paso anterior aún no es lo suficientemente fuerte para excitar un altavoz. Una amplificación adicional y final es dada por esta etapa que estudiamos ahora que es el paso de salida de audio.
Es de esta etapa que depende toda la potencia de sonido de la radio básicamente de modo que es común tener no sólo un transistor en operación en la misma sino dos.
En la figura 2 tenemos entonces una etapa típica de salida de radio del tipo "push-pull" que lleva dos transistores iguales.

Los dos transistores reciben la señal de la etapa anterior por el transformador impulsor que presenta características particulares. Esta característica consiste en separar la señal en dos partes en vista de la toma central de su bobinado enviando cada mitad a uno de los transistores que la amplifica por separado.
Con ello se puede obtener mucho más de potencia que un solo transistor podría dar "dividiendo" el servicio.
Es claro que, para haber un perfecto funcionamiento del circuito los transistores deben presentar exactamente la misma amplificación. Para este paso se escogen con mucho cuidado transistores de la misma ganancia, denominados "pares casados". Esto es necesario, ya que incluso para un determinado tipo de transistores se verificará con cuidado habrá una gama muy grande de ganancias. En un puñado de BC107 o BC547 por ejemplo, podemos encontrar transistores con ganancias que varían entre 125 y 500!
En la salida de esta etapa tenemos el transformador que lleva las señales amplificadas directamente al altavoz. Este transformador de salida tiene las mismas características del transformador impulsor en lo que se refiere a la derivación en el devanado.
Como debe llevar al altavoz las señales de dos transistores tiene una derivación central que prácticamente lo divide en dos de modo que cada mitad recibe la señal de un transistor. Las señales reunidas que dan la potencia total de la radio se transfieren a la bobina siguiente que se conecta al altavoz.
El enrollamiento primario de este transformador presenta características que combinan con las salidas de los transistores, normalmente impedancias entre 50 y 1 000 ohmios y el devanado secundario tiene la misma impedancia del altavoz, normalmente de 8 ohms.
La etapa en push-pull que vimos puede utilizar tanto transistores PNP como NPN y su principal característica es la de proporcionar una potencia entre 0,05 W y 2 W con buena calidad de sonido, siendo por este motivo utilizada en la mayoría de los radios portátiles.
En los casos en que las potencias superan los 0,5 W, los transistores en operación pueden sufrir un cierto calentamiento que necesita, por lo tanto, de dispositivos de ventilación. Estos dispositivos son los "disipadores" de calor que nada más son que aletas o piezas metálicas como muestra la figura 86 que aumentan la superficie de contacto del transistor con el aire facilitando así la transferencia al mismo del calor generado.
En los radios a la válvula tenemos varias posibilidades para esta etapa.
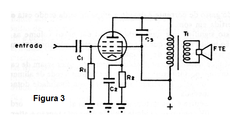
La más común en los radios antiguos es la utilización de una sola válvula pentodo como muestra la figura 3 conectada a un transformador de salida con esta configuración se pueden conseguir potencias del orden de 1 o 2 W con facilidad.

Sin embargo, ve que las válvulas presentan impedancias mucho más altas que los transistores del transformador de salida utilizado en este caso tienen una impedancia de primario de 2 500 a 10 000 ohms y un secundario de acuerdo con el altavoz usado, o sea, 4 o 8 ohms.
En algunos tipos de radios antiguas de gran potencia de salida (por encima de 5 W) en que la parte amplificadora del circuito también se utilizaba como entrada para un tocadiscos, se pueden encontrar en la salida dos válvulas pentodo conectadas en push-pull del mismo, de modo que en el caso de las radios transistorizadas.
Aquí, sin embargo, los transformadores de salida e impulsor no son pequeños como en los radios transistorizados en vista de la potencia con que deben trabajar y también, por las tensiones de las válvulas. Se trata entonces de componentes pesados que pueden quemarse con cierta facilidad.
Cuando uno de los transistores o una de las válvulas de salida presenta problemas como por ejemplo la quema, lo que ocurre es un aumento de la distorsión del sonido y al mismo tiempo una reducción de su volumen.
En el cambio de uno de los transistores de salida, sin embargo, en caso de quema no se debe dejar el otro pero sustituir el par, eso para asegurarse de que haya igualdad de ganancia en la etapa. las tiendas de componentes electrónicos venden para este propósito pares de transistores casados que son especialmente usados en la salida de radios transistorizados.
La fuente de alimentación
Los transistores y las válvulas necesitan para funcionar de energía y esta energía debe provenir de una fuente externa. En las radios portátiles esta fuente consiste en un juego de pilas o batería que debe proporcionar la tensión que el circuito precisa bajo una intensidad de corriente de acuerdo con el volumen dado al final.
Así, tenemos las radios de pequeñas dimensiones de bajo consumo y también pequeña potencia que son alimentados por 2 pilas pequeñas.
Para mayor intensidad de sonido tenemos los radios que son alimentados por 4 pilas pequeñas y medianas, y finalmente las radios de mayor volumen son alimentadas por 4 o 6 pilas medianas o grandes.
Es importante que el lector note que el consumo de energía de una radio es proporcional al volumen del sonido que proporciona, pues cerca de 80º / o del gasto de corriente es debido al paso de salida siendo esta energía convertida en sonido.
Esto significa que en una radio conectada a bajo volumen las pilas durarán mucho más que si se utilizan en una radio que constantemente se enciende en su máximo de volumen.
Muchas radios transistorizadas, sin embargo, ya sea de cabecera o incluso portátil, también pueden conectarse a la red de alimentación doméstica, es decir, a la toma de corriente para este propósito dotados de circuitos especiales.
Lo que ocurre es que en la toma tenemos una alta tensión del orden de 110 V o 220 V conforme a la ciudad y aún más esta tensión es alternada, o sea, invierte constantemente de sentido o de polaridad no sirviendo para alimentar circuitos electrónicos de radios. Los radios deben ser alimentados por de bajas tensiones entre 3 y 12 V continuos mientras que si la válvula necesita de 80 a 500 V también continuos en los circuitos electrónicos.
Para convertir la tensión alternante de la red en tensión continua, los radios que pueden ser conectados en las tomas poseen un circuito de fuente de alimentación que está formado por diversos componentes que estudiamos a continuación.
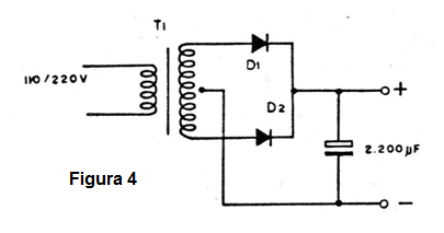
En la figura 4 tenemos entonces un circuito de fuente de alimentación usado en un radio portátil común que también puede ser alimentado por la toma.

El primer componente es el transformador que, como ya hemos visto, tiene la capacidad de alterar las tensiones, llevando el valor elevado de 110 V o 220 V para un valor menor según las necesidades de la radio, es decir, 3, 6 o 9 V.
Pero, el transformador sólo trabaja con corriente alterna y aún proporciona en su salida una tensión alternada lo que significa que no basta el transformador para poder alimentar por la red una radio de menor tensión.
Para convertir la tensión alternada disponible en el transformador tenemos dos diodos rectificadores. Estos diodos trabajan de manera similar a los transistores en las etapas push-pull que hemos visto, dividiendo el trabajo de rectificar la corriente que viene del transformador el cual también está dotado de una toma central.
Este proceso de rectificación recibe la denominación de "onda completa".
La tensión obtenida en la salida de los diodos ya es continua pero presenta algunas irregularidades que impiden aún su utilización inmediata en la alimentación de una radio. Esta corriente no está filtrada produciendo ronquidos y ruidos si se utiliza en un aparato de sonido como un amplificador o una radio.
Para filtrar esta corriente se utiliza un capacitor electrolítico de gran valor que funciona como un depósito de energía amortiguando o aplanando todas las irregularidades de la corriente que viene del diodo.
En los radios comunes este condensador tiene valores entre 1 000 y 2 200 uF para no haber ruido ni ronco en el altavoz. La quema de este componente o su retirada hace que los radios presenten un fuerte ronco en el altavoz cuando están conectados.
La corriente obtenida después del condensador ya sirve para alimentar la radio pudiendo entonces ser llevada a él. Una llave permite cambiar la alimentación de las pilas por la alimentación de estas fuentes.
En muchos casos en que las radios se convierten en "gastones" de las pilas los propietarios pueden adaptar fuentes externas de alimentación para utilizar la energía de la red doméstica que es mucho más barata que las pilas. Esta adaptación puede ser fácilmente hecha a partir de los denominados "eliminadores de pilas" que no son más que fuentes de alimentación conforme a las que hemos visto, diseñadas para proporcionar diversas tensiones según la radio que deben alimentar.
En la figura 5 tenemos un ejemplo de eliminador de pilas que debe tener exactamente la tensión que la radio necesita. Si su radio es de 2 pilas, el eliminador debe suministrar 3 V; Si utiliza 4 pilas debe suministrar 6 V y utilizar 6 pilas debe proporcionar 9 V.

La corriente que la fuente suministra también es importante pues debe ser ésta siempre mayor que la corriente máxima de la radio.
En el caso de que la fuente pueda suministrar más corriente que la radio precisa, eso significa una operación con holgura ya que la corriente consumida no es determinada por la fuente sino por el aparato conectado, no por lo que hay peligro de sobrecarga.



