El circuito inversor presentado en la figura 1 proporciona una tensión del orden de 110 V con forma de onda rectangular con ligera distorsión que en cierto modo la aproxima de una forma senoidal y la frecuencia está en torno a 60 Hz.

La potencia es del orden de 20 W, dependiendo del rendimiento del transformador usado, lo que hace que el circuito interesante en la alimentación de dispositivos que no sean sensibles a la forma de onda de entrada tales como barberos, lámparas incandescentes, etc.
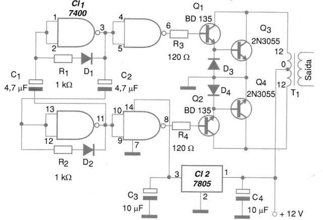
Los transistores de potencia deben estar dotados de radiadores de calor. El transformador tiene secundario de 12 + 12 V con una corriente de 3 A. Transformadores con corrientes más pequeñas pueden ser usados ??pero tendremos una potencia menor de salida también.
El circuito integrado TTL oscilador debe ser alimentado con 5 V, tensión esta que es suministrada por un regulador 7805. Como sólo un CI es alimentado no será necesario usar disipador en el regulador. Las pistas recorridas por las corrientes más intensas deben ser más anchas.
Los transistores de potencia 2N3055 deben montarse en buenos radiadores de calor, preferiblemente del lado externo de la caja que alojará el conjunto.
Semiconductores:
CI-1 - 7400 - circuito integrado TTL
CI-2 - 7805 - regulador de tensión de 5 V
Q1, Q2 - BD135 - transistores NPN de media potencia
Q3, Q4 - 2N3055 - transistores NPN de potencia
D1, D2 - 1N4148 - diodos de silicio
Resistores: (1/8 W, 5%)
R1, R2 - 1 k ohms
R3, R4 - 120 ohms
C1, C2 - 4,7 uF x 12 V - electrolíticos
C3, C4 - 10 uF x 16 V - electrolíticos
Varios:
T1 - Transformador - ver texto
Placa de circuito impreso, hilos, soldadura, radiadores de calor, etc.



