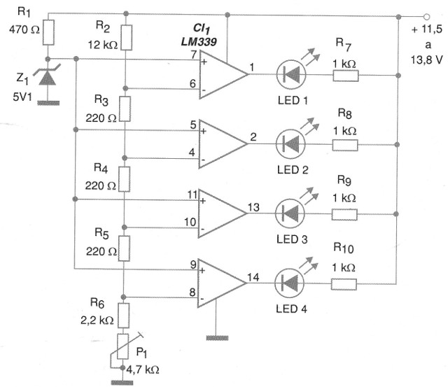
Las baterías de plomo-ácido se utilizan como fuente alternativa de energía e incluso la fuente principal en muchos equipos de uso industrial y otras aplicaciones. La monitorización del estado de una batería de este tipo puede ser hecha con la ayuda de un circuito simple que hace uso de LED, como el mostrado en la figura 1.

En él, los cuatro comparadores de tensión de un circuito integrado LM339 se configuran para activar una escala de 4 LED en cuatro tensiones diferentes, determinadas por el ajuste del trimpot.
Los puntos de disparo de cada comparador se determinan mediante un diodo zener de referencia Con una tensión de 12,7 V o más en el circuito, los cuatro LED están encendidos, indicando la batería cargada. Los pasos de accionamiento del circuito son de aproximadamente 0,3 V, lo que significa que, con menos de 11,7 V, los cuatro LED están apagados. Los valores de las resistencias de la escala de referencia se pueden cambiar para modificar esta escala. Por ejemplo, resistencias de 470 ohms resultará en pasos de aproximadamente 600 mV.
El único ajuste del circuito es en P1 para que los 4 LED se encienden cuando la tensión aplicada al circuito es de 12,7 V.
Semiconductores:
CI-1 - LM339 - circuito integrado
Z1 - 5,1 V x 400 mW - diodo zener
LED1 a LED4 - LEDs comunes
Resistores: (1/8 W, 5%)
R1 - 470 ohms
R2 - 12 k ohms
R3, R4, R5 - 220 ohms
R6 - 2,2 k ohms
R7, R8, R9, R10 - 1 k ohms
P1 - 4,7 k ohms - trimpot
Varios:
Placa de circuito impreso, hilos, soldadura, etc.



