Usted puede hacer algunas bromas interesantes con este aparato que acusa pequeñas variaciones de la resistencia de la piel, las cuales ocurren cuando la persona mente y por lo tanto se pone nerviosa. El mismo principio utilizado en los detectores de verdad.

El funcionamiento de un detector de mentiras como éste no depende sólo del aparato en sí, sino también de la habilidad del operador que debe preparar al interrogado para creer en su eficiencia. Con eso, las pequeñas variaciones de la resistencia eléctrica de la piel que ocurren cuando hay un cambio de estado nervioso, en una mentira, por ejemplo, son acusadas por el instrumento.
Pero, el aparato que proponemos al lector tiene mucho más una finalidad recreativa de modo que las preguntas y las interpretaciones de los movimientos de la aguja del instrumento quedan por cuenta de cada lector.
El instrumento es bastante simple y funciona con sólo dos pilas comunes lo que quiere decir que es totalmente portátil. Muy simple de montar y usar pocos componentes lo divertirá bastante.
Como funciona
Como hablamos en la introducción, cuando una persona mora y se ve ante la tensión de un interrogatorio, pequeñas variaciones de la resistencia de su piel pueden ocurrir. Estas pequeñas variaciones son acusadas por el instrumento que describimos en este artículo.
Tenemos entonces dos transistores que amplifican las pequeñas variaciones de corriente debidas a la variación de la resistencia de la piel, obteniéndose entonces una corriente mucho más intensa que puede accionar el instrumento. (figura 1)

Los electrodos que pueden ser dos puntas de prueba o dos chapas de metal en las que la persona apoya las manos se conectan a la base del primer transistor. El emisor de este primer transistor se conecta a la base del segundo obteniendo un paso. Darlington de gran amplificación.
En el colector del segundo transistor será conectado el instrumento que acusan las variaciones de la resistencia. Este instrumento es un VU común de bajo costo ya que lo que interesa en nuestro caso no es la escala sino el movimiento de la aguja.
Para encontrar el punto de funcionamiento ideal del aparato, conforme la resistencia normal de la piel de cada uno existe un ajuste.
Este ajuste y un potenciómetro común P1 que equilibra la posición de la aguja del instrumento.
La alimentación del circuito viene de dos pilas comunes y su consumo de energía es bastante bajo, de ahí la eliminación del interruptor general.
En la figura 2 damos una sugerencia de electrodo que se puede hacer con una placa de circuito impreso. Esta placa será cortada en dos y fijada cada parte en una base de madera en la cual el interrogado apoyará las manos.

Montaje
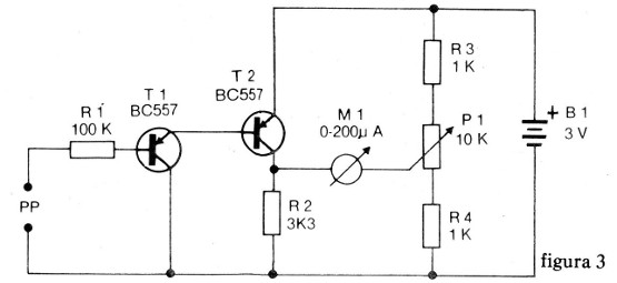
El circuito completo del simple detector de mentiras se da en la figura 3.

Para los lectores con problemas de obtención de material sugerimos una consulta a la sección al final de esta edición en que tratamos de equivalencias.
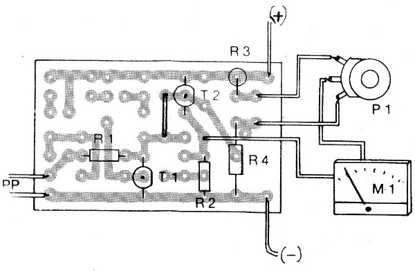
La placa de circuito impreso usada es la universal dada como regalo en esta edición. Si el lector ya la utilizó en otra aplicación debe proporcionar una copia, tomando como base los dibujos dados.
En la figura 4 tenemos la disposición de los componentes en esta placa.

Algunos cuidados deben ser tomados con la colocación y manejo de los componentes para que el aparato funcione. Estos cuidados son:
a) Observe con atención las posiciones de los transistores en la placa tomando como referencia la parte achatada de su envoltura. Tenga cuidado de no invertirlo.
b) Los resistores tienen valores que son dados por las bandas de colores. Compruebe con cuidado estas bandas confrontando con la lista de material.
c) El potenciómetro P1 que queda en el panel de la caja se conecta a la placa por medio de 3 pedazos de hilos de 10 a 15 cm de longitud.
d) Para la conexión de los electrodos o puntas de prueba, utilice dos pedazos de hilos de 30 cm de longitud.
e) El instrumento M1 se fijará en el panel de la caja. Conecte al circuito con dos pedazos de cable de unos 10 o 15 cm. En este montaje no será necesario observar su polaridad.
f) La conexión del soporte de las pilas debe realizarse con atención. Tenga cuidado de no invertir su polaridad.
Terminada el montaje, compruébalo y luego instale el aparato definitivamente en una caja.
La siguiente etapa del montaje consiste en hacer la prueba de funcionamiento.
Prueba
Coloque las pilas en el soporte atando a su posición. Las pilas deben ser nuevas.
A continuación, apoye las manos en los electrodos o siempre las puntas de prueba como muestra la figura 5.

Ajuste el potenciómetro P1 para que la aguja quede aproximadamente en el centro de la escala del instrumento.
Uso
Para utilizar el detector basta con hacer el interrogado sostener los electrodos o apoyar sus manos en ellos y luego ajustar el puntero a una posición central en la escala.
El interrogado debe estar firme para que la aguja no se mueva. Usted debe hacer que se esfuerce en mantener la aguja en el centro de la escala.
Después es sólo hacer las preguntas y observar cualquier movimiento anormal de la aguja del instrumento.
Posibles fallos
Si algo anormal ocurre con su detector usted debe comprobar:
a) las posiciones de los transistores y sus conexiones
b) la conexión del soporte de pilas y los contactos del soporte
e) la conexión de los electrodos
d) la conexión de P1
e) la conexión de los demás componentes.
T1, T2 - BC557 o equivalente - transistores PNP
M1 - VU meter de 200 uA
PP - electrodos (ver texto)
P1 - 10 k - potenciómetro simple común
B1 - 3 V - 2 pilas pequeñas
R1 - 100 k x ¼ W - resistor (marrón, negro, amarillo)
R2 - 3K3 x ¼ W - resistor (naranja, naranja, rojo)
R3, R4 - 1 k x ¼ W - resistor (marrón, negro, rojo)
Placa de circuito impreso universal
Caja de montaje
Botón para el pote
Soporte para 2 pilas pequeñas
1 metro de alambre
Soldadura



