Tocando con los dedos en una placa sensible usted puede disparar un circuito de carga que puede ser una lámpara. Una alarma o un relé que controlan el dispositivo que desee. Los componentes usados ??son fáciles de encontrar.
Esta sencilla alarma de toque se puede utilizar con fines recreativos o como alarmas. El toque de los dedos en un elemento sensible produce la corriente suficiente para disparar un SCR y éste a su vez puede controlar cargas de gran potencia como lámparas, osciladores, relés, etc.
Con pocos componentes, sin dificultad usted podrá montar en poco tiempo esta simple alarma de tacto.
COMO FUNCIONA
En la figura 1 tenemos el principio de funcionamiento de este interruptor de tacto.

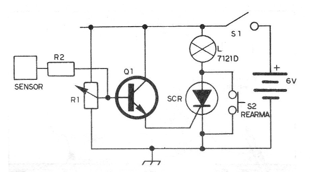
Al tocar con los dedos en el elemento sensible (una placa de metal o cualquier objeto metálico) el cuerpo de la persona ofrece recorrido para la circulación de una pequeña corriente, la cual amplificada por el transistor es suficiente para disparar el SCR.
El SCR puede entonces alimentar un circuito de gran potencia como una lámpara, una alarma o un relé.
Ver el lector que, la corriente que circula por el cuerpo de la persona es del orden de algunos micro-campos que es absolutamente insuficiente para causar cualquier tipo de choque, lo que quiere decir que el circuito es absolutamente seguro.
Para que la corriente de disparo pueda circular convenientemente por el circuito ocurriendo su disparo es necesario tener una puesta a tierra del mismo lo que se muestra en la figura 2.

Por lo tanto, debemos conectar al menos un punto de este circuito a una buena tierra, a una tubería de agua, al polo neutro de la toma, oa un pedazo de metal en contacto con el suelo.
De la perfección de la conexión a tierra dependerá la sensibilidad del aparato.
El transistor utilizado en este montaje es de cualquier tipo para uso general que ofrezca una buena ganancia de corriente continua. El BC238 o el BC548 sirven perfectamente para este caso, y el potenciómetro conectado en su base permite un ajuste de sensibilidad para su funcionamiento.
El SCR se dispara aplicando un pulso positivo en su conducto que procede del emisor del transistor.
Recomendamos para este montaje el MCR106, C106 o IR106 para tensión de 50 V que puede controlar una corriente de carga de hasta 4 A.
Y claro que la lámpara o el oscilador conectados a este SCR no tendrán este consumo de corriente por lo que trabajará en un régimen muy por debajo de su capacidad.
Los SCR en estos circuitos de corriente continua presentan un pequeño problema de disparo: una vez que se llevan a la conducción plena por un reloj, incluso después de desaparecer el pulso todavía siguen conduciendo intensamente la corriente.
Para "apagar" el SCR es necesario apagar momentáneamente su alimentación o entonces cortocircuitar su ánodo y cátodo, como sugiere la figura 3.

Es justamente la solución que usamos en nuestro circuito práctico para rearmar el interruptor de toque. Una vez disparado para apagar el circuito, presionamos momentáneamente un interruptor del tipo botón de timbre para apagar el SCR.
El circuito, como dijimos, puede alimentar, tanto una lámpara como un relé o un oscilador. En la figura 4 damos las maneras de hacer la conexión de cualquiera de los circuitos sugeridos como carga.

El relé puede ser de cualquier tipo disparado con una tensión de 6 V que es la tensión de alimentación. La lámpara es de tipo a 6 V con corriente de no más de 500 mA.
MONTAJE
Como el número de componentes utilizados en este montaje es muy pequeño, no es necesario utilizar tarjeta de circuito impreso.
La fijación de los componentes principales en un puente de terminales permite la obtención de un montaje compacto.
La unidad toda podrá entonces alojarse en una pequeña caja plástica del tipo "jabonera".
El circuito completo del interruptor de timbre se muestra en la figura 5.

El montaje en puente de terminales se da en la figura 6.

Tanto la fuente de alimentación como el circuito electrónico se alojan en la caja que en su exterior tiene sólo dos controles: el potenciómetro de ajuste de sensibilidad y el botón de rearme.
Vea el lector que omitimos el interruptor que enciende y apaga la unidad, pues a no ser en los momentos en que el SCR esté disparado, su consumo es extremadamente reducido. Esto significa que las pilas pueden quedar en el soporte sin que haya gasto considerable de energía.
De la caja sale el hilo que va al sensor y el cable de conexión a tierra el cual está dotado de una garra jacaré para facilitar su conexión.
Una toma completa el conjunto, siendo ésta usada para la conexión del circuito a ser disparado, o sea, la lámpara, relé o alarma.
La forma de hacer la conexión de estas cargas se muestra en la figura 4 en la que también damos el circuito simple de un oscilador de audio para alarma.
En este circuito Q1 puede ser cualquier transistor NPN para uso general, el transformador de salida es del tipo utilizado en la salida de radios transistorizadas, y el altavoz puede ser cualquiera de 8 ohms.
En este caso, la fuente que alimenta el interruptor sirve para alimentar el oscilador de alarma.
Para el montaje del interruptor propiamente dicho, los principales cuidados con la instalación y adquisición de las piezas son los siguientes:
a) El transistor puede ser del tipo BC238 o BC548, pero equivalentes como el BC237, BC547 también pueden ser usados. En la soldadura de este componente observe bien su posición y evite el exceso de calor.
b) El SCR es del tipo C106, MCR106 o IR106 para tensiones de 50 V, pero los equivalentes para otras tensiones como 100 y 200 V también sirven. En la soldadura de este componente observe también su polaridad y evite el exceso de calor que puede dañarlos. No es necesario montar el SCR en disipador de calor.
c) El potenciómetro debe ser 2,2 M tanto lineal como log. Observe bien la posición de conexión de este componente para obtener un aumento de sensibilidad cuando su eje se gira a la derecha. Si el potenciómetro es de eje largo, corte en la longitud apropiada antes de realizar su instalación en la caja.
d) Los resistores usados son de 1/8 o ¼ W, no habiendo ninguna observación especial a realizar.
e) En el caso de cargas inductivas, se deben utilizar diodos en paralelo con las mismas. Estos diodos pueden ser del tipo 1N914 o lN4001l, debiendo en su conexión ser observada su polaridad.
f) Si se utiliza relé como carga debe ser del tipo que puede ser accionado con tensión de 6 V y si se usa lámpara debe ser de 6 V.
g) El hilo que se conecta al sensor puede ser flexible con una longitud máxima de 3 metros. El sensor consiste en una placa de metal de 10 x 10 cm o bien en cualquier objeto metálico en el que se conecte el cable.
h) Es importante que haya una buena conexión a tierra para que el circuito funcione bien.
i) La batería que alimenta el circuito y está formada por 4 pilas pequeñas en soporte adecuado. Si la carga requiere más corriente, utilice pilas medias o grandes.
Completado el montaje, compruebe todas las conexiones, y si todo está en orden, prepárese para la prueba de funcionamiento de la unidad.
PRUEBA Y USO
Coloque las pilas en su soporte, y conecte como carga una lámpara o el propio oscilador sugerido. Si se utiliza un relé, conecte al mismo cualquier dispositivo que permita comprobar su funcionamiento.
Si al conectar la unidad, la carga ya disparada coloca todo a la izquierda el potenciómetro de ajuste de sensibilidad, y presione el interruptor de rearme, soltando a continuación. La carga debe apagarse.
Si esto no ocurre, compruebe la conexión del potenciómetro y también pruebe el SCR.
Si la carga se apaga, vaya girando el potenciómetro hacia la derecha lentamente hasta obtener el disparo del circuito de carga. Cuando esto suceda, vuelva un poco el potenciómetro para dejarlo en el umbral del disparo y presione el interruptor para rearmar la unidad.
Sujetando con una mano el cable de tierra en su extremo, toque con la otra en el hilo que corresponde al sensor. El circuito debe dispararse inmediatamente.
Comprobado el funcionamiento, instale la unidad en su caja y pruebe ahora con la conexión normal a tierra.
Las fallas de funcionamiento pueden deberse a la deficiencia en la conexión a tierra.
Q1 - BC238 o BC548
SCR - C106, MCR / 06, IR106, TIC106 o equivalentes
R1 - 2M2 - potenciómetro
R2 - resistor de 100 ohms x 1/4 W
S1 - interruptor de presión
Varios: circuito de carga, puente de terminales, caja, soporte de pilas, cables, sensor, soldadura, etc.



