Describimos en este artículo un interesante receptor ultraminiatura monocanal, que puede ser instalado en juguetes que dispongan de poco espacio interno, tanto para las fuentes de alimentación, como para el propio circuito.
El receptor super-regenerativo que describimos, de gran sensibilidad puede ser alimentado por una tensión entre 2,4 y 3 V lo que permite el empleo de una sola pila y emplea 7 transistores.
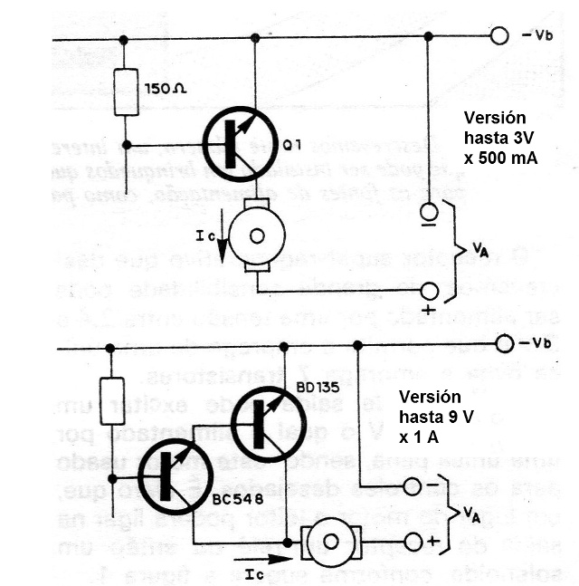
El circuito de salida puede excitar un motor de 1,5 V el cual es alimentado por una sola pila, siendo este motor usado para los controles deseados. Por supuesto, en lugar del motor el lector podrá conectar en la salida del receptor un relé o un solenoide, como sugiere la figura 1.

Con el montaje de resistores y capacitores en posición vertical, y el aprovechamiento máximo de espacio, este receptor puede montarse en una placa de circuito impreso de dimensiones despreciables.
El transmisor utilizado para operar con este modulado en tono que ya hemos publicado en diversos artículos de este sitio. El elegido, naturalmente, será el que posea una potencia de acuerdo con el alcance deseado.
COMO FUNCIONA
Como ya hemos tenido ocasión de explicar en varias ocasiones, lo que caracteriza a un receptor super-regenerativo es su elevada sensibilidad, el reducido número de componentes y la no necesidad de ajustes complicados que exigen el empleo de equipos especiales.
Por otro lado, los receptores super-regenerativos presentan también sus problemas que son la falta de selectividad, lo que exige cuidado cuando se opera en locales en que existan otros sistemas de radio control, y también la estabilidad que no es perfecta principalmente si el circuito el receptor no se controla a cristal.
En la figura 2 tenemos un diagrama de bloques del receptor que describimos y por donde analizaremos su funcionamiento.

El primer bloque representa la etapa super-regenerativa o como también se llama "detector súper regenerativo". Las señales de radio captadas por la antena se llevan hasta la bobina L2 de antena que, junto con el capacitor C4, forman el circuito de sintonía.
Los valores de estos componentes determinan por lo tanto el rango de frecuencias que puede recibir el aparato.
La señal que debe ser recibida es entonces trabajada por la etapa super-regenerativa que oscilando permite que el transistor trabaje con su máximo ganancia, pero sin tener realimentaciones que afecten esta misma señal.
El choque de RF es el punto de transición del circuito, donde hay la separación de las señales de RF recibidas de las señales de audio que modulan la alta frecuencia.
Así, después del choque ya tenemos una señal de audio que por su intensidad muy pequeña necesita ser amplificado antes de poder ser usado para excitar cualquier tipo de mecanismo de control.
Tenemos entonces el siguiente paso que es el amplificador de audio 0 que tiene características de funcionamiento lineal entre 300 Hz y 5 000 Hz. Esto significa que las frecuencias elegidas para modular el transmisor deben estar situadas en esta banda para que el máximo de rendimiento sea obtenido.
En esta etapa se utilizan 4 transistores conectados de tal manera que se obtiene una ganancia de 2 500 veces para las frecuencias situadas dentro del rango indicado.
Las frecuencias más altas y más bajas son sensiblemente atenuadas.
Para los lectores dotados de experiencia en proyectos de radiocontrol se puede conectar a la salida de esta etapa circuitos LC capaces de hacer la separación de tonos y con ello modificar el proyecto original para operar con diversos canales.
La señal de salida de este paso se aplica entonces al paso de conmutación que excita directamente el dispositivo de control.
Esta etapa sólo tiene dos transistores, pero como la señal obtenida de la salida de la etapa anterior ya tiene buena intensidad, no hay necesidad de una mayor amplificación.
El transistor de salida Q7 debe dimensionarse para soportar la corriente del dispositivo controlado. El transistor recomendado en el caso permite el control de cargas de 500 mA bajo tensión de 1,5 o 3 V, pero cargas mayores pueden ser controladas. Con modificaciones según la sugerida en la figura 3 en que un transistor Darlington es utilizado.

Recuerde que la fuente de alimentación para el dispositivo a controlar debe ser compatible con sus requisitos de corriente.
MONTAJE
Los componentes utilizados en este montaje se pueden obtener fácilmente en todas las casillas de material electrónico. Sin embargo, como existen componentes que se pueden encontrar en diversas constituciones físicas y cómo lo que interesa en este proyecto es el máximo de miniaturización, el lector debe elegir los componentes de menor tamaño posibles.
Así, para los capacitores de pequeño valor (menos de 1 uF) se deben emplear los tipos de disco de cerámica japoneses (Ahora son chinos ...) de pequeñas dimensiones.
Para los capacitores de más de 1 uF se deben utilizar los tipos de tántalo, o si el lector no está dispuesto a pasar muchos electrolíticos con una tensión baja de aislamiento (3 V).
Los resistores pueden ser todos de 1/8 W montados en posición vertical.
Dos componentes deben ser fabricados por el propio ensamblador: la bobina de antena (L1 y L2) y el choque de RF (XRF).
Las bobinas L1 y L2 tienen las siguientes características:
L1 - 3 espiras de alambre esmaltado 18 AWG sobre L2.
L2 - 12 espiras de hilo esmaltado 18 AWG en forma de 0,5 cm de diámetro con núcleo móvil de ferrita.
El choque de RF consiste en 40 a 60 vueltas de alambre esmaltado fino 32 o 34 enrolladas sobre un resistor de 100 k x 1/4 W, y conectado en paralelo con el resistor, como muestra la figura 4.

La placa de circuito impreso debe ser confeccionada por el propio montador.
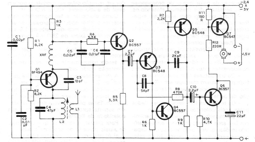
Tenemos entonces en la figura 5 el circuito completo del receptor con los valores de los componentes.
Nuestra sugerencia de placa de circuito impreso de dimensiones reducidas se muestra en la figura 6.

Evidentemente, si el lector tiene dificultades para montar placas tan pequeñas puede rehacer el diseño para una placa más grande, principalmente si no tiene problemas de espacio en el modelo a ser controlado.
Algunos cuidados deben ser tomados con el montaje teniendo en cuenta la delicadeza de los componentes y el problema de la instalación compacta.
Utilice un soldador de pequeña potencia con punta fina (3 o 4 mm) y soldadura de bajo punto de fusión.
Haga la soldadura de todos los componentes rápidamente, evitando con ello el exceso de calor que puede propagarse por los terminales de los mismos afectándolos.
Tenga cuidado con eventuales dispersiones de soldadura que puedan cortocircuitar conexiones usando para este propósito poca soldadura en cada conexión.
Observe la polaridad de los capacitores electrolíticos y transistores que no funcionarán si hay alguna inversión.
Identifique cuidadosamente todos los componentes antes de realizar la instalación.
Los transistores tienen su identificación hecha por el número marcado en su envoltura y su posicionamiento es hecho en función de la parte aburrida de su envoltura.
Los resistores tienen sus valores dados por los anillos coloreados en su cuerpo.
Los capacitores electrolíticos y cerámicos tienen sus valores grabados en su propia envoltura. En el caso de los capacitores cerámicos se observa bien si la marcación de valores se realiza en pF, nF u uF.
Terminado el montaje, después de conferir las conexiones el lector puede, antes de hacer la instalación definitiva del receptor en una caja o en el modelo, realizar una prueba de funcionamiento.
Diversas son las posibilidades de prueba, dadas a continuación:
AJUSTES Y PRUEBAS
Para probar el receptor será conveniente que el lector ya tenga el transmisor listo o entonces que tenga un generador de señales que alcance la frecuencia de operación. El generador en cuestión debe ser modulado por una señal de audio entre 300 y 5 000 Hz.
Como elemento a controlar por el receptor, el lector puede conectar provisionalmente una lámpara incandescente de 1,5 V y una corriente máxima de 250 mA con una pila media o grande.
Si desea, también puede conectar un motor de corriente continua de 1,5 V o 3 V, teniendo naturalmente una fuente de alimentación apropiada.
La alimentación para el receptor vendrá de 1 pila de 2,4 V (tipo utilizado en cámaras) o 2 pilas pequeñas si el lector tiene mayor disponibilidad de espacio.
Estas pilas deben instalarse en un soporte apropiado y observar su polaridad de conexión.
Para probar el receptor con el generador de señales proceda del siguiente modo:
a) Ajuste la salida del generador para proporcionar una señal de 27 MHz modulada en 400 o 1 000 Hz.
b) La salida del generador debe conectarse a la antena del receptor.
c) Conecte el receptor y ajuste su bobina moviendo su núcleo hasta que la señal del generador pueda disparar el circuito accionando el motor.
d) Si, de inmediato, el generador dispara el motor, reduzca la intensidad de su señal y al mismo tiempo ajuste la bobina para obtener un único punto en que haya control.
e) Para probar la sensibilidad del receptor, desconecte de la entrada del mismo el generador, alejando de 20 o 30 cm su salida de la antena, y aumente la intensidad de su señal hasta que incluso sin contacto el motor o lámpara usados como prueba dispare.
Para hacer la prueba con el transmisor, el procedimiento es el mismo.
Si no se consigue un ajuste correcto de la bobina, intente cambiar la frecuencia del generador hasta obtener el disparo. Si la frecuencia obtenida está por debajo del punto esperado, retire L2 del circuito y disminuya su número de espiras.
Si la frecuencia está por encima de lo esperado, retire esta misma bobina y aumente su número de espiras.
Una vez comprobado el funcionamiento del receptor el lector puede pensar en hacer su instalación definitiva en el modelo.
La antena puede ser una varilla de 15 a 40 cm, dependiendo del tamaño del modelo, y el polo positivo de la fuente de alimentación debe ser conectado a tierra si el modelo tiene una estructura metálica.
Esta conexión a tierra se realiza con la conexión de este polo al chasis a través de un hilo, como se muestra en la figura 7.

Este mismo receptor se puede utilizar con otros fines, como por ejemplo para la apertura de puertas de garaje, en cuyo caso en el lugar del motor en la salida debe conectarse un relé capaz de soportar la corriente del motor.
La alimentación para todo el circuito puede en el caso provenir de una fuente que reduzca los 110 V o 220 V de la red a 3 V.
Q1 - BF494 o equivalente
Q2, Q4, Q6 - BC 557 o equivalente
Q3, Q5, Q7 - BC 547 o equivalente
C1 - 0,02 - uF - capacitor cerámicaC2 - 0,01 uF - capacitar cerámico
C3 - 10 pF - capacitor de cerámica
C4 - 47 pF - capacitor de cerámica
C5 - 0,02 uF - capacitor de cerámica
C6 - 0.01 uF- capacitor cerámico
C7 - 2,2 uF - capacitor electrolítico o tántalo
C'8 - 0,005 uF (5nF) - capacitor de cerámica
C9 - 2 nF - capacitor cerámico
C10 - 2,2 uF - capacitor electrolítico o tántalo
C11 - 22 uF - capacitor electrolítico o tántalo.
R1, R2- 8,2 k x 1/8 W - resistor (gris, rojo rojo)
R3 - 1 k x 1/8 W - resistor (marrón, negro, rojo)
R4 - 3,3 k x 1/8 W - resistor (naranja, naranja, rojo)
R5 - 3,3 k x 1/8 W - resistor (naranja, naranja, rojo)
R6 - 1 k x 1/8 W - resistor (marrón, negro, rojo)
R7 - 2,2 k x 1/8 W - resistor (rojo, rojo, rojo)
R8 - 470 k x 1/8 W - resistor (amarillo, violeta, amarillo)
R9 - 1 k x 1/8 W - resistor (marrón, negro, rojo)
R10 - 4,7 k x 1/8 W - resistor (amarillo, violeta, rojo)
R11 - 150 R x 1/8 W - resistor (marrón, verde, marrón)
R12 - 220 R x 1/8 W - resistor (rojo, rojo, marrón)
L1, L2 - ver texto
XRF - ver el texto
M - ver el texto
Varios: placa de circuito impreso, hilos, soldadura, formas para las bobinas, resistor de 100 k x 1/4 W para enrollar el choque, cable esmaltado 26 AWG y 32 AWG; soporte para pilas, pilas, antena telescópica, equipo para ajuste, etc.




