Lo que caracteriza este proyecto es el consumo extremadamente bajo durante la temporización, del orden de 200 uA, lo que es posible con el uso de un circuito integrado TLC555 CMOS, equivalente al 555 bipolar común. Podemos usar el temporizador en partidas de ajedrez, juegos, cuestionarios y competiciones diversas.
Utilizando un circuito integrado TLC (Texas Instruments) que es el equivalente CMOS del tradicional 555 bipolar, este circuito se caracteriza por el bajo consumo durante la temporización, cuando el LED está apagado.
El accionamiento del circuito se hace por un toque de los dedos, lo que también es posible gracias a la elevadísima resistencia de entrada del 555 CMOS que es del orden de 1012 ohms.
Sólo basta un breve toque con los dedos en el sensor de arranque, después de ajustar el tiempo deseado, para que el LED se apague y al final del temporizador se encienda, indicando que el plazo programado está terminado.
El circuito puede ser alimentado por pilas o batería y admite temporizaciones de hasta un poco más de media hora.
Muy sencillo de montar y compacto, se puede instalar en una caja de reducidas dimensiones para el uso portátil.
Características:
Tensiones de alimentación: 6 V o 9 V
Corriente durante la temporización: 200 uA (tip.)
Corriente con el LED encendido: 10 mA (tip.)
Rango de tiempo: 1 segundo a media hora
COMO FUNCIONA
El TLC555, que es la base de este proyecto, consiste en un circuito integrado LinCMOS de Texas Instruments que es el equivalente CMOS del conocido temporizador 555.
La integración de las características del 555 bipolar a las ventajas del CMOS, este integrado tiene un consumo mucho menor, resistencia de entrada muy alta, además de poder operar a velocidades mayores cuando se utilizan como astables.
En nuestro proyecto utilizamos el 555 como monoestable en la configuración tradicional, ya que hasta el pinado del 555 CMOS es igual a la del tradicional.
En este circuito, el disparo se hace cuando por un toque de los dedos en el sensor X1, pues llevamos el pin 2 al nivel bajo.
En estas condiciones la salida del 555 va al nivel alto haciendo que el LED se apague.
La salida permanecerá en el nivel alto durante un tiempo determinado por C1 y por el ajuste de P1.
Con un capacitor mayor que 1 000 uF (que debe ser de buena calidad), por ejemplo 2 2000 uF, podemos tener una temporización del orden de media hora.
Con 1 000 uF llegamos a los 15 minutos.
Al final del intervalo programado por P1, la salida del 555 vuelve al nivel bajo haciendo que el LED se encienda.
La alimentación del circuito se puede realizar con 4 pilas comunes o una batería de 9 V.
MONTAJE
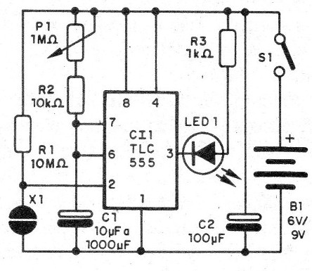
En la figura 1 tenemos el diagrama completo del micro-temporizador.

En la figura 2 tenemos la disposición de los componentes en una pequeña placa de circuito impreso.

Los resistores son de 1/8 W, el sensor de disparo X1 consiste en dos alfileres, chinches o tornillos latonados que se deben tocar simultáneamente para el disparo.
Para P1 se debe elaborar una escala de tiempos basada en un reloj o un cronómetro común.
El capacitor C1 debe ser de buena calidad, ya que cualquier fuga compromete la temporización.
Los electrolíticos son para tensión de trabajo de 12 V.
El LED puede ser rojo o de otro color, montado en un soporte apropiado.
PRUEBA Y USO
Para probar el aparato coloque P1 en el tiempo mínimo, encienda la alimentación y toque el sensor.
El LED debe apagarse y quedarse por unos segundos. Al final de la temporización el LED se enciende.
Para usar, ajuste antes el tiempo, luego encienda la alimentación y toque el sensor para iniciar la operación.
En la re-operación es importante tener en cuenta que puede haber una carga residual en el capacitor que disminuye el tiempo del disparo.
Para evitar este problema, se puede incluir un interruptor de presión en paralelo con C1 que se debe presionar siempre que haya re-disparo.
Semiconductores:
Cl1 - TLC555 - circuito integrado Texas lnstruments
LED1 - LED rojo común
Resistores: (1/8 W, 5%)
R1 - 10 M ohms - resistor (marrón, negro, azul)
R2 - 10 k ohms: - resistor (marrón, negro, naranja)
R3 - 1 k ohms - resistor (marrón, negro, rojo)
P1 - 1 M ohms - pote
Capacitores:
C1-10 uF a 1 000 uF x 12V - electrolítico - ver el texto
C2 - 100 uF x 12 V - electrolítico
Varios:
X1 - sensor - ver texto
S1 - interruptor simple
B1 - 6 V o 9 V - 4 pilas o batería
Placa de circuito impreso, caja para montaje, zócalo para el circuito integrado, conector de batería o soporte para 4 pilas pequeñas, soporte para el LED, botón con escala para el potenciómetro, hilos, soldadura, etc.



