Si alguien toca el hilo sensor Interrumpiendo la circulación de la corriente, un timbre tocará con tuerza avisándole de lo ocurrido. Un aparato experimental pero también útil pues sirve para proteger objetos, su casa y vehículos.

Esta alarma funciona con pilas y prácticamente no consume energía en la condición de armado lo que significa que un conjunto de estas pilas puede durar mucho incluso quedando noches enteras conectado.
El principio de funcionamiento de esta alarma está en un alambre o conjunto de alambres finos que cierran un circuito. Si este circuito está abierto, aunque por una fracción de segundo la alarma dispara y así permanece hasta que alguien venga a rehacerlo.
El tipo de ruido producido por la alarma depende de la voluntad del lector, pudiendo ser usada una campana casera para la red de 110 V o bien una sirena electrónica alimentada por pilas.
Pocos componentes se utilizan en este montaje que puede proteger ventanas o puertas como muestra la figura 1.

Como funciona
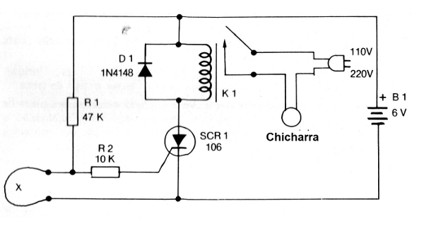
El disparo de un relé en esta alarma y hecho por un componente de estado sólido denominado SCR o diodo controlado de silicio es una llave electrónica que se conecta al menor impulso eléctrico, pero no puede ser apagada después a no ser por la interrupción de la corriente que en ella circula. (figura 2)

Aunque un impulso de "contra disparo" sea aplicado el SCR no se apaga y eso es importante en el caso de una alarma. Esto significa que una disparada la alarma, no hay manera de desarmarlo por la reactivación del sensor.
El SCR no controla directamente la sirena u otro sistema de advertencia, sino un relé. Esto significa un aislamiento del circuito de disparo del circuito controlado muy importante para evitar choques.
El circuito de disparo consiste en un hilo de alambre fino que se conecta a la conducción del SCR, que es su elemento de disparo, evitando que la corriente circule por ella.

Si este cable de alambre es retirado, la corriente puede llegar al SCR provocando el disparo.
Este hilo de alambre fino consiste en un excelente sensor, pues al mínimo descuido puede ser interrumpido.
En la figura 3 damos el modo de conectar este sensor en ventanas o puertas. La apertura de éstas hace que el alambre sea interrumpido disparando la alarma.

La corriente de disparo que es cortocircuitada por el alambre queda permanentemente circulando, pero el gasto de energía es muy pequeño, pues su intensidad es muy baja.
Montaje
El circuito completo de la alarma se muestra en la figura 4.

Observe a los lectores el símbolo del SCR usado, y también el relé.
Para los que tengan dudas en cuanto a los componentes usados ??o enfrentan dificultades en su obtención sugerimos la consulta a la parte final de esta edición en que tratamos de las equivalencias.
La placa de circuito impreso, como siempre, es la universal, dada como brindis en la portada de esta edición. Si el lector ya la usó, paciencia Debe proveer otra a partir del diseño estándar.
La colocación de los pocos componentes usados ??en este circuito en la placa se muestra en la figura 5.

Mucho cuidado en la soldadura y la colocación de todos los componentes es importante para el éxito del montaje. Siga las siguientes recomendaciones:
a) vea cuidadosamente la posición del SCR. La parte metálica del disipador, que no es necesario usar en nuestro caso, queda de acuerdo con el diseño en la placa. La inversión de este componente perjudica el funcionamiento del aparato.
b) El diodo D1 también tiene polaridad adecuada para la colocación. Esta polaridad es dada por la banda en su envoltura.
c) Los resistores tienen sus valores dados por las bandas coloreadas. Enfréntelas con la lista de material para que no haya peligro de cambio.
d) La conexión del relé es importante. Vea que tenemos dos para la placa de circuito impreso y dos más que van al cable de alimentación y timbre en el caso de que este elemento sea usado. La conexión de los contactos adecuados es importante para garantizar el funcionamiento de la alarma.
e) La polaridad de la batería Bl es otro punto importante del montaje. Si hay inversión, la alarma no funcionará.
f) La conexión del sensor puede facilitarse mediante el uso de un par de terminales. Este sensor consiste en un pedazo de hilo fino que puede ser conectado a la alarma por medio de dos hilos comunes, si necesita quedarse lejos.
Complete el montaje con los retoques en los puntos de soldadura, la comprobación e instalación del conjunto en una caja apropiada.
Prueba
Conecte el sensor a los terminales. Este sensor puede ser un alambre esmaltado fino con las puntas bien raspadas para hacer buen contacto o un alambre fino de cinc incluso.
Coloque las pilas en el soporte atendiendo a su polaridad.
Conecte el cable de alimentación a la toma de corriente.
Inicialmente el timbre debe estar desactivado. Si el timbre toca y se utiliza el SCR TIC106, es necesario conectar un resistor de 1 k entre la compuerta (G) y el cátodo (K) como se muestra en la figura 6.

Si el timbre no toca, corte o rompe el sensor. El relé debe dar un pequeño chasquido indicando el cierre de los contactos y el timbre debe tocar.
USO
Para utilizar la alarma no hay secreto. Su instalación se puede hacer en cualquier parte de su casa. Detener la alarma de la alarma es sólo tomar momentáneamente las pilas del soporte y luego volver a colocarlas.
Posibles fallos
Si su alarma no dispara o toca directamente, compruebe:
a) la posición del SCR
b) la conexión de los contactos del relé y la continuidad de su bobina
e) la posición del diodo D1
d) el estado del SCR
e) el contacto del sensor
SCR - MCR106, IR106 o TIC106 - diodo controlado de silicio
K1 - Relé de 6 V
D1 - 1N4148 o equivalente - diodo de silicio
R1 - 47 k x ¼ W - Resistor (amarillo, violeta, naranja)
R2 - 15 k: x ¼ W - resistor (marrón, negro, naranja)
R3 - 1 k x ¼ W-resistor (marrón, negro, rojo) - ver texto
B1 - 6 V - 4 pilas medias
X - sensores (ver texto)
Placa de circuito impreso universal
Soporte para 4 pilas medias
Cable de alimentación para red de 110 V o 220 V
1 metro de hilo común
Hilo esmaltado fino o alambre fino
Caja de montaje
Soldadura



