Este circuito fue originalmente presentado en un antiguo libro nuestro (década de 80), pero todavía puede ser montado con cierta facilidad por los componentes que utiliza.
Este tipo de parpadeante lleva por base dos transistores que se conectan en una configuración denominada "multivibrador" que funciona de la siguiente manera:
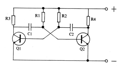
Los dos transistores se conectan para formar una "gangorra" electrónica en la que, en cada instante sólo uno de ellos puede dejar pasar la corriente.
Así, en la figura 1, cuando Q1 está conectado (en conducción), Q2 debe estar obligatoriamente apagado.

Los componentes R1, R2, C1 y C2 instabilizan el circuito de modo que el cambio de estado de los transistores ocurre ininterrumpidamente, es decir, los transistores se conectan y se desconectan alternativamente a una velocidad que depende de aquellos 4 componentes anteriormente citados.
Si estos componentes varían, por ejemplo, cambiando los resistores R1 y R2 por potenciómetros, podemos cambiar la velocidad de los cambios de estado de los transistores a voluntad.
Para convertir este multivibrador en un parpadeante, tenemos que hacerle controlar lámparas, o sea lo que sea.
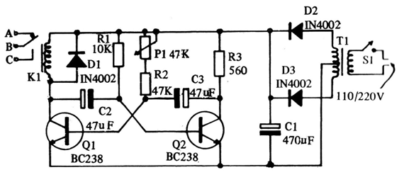
Para ello, conectamos a uno de los transistores un relé, como muestra la figura 2.

Este relé tiene un par de contactos reversibles de modo que podemos usarlo para encender o apagar lámparas, o bien hacerlas también encenderse alternativamente.
Así, cada vez que el transistor Q2 conduce el relé se energiza y el contacto móvil pasa de NA a NF (normalmente abierto para normalmente cerrado). Esto significa que una lámpara encendida en NF se apaga al mismo tiempo que una lámpara en NA se enciende.
Cuando Q2 deja de conducir, ocurre el cambio de estado también de los contactos del relé borrando la lámpara que estaba encendida y encendida. a la que estaba apagada.
En la figura 3 tenemos la "realización práctica" correspondiendo al circuito final de este parpadeante.

El relé recomendado permite controlar corrientes de hasta 6 A, lo que significa que hasta 660 W de lámparas se pueden controlar en cada contacto en la red de 110 W y hasta 1.320 W en la red de 220 V, lo que sin duda es suficiente para animar a cualquier escaparate.
Los componentes de este circuito deben ser mostrados en su "disposición" real ya que los lectores no deben tener práctica de montaje.
Así, en la figura 4 mostramos su colocación soldados en un puente de terminales que será adquirida en las casas de materiales electrónicos.

La soldadura de estas piezas se realiza con un pequeño hierro de hasta 30 W y una soldadura de buena calidad.
Los componentes de este circuito son:
Q1, Q2 - Transistores BC238 o BC548
D1 - diodo 1N4002
D2, D3 - diodos 1N4002
Cl - 1.000 uF x 16 V - capacitor electrolítico
C2, C3 - 47 uF x 16 V - capacitores electrolíticos
R3 - 560 R x 1/8 W - resistor (verde, azul, marrón)
R1 - 10 k x 1/8 W - resistor (marrón, negro, naranja)
R2 - 4k7 x 1/8 W - resistor (amarillo, violeta, rojo)
P1 - 47k - pote
K1 - Relé de 6 V
S1 - Interruptor simple
T1 - Transformador con bobinado primario de acuerdo a su red (110 V o 220 V) y secundario de 6 + 6 V x 250 mA
Varios: puente de terminales, caja, cable de alimentación, hilos, etc.
Los cuidados que el lector debe tener con el montaje son los siguientes:
a) Observe la posición de los transistores. Mientras Q1 se monta con la parte plana hacia arriba, ya Q2 se monta con la parte achatada hacia abajo. Abra ligeramente los terminales de estos componentes para hacer la soldadura, que debe ser bastante rápida para que el calor no se propague y pueda causar daños.
b) Para soldar los diodos de D1 a D3 es necesario observar la posición del anillo del componente que debe quedar de acuerdo con los dibujos. Dobla y corte sus terminales para que queden de acuerdo con la figura.
c) Los siguientes componentes que el lector debe soldar son los resistores de R1 a R3. Vea que el valor de cada uno de estos componentes se da en el orden de los colores de sus pistas, de acuerdo con la lista. Dobla y corte los terminales de estas piezas para que queden del modo mostrado en la figura. Los resistores no se polarizan lo que quiere decir que el lado de los anillos no necesita ser necesariamente el mostrado en la figura.
d) Para soldar los tres capacitores, de C1 a C3 además de los valores marcados que deben ser seguidos, el lector tiene que tener cuidado con la posición del terminal positivo que debe quedar como muestra la figura. Corte y dobla los terminales como se muestra en el dibujo. En el caso de que se produzca un cambio en la calidad de la energía eléctrica, se debe tener en cuenta que el uso de los cables de conexión no es el mismo que el de los lados de la "taza".
e) Haga ahora la conexión entre los emisores de los dos transistores y el polo negativo de C1, usando un pedazo de hilo encapado que no debe ser muy largo.
f) La conexión del potenciómetro se realiza con dos pedazos de hilos, cuya longitud dependerá de la posición que se fijará en la caja. Corte antes el eje en la longitud correcta del potenciómetro, para poder recibir un botón plástico. Vea que entre uno de los terminales extremos y el central existe un pequeño hilo de conexión que debe ser soldado.
g) La conexión del relé también se efectuará con dos pedazos de hilo flexible común, en longitud que dependerá del modo en que se fijará en la caja. Compruebe bien la posición de los terminales que corresponden a la bobina del relé, ya que si hay cambio, el aparato no funcionará. Un medio de fijar este componente en la caja es por medio de una abrazadera hecha con una tira de metal, o bien amarrar firmemente con un pedazo de hilo. Recuerde que todos los componentes se deben fijar en la caja firmemente.
h) Ahora el lector puede fijar en la caja el puente de terminales y el relé y también el transformador. Después de fijar el transformador, su conexión en el puente de terminales puede ser hecha. Fije también el interruptor S1 en la caja y conecte el cable de alimentación a este componente y al transformador.
i) Complete el montaje con la fijación en la caja de una barra de terminales del tipo con tornillo y conecte con tres trozos de cables a los terminales del relé.
En la figura 5 mostramos cómo debe quedar el aparato después de montado.

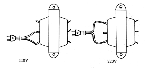
En algunos casos el transformador usado es del tipo de dos tensiones, es decir, tiene bobinado primario, tanto para 110 V como para 220 V.
En este caso el lector tiene dos posibilidades para usarlo:
En la primera, basta con dispensar el terminal que no corresponda a la tensión en que vamos a usarlo, cortando.
En la figura 6 mostramos cómo se hace. Usamos el hilo negro y marrón si la red es de 110 V y usamos el cable negro y rojo si la red es de 220 V.

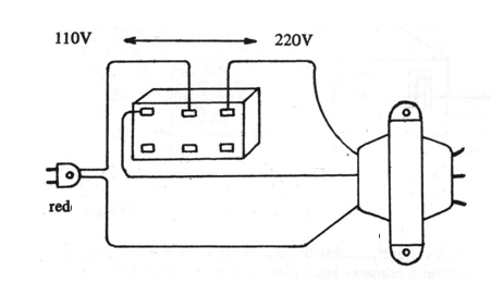
Otra posibilidad, mostrada en la figura 7, consiste en emplear una llave que permite cambiar las tensiones de operación. En una posición la llave permite la utilización del aparato en la red de 110 V y en la otra posición, su utilización en la red de 220 V.

Para transformadores con 4 tíos en el devanado primario, la disposición de las conexiones para las dos redes, viene marcada en un pequeño folleto que lo acompaña.
Una vez que el lector haya terminado el montaje de su parpadeante, nada mejor que lo pruebe y lo utilice.
Probando el Pisca-Pisca
En primer lugar, todo su montaje, viendo si no hay hilos sueltos, si no hay componentes cuyos terminales estén recostándose uno en el otro, en especial R2, C2, C3 y R1, y finalmente si la conexión del transformador es correcta.
Conecte entre las terminales B y C del puente, una lámpara de prueba, del modo mostrado en la figura 8.

Esta lámpara puede tener potencias entre 5 y 100 W para esta prueba de funcionamiento. Utilice un zócalo adecuado para su conexión.
Accione el interruptor general S1.
De inmediato, el relé debe entrar en acción, encendiendo y apagando y al mismo tiempo la lámpara de prueba debe encenderse y apagarse ritmadamente.
Mueve en el potenciómetro P1, girándolo para que la frecuencia de los parpadeos sea modificada.
Ocurriendo todo en el modo indicado, entonces el aparato estará listo para su uso.
Si ocurre algo anormal, el lector necesitará hacer algunas pruebas.
El mejor instrumento de prueba con el que el electricista, que también trabaja con electrónica, puede contar es el multímetro que se muestra en la figura 9.

Este aparato, también llamado multiteste o VOM, puede medir tensiones, corrientes y resistencias, facilitando el trabajo del electricista y del técnico electrónico.
En la falta de este aparato el lector puede usar una versión de probador mucho más simple y económica, que consiste en un LED y una resistencia, como muestra la figura 10.

El LED no es más que una "lámpara de estado sólido", es decir, un dispositivo que emite luz, cuando es recorrido por una corriente eléctrica.
Este dispositivo sustituye a las lámparas comunes de paneles con la ventaja de poseer miento mayor durabilidad y aún, con la ayuda de una resistencia adicional puede funcionar con cualquier tensión mayor que 1,6 V.
Entonces utilizaremos el LED rojo común que el lector puede comprar en cualquier casa de materiales electrónicos, junto con una resistencia de 1 k para hacer un "verificador de tensiones". Este verificador puede "encontrar" tensiones entre 1,8 y 12 V (sin problemas).
Se observa que este "verificador" de tensiones tiene polo correcto para conexión, es decir, el punto A corresponde al positivo, y el punto B corresponde al negativo.
Comenzamos entonces buscando problemas en la fuente de alimentación, es decir, en la parte del aparato que tiene por función suministrar energía al circuito, que es el transformador, los dos diodos D2 y D3 y el capacitor C1. (figura 11).

Con el aparato conectado, si se ajusta el punto A del verificador en el polo positivo de C1 y el punto B en el polo negativo de C1, el LED debe encenderse.
Si el LED se enciende, este paso es bueno. Si no se enciende, el problema puede estar en el transformador, que no está suministrando tensión, o en los diodos que pueden estar conectados incorrectos (en cuyo caso el transformador debe calentar ligeramente) o en C1 que puede estar en corto cuando el transformador también se calienta.
A continuación, conecte el verificador con el polo A en el colector de Q2 y el polo B en su emisor.
El LED parpadeará. Si esto no ocurre, desolde por un momento la resistencia R1. Con R1 desoldado, el LED debe brillar más que cuando es soldado, en el que su brillo es menor. Si el brillo no cambia en esta prueba el problema está en Q2 que puede estar quemado (en corto) o abierto.
Proceda del mismo modo para comprobar el estado de Q1, pero desconectando R2.
Finalmente, retire por un instante el diodo Dl del circuito, desoldando sus terminales. Si el aparato funciona con su retirada, entonces el problema está en este componente que debe ser cambiado.
Uso del Pisca-Pisca
Comprobado del funcionamiento del parpadeante, el lector podrá usarlo en muchas aplicaciones interesantes como:
- señalización de puertas de garaje,
- decoración de vitrinas,
- árbol de Navidad,
- anuncios luminosos,
- señalización de vías en reparaciones,
- señalización de entradas de estudios,
- efectos especiales para conjuntos y piezas teatrales.
Vea que el aparato puede ser usado de dos modos, pues el relé posee contactos reversibles.
Utilizando sólo un contacto (NA), el aparato acciona un conjunto de lámparas que se encienden y se aprietan ritmadamente a la velocidad ajustada por P1. Utilizando los dos conjuntos de contactos (NA y NF) el aparato puede accionar dos conjuntos de lámparas alternativamente.
Para el lector que pretende realizar una actividad profesional, teniendo como base la electricidad, como por ejemplo la instalación doméstica y comercial en su ciudad, montar e instalar este intermitente electrónico en tiendas, casas comerciales, puertas de garaje, etc., puede significar una fuente excelente de la renta.
El propio anuncio de su tienda de instalador, si el lector la desea abrir, puede ser decorado con los efectos luminosos proporcionados por este aparato.



