Un efecto de sonido bastante solicitado es la reverberación, o prolongación del sonido, que da el efecto de "sonido de catedral". El circuito que describimos, simula este efecto con buenos resultados, de una forma simple que utiliza sólo transistores.
Describimos un circuito simple que, haciendo uso de oscilador de doble T, añade al sonido de un micrófono u otra fuente de señal, una prolongación que caracteriza la reverberación.
A diferencia del eco que es la repetición del sonido, la reverberación tiene un tiempo de reflexión menor y con ello hace que el sonido se prolongue.
El resultado es un sonido similar al de una catedral o cuando hablamos dentro de un latón.
Una manera simple de obtener este efecto es con una unidad de muelle como la mostrada en la figura 1, y que describimos el montaje en otro artículo de este sitio.

En los equipos modernos, este efecto puede ser obtenido a través de circuitos integrados especiales como el TDA1022 e incluso DSPs, como muestra la figura 2.

En nuestro caso utilizaremos una tecnología diferente.
Utilizamos circuitos osciladores de doble T, como el mostrado en la figura 3, que al ser excitado dependiendo de su ajuste produce una oscilación amortiguada.

Si excitamos este circuito con un componente de audio él oscila, y su intensidad va gradualmente, como muestra la figura 4.

Si esta señal se añade a la señal de audio original, tendremos la impresión de que el sonido se prolonga, pero debemos hacerlo no sólo con una, pero con varias frecuencias de la señal de audio.
Así, juntando varios osciladores, cada uno con una frecuencia de oscilación, como muestra la figura 5, obtenemos la cobertura de la pista completa de audio.

Tenemos una buena cobertura para la pista de audio, como se muestra en la figura 6.

Para nuestro proyecto, retiramos parte de la señal de audio de un amplificador, directamente de su salida y lo aplicamos al circuito de efecto.
El efecto se obtiene y la [ida se aplica a la entrada de un amplificador auxiliar donde se realizará su reproducción en altavoz separado.
No impide, sin embargo, que el circuito se utilice con un mezclador para la reproducción en un solo amplificador.
Montaje
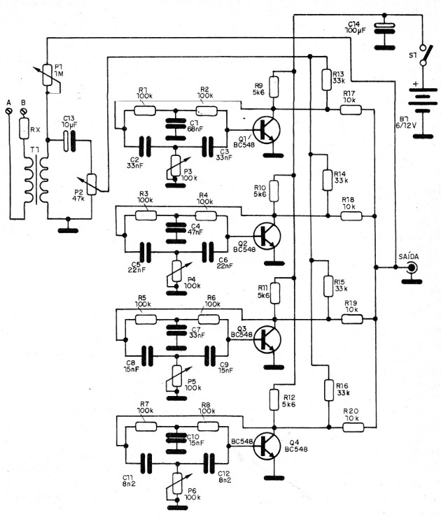
En la figura 7 tenemos el diagrama completo del aparato.

El montaje se puede realizar en la placa de circuito impreso mostrada en la figura 8.

En el montaje, observe las posiciones de los transistores y la polaridad de los capacitores electrolíticos.
Los resistores pueden ser de 1/8 W con cualquier tolerancia y los capacitores más pequeños de poliéster o cerámico.
El transformador de entrada puede ser cualquiera que tenga un devanado de baja tensión de 5 a 12 V con corriente de 100 a 500 mA y primario de 110 V.
Este transformador funcionará sólo con casador de impedancia y la resistencia en su entrada tiene valor que depende del amplificador, conforme a la siguiente tabla.
Potencia del amplificador Valor de R
En este caso,
1 a 5 W 22 ohms x 1 W
5 a 10 W 47 ohms x 1 W
10 a 50 W 100 ohms x 2 W
Encima de 50 W 220 ohms x 2 W
En la figura 9 tenemos el modo de hacer la conexión a un sistema de sonido monofónico.

En la figura 10 tenemos el modo de conectarse a un equipo de sonido estéreo.

Las conexiones al amplificador auxiliar deben ser blindadas para que no ocurra la captación de ronquidos.
Si se utiliza una fuente de alimentación, debe tener un excelente filtrado.
Q1 a Q4 - BC548 - transistores NPN de uso general
T1 - Transformador - ver texto
S1 - Interruptor simple
B1 - 6 a 12 V - pilas o fuente de alimentación
P1 - 1 M ohms - potenciómetro
P2 - 47 k ohms - potenciómetro
P3 a P6 - 100 k ohms - trimpots
C1 - 68 nF - capacitor de cerámica o poliéster
C2, C3 - 33 nF - capacitores cerámicos o poliéster
C4 - 47 nF - capacitor de cerámica o poliéster
C5, C6 - 22 nF - capacitores cerámicos o poliéster
C7 - 33 nF - capacitor de cerámica o poliéster
C8, C9, C10 - 15 nF - capacitores cerámicos o poliéster
C11, C12 - 8n2 F - capacitores cerámicos o poliéster
C13 - 10 uF x 16 V - capacitor electrolítico
C14 - 100 uF x 16 V - capacitor electrolítico
Rx - ver el texto
R1 a R8 - 100 k ohms - resistores - marrón, negro, amarillo
R9 a R12 - 5k6 ohms - resistores - verde, azul, rojo
R13 a R16 - 33 k ohms - resistores - naranja, naranja, naranja
R17 a R20 - 10 k ohms - resistores - marrón, negro, naranja
Varios:
Placa de circuito impreso, caja para montaje, fuente de alimentación o pilas, hilos, soldadura, etc.



