El altavoz emitirá un sonido fuerte cuando empiece a llover. Las gotas de agua que caen disparan este aparato transistorizado avisando que las ropas que se secan deben ser recogidas.

El lector montará un oscilador de audio de dos transistores que es disparado por la caída de las primeras gotas de lluvia. Un sensor muy simple de hacer es el responsable de la captación del agua que cae y el disparo del circuito de acción rápida que emitirá un sonido de alarma antes de que la ropa que se está secando sea mojada.
Este montaje experimental utiliza sólo dos transistores, dos resistores, un condensador y un altavoz además de la fuente de alimentación de 3 voltios y el sensor que puede ser improvisado con un pedazo de tela de alambre y un pedazo de paño poroso.
Como funciona
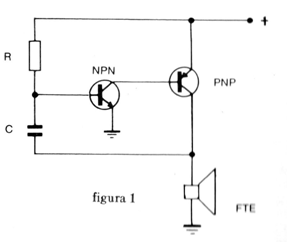
El oscilador de audio lleva dos transistores complementarios, es decir, uno del tipo PNP y otro NPN, acoplados de modo directo, formando un pequeño amplificador.
Cuando la señal de salida del segundo transistor se lleva de vuelta a la entrada del amplificador, tenemos una retroalimentación que lo hace oscilar. En esta oscilación se producen sonidos en el altavoz cuya frecuencia justamente depende de las condiciones en que se realice la retroalimentación.
En el caso de este circuito, mostrado en la figura 1, la frecuencia del sonido depende tanto del valor del resistor R como del valor del capacitor C.

El capacitor es fijo, y R puede ser cambiado dentro de ciertos límites. Fuera de estos límites el transistor de entrada (NPN) no es polarizado y el oscilador no funciona, o sea, queda en silencio, además de lo que. El circuito tiene su corriente muy reducida.
El sensor queda justamente en lugar de esta resistencia, de modo que. cuando es seco, presenta una resistencia muy alta, mucho más allá del rango en que el oscilador funciona. En este caso, permanece en silencio y el consumo de energía de las pilas es mínimo.
En el momento en que las primeras gotas de lluvia caen en el sensor, su resistencia disminuye acentuadamente, entrando a la banda en que el oscilador entra en acción.
Es en este momento que el oscilador se pone en funcionamiento, avisando que la lluvia comenzó.
El sensor se muestra en la figura 2. Se trata de un conjunto o sándwich de dos pantallas de alambre fino (hechas con hilo descascarado, si el lector prefiere) teniendo entre ellas un pedazo de tejido poroso o incluso una servilleta de papel.

En el pedazo de tela o papel se salpicó un poco de sal común, Seco el tejido con sal no conduce en modo alguno a la electricidad, presentando, por lo tanto, una resistencia muy alta.
Cuando se humedeció, sin embargo, su resistencia cae acentuadamente, en cuyo caso la corriente eléctrica puede pasar, haciendo el oscilador funcionar.
El tipo de sonido que el lector desea puede cambiar con la. cambio del capacitor C1. Su valor puede quedar entre 33 nF (sonido más agudo) hasta 100 nF (sonido más grave).
Montaje
El circuito completo de la alarma de lluvia, se muestra en la figura 3.

Los montadores deben consultar la lista al final del libro que trata de la equivalencia de los componentes usados, principalmente los transistores, si tiene dificultades con su obtención.
La placa utilizada es la universal dada como brindis, o entonces, si el lector ya la usó, hecha en su laboratorio de circuitos impresos.
El dibujo de los componentes sobre la placa con las conexiones que se deben hacer se muestra en la figura 4.

El lector debe prestar atención. en los siguientes puntos al realizar el montaje de los componentes en la placa:
a) coloque los transistores en las posiciones correctas, mirando bien a qué lado queda su parte aplanada.
b) compruebe bien los valores de los resistores, mirando la lista de material y confrontando los colores de los anillos en su envoltura.
c) En la soldadura del capacitor sea rápido, pues este componente es sensible al calor.
d) La conexión del sensor se puede realizar con un pedazo de hilo paralelo de hasta 5 metros. Demos como sugerencia un pedazo de medio metro, para facilitar el montaje y prueba.
e) En la conexión de los hilos del soporte de pilas hay que obedecer la polaridad. El hilo del polo positivo va al transistor T2, y el negativo a T1. No es necesario usar interruptor, pues estando en espera el consumo de energía es muy bajo. Para apagar es sólo sacar las pilas del soporte.
f) La conexión del altavoz se realizará con dos pedazos pequeños de hilo. No hay polaridad a seguir.
El aparato montado se muestra en la figura 5.

La prueba de funcionamiento es muy simple. Coloque las dos pilas en el soporte, comprobando si su posición es correcta.
Después, gotee una gota o más de agua en el sensor. La alarma debe sonar alto, y tanto más grave cuanto más mojado quedar el sensor.
Para volver a utilizar la alarma será necesario cambiar el pedazo del paño del sensor por un seco con un poco de sal.
Uso
Una forma de usar la alarma consiste en colocarlo dentro de casa, pero con el sensor apagado, de modo que las gotas de lluvia puedan alcanzarlo. Las pilas pequeñas pueden permanecer permanentemente en el soporte, pues el consumo en esta condición será despreciable;
Esta alarma también sirve para acusar fugas, incluso el de pañales de niños en una interesante alarma para la mamá como muestra la figura 6.

Posibles fallos
En ausencia de oscilación del aparato cuando el sensor está mojado, compruebe:
a) el estado de las pilas y su polaridad
b) la continuidad de la bobina del altavoz
c) si los transistores no están intercambiados o invertidos
d) si las resistencias están determinadas
e) si todas las soldaduras están firmes.
T1 - BC237 o equivalente - transistores NPN
T2 - BC557 o equivalente - transistores PNP
FTE - altavoz de 8 ohms
SS - sensor (ver texto)
B1 - 3 V - 2 pilas pequeñas
R1 - 47 k x ¼ W - resistor (amarillo, violeta, naranja)
R2 - 1 k x ¼ W - resistor (marrón, negro, rojo)
C1 - 47 nF o 0,05 uF - capacitor de cerámica o poliéster
Placa de circuito impreso universal
Soporte para 2 pilas pequeñas
Caja de montaje
2 metros o más de hilo
Soldadura
Pieza de tela de alambre (2)
Poco de sal
Pieza de tejido poroso



