Un circuito que no pierde la actualidad y es siempre solicitado por nuestros lectores es el control de potencia con TRIAC. Este tipo de circuito se puede utilizar en las siguientes aplicaciones básicas:
* Dimmer de lámparas incandescentes
* Control de temperatura de elementos de calefacción
* Control de velocidad de motores
* Variac electrónico
El circuito propuesto es la versión universal con TRIAC que la mayoría de los lectores conoce, pero no recuerda exactamente el diagrama, ni los valores de los componentes.
El tipo más común de control de potencia es el que opera con TRIAC cambiando su ángulo de conducción de los semiciclos de la tensión de la red de energía.
Simple de montar, este circuito se caracteriza por la enorme eficiencia, ya que las pérdidas en el elemento de control son mínimas y por la confiabilidad, lo que lo hace utilizable en la mayoría de las aplicaciones comerciales en que esta función se hace necesaria.
El circuito propuesto puede controlar cargas de 3 a 32 amperios, dependiendo del TRIAC seleccionado, tanto en la red de 110 V como en 220 V.
COMO FUNCIONA
El disparo de un TRIAC en el semiconductor de tensión de la red de alimentación puede ser variado para dosificar la cantidad de energía aplicada a una carga.
Así, si por una red de retardo disparar el TRIAC al final del semiciclo, la potencia aplicada a la carga será pequeña, y si disparamos al principio, la potencia será grande, vea en la figura 1.

Si en la red de retardo que controla el disparo colocamos un elemento variable (un potenciómetro), podemos cambiar el punto de disparo, y con ello controlar linealmente la potencia aplicada al circuito de carga.
En nuestro caso, el punto de disparo depende tanto de la red RC de disparo y de la tensión del DIAC (alrededor de 27 V).
Los valores exactos de los componentes de la red de retardo son importantes para tener el control deseado.
En las aplicaciones prácticas, una pequeña "banda muerta" puede aparecer, dependiendo de las tolerancias de estos componentes. Así, puede ocurrir que la carga no empiece a recibir la energía al principio del giro del potenciómetro, de la misma forma que puede no reducirse a cero en ese punto.
Otro problema surge al final de la pista donde puede ocurrir que el 100% de la potencia (en realidad el 98% del máximo) no se alcancen al final del curso del potenciómetro, o antes de él, como muestran las curvas de la figura 2.

De este modo, para las aplicaciones más críticas pueden ser necesarios "ajustes" en los componentes de la red RC, lo que debe realizarse experimentalmente.
MONTAJE
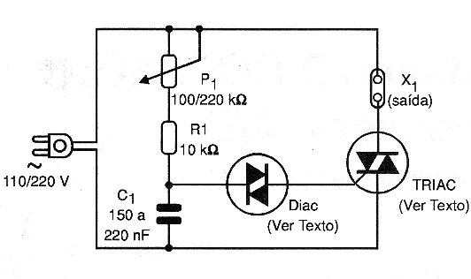
En la figura 3 tenemos el circuito básico del control de potencia.

La disposición de los componentes en una placa de circuito impreso se muestra en la figura 4.

Para el caso de controles de cadenas más altas, por encima de 8 amperios, es conveniente soldar los hilos (que deben ser gruesos) directamente a las terminales del TRIAC.
Este componente debe montarse en un radiador de calor compatible con la potencia de carga que debe controlarse.
Para el DIAC cualquier tipo sirve, ya que los existentes en el mercado poseen características próximas de disparo que poco influyen en el desempeño de este circuito.
El capacitor C1 debe tener una tensión de trabajo de al menos 100 V.
Para el TRIAC, tenemos las siguientes opciones:
TIC206 - (4 ampères) Sufijo B = 200 V
Sufijo D = 400 V
TIC216 - (6 ampères) Sufijo B = 200 V
Sufijo D = 400 V
TIC226 - (8 ampères) Sufijo B = 200 V
Sufijo D = 400 V
TIC236 - (12 ampères) Sufijo B = 200 V
Sufijo D = 400 V
TIC246 - (16 amperios) Sufijo B = 200 V
Sufijo D = 400 V
TIC253 - (20 ampères) Sufijo B = 200 V
Sufijo D = 400 V
TIC263 - (25 ampères) Sufijo B = 200 V
Sufijo D = 400 V
Los envases para todos los TRIACS sugeridos con el pinado se visualizan en la figura 5.

PRUEBA Y USO
La prueba puede realizarse con cualquier carga resistiva para la red local, como por ejemplo una lámpara incandescente.
Si el rango de ajuste no coincide con lo esperado, tenemos las siguientes posibilidades:
a) aumentar o disminuir R1
b) aumentar o disminuir C1
Para usar, respete la corriente máxima que el TRIAC puede controlar, y proteja el circuito con un fusible apropiado.
Semiconductores:
TRIAC - Ver texto - conforme corriente
DIAC - cualquiera
Resistores:
R1 - 10 k ohms x 1/2 W
P1 - 100 k ohms (110 V) o 220 k ohms (220 V)
Capacitores:
C1 - 150 a 220 nF - poliéster para 100 V o más
Varios:
Placa de circuito impreso, caja para montaje, radiador de calor para el TRIAC, toma para la carga, cable de alimentación para la entrada, fusible y soporte de fusible según la carga, botón plástico para P1, hilos, soldadura, etc.



