En este artículo se presenta un circuito bastante simple y de gran utilidad, para su cabecera: una lámpara que apaga suavemente, simulando una "puesta del sol", y así dando tiempo para que usted se acomode en el claro, sin la necesidad de quitarse brazos debajo de las cubiertas para apagar la luz. Simple de montar, admite variaciones tanto de comportamiento como de aplicaciones.
Describimos en este artículo un dispositivo que apaga suavemente una lámpara incandescente común. Montado en una lámpara, esta lámpara se puede utilizar en la cabecera para "oscurecer" suavemente un cuarto de dormir.
El circuito se puede ajustar para mantenerse ligeramente activado.
De esta forma, sólo un pequeño brillo visible del filamento de la lámpara, permite su localización fácil para accionamiento durante la noche en un caso de necesidad.
El circuito básico se realiza para lámparas de hasta 40 W, y no hay necesidad de usar radiador de calor para el SCR, pero nada impide que el uso de radiador en el SCR, permita el control de cargas de mayor potencia.
La temporización, es decir, el tiempo total que la lámpara tarda en apagarse puede variar entre algunos segundos y algunos minutos, dependiendo de los valores de los componentes usados.
Los pocos componentes permiten el alojamiento del aparato en la propia base de una lámpara común.
Si bien el circuito es protegido por un fusible en la entrada, se debe tomar el máximo cuidado con la operación y montaje, principalmente porque estamos operando con la tensión de la red.
El aislamiento debe ser total para que no quede ningún punto vivo expuesto, capaz de causar choques en quien toque el aparato.
CARACTERÍSTICAS
Tensión de alimentación: 110/220 VCA
Potencia de la lámpara: 5 a 40 W (modificable)
Temporización: algunos segundos hasta algunos minutos
COMO FUNCIONA
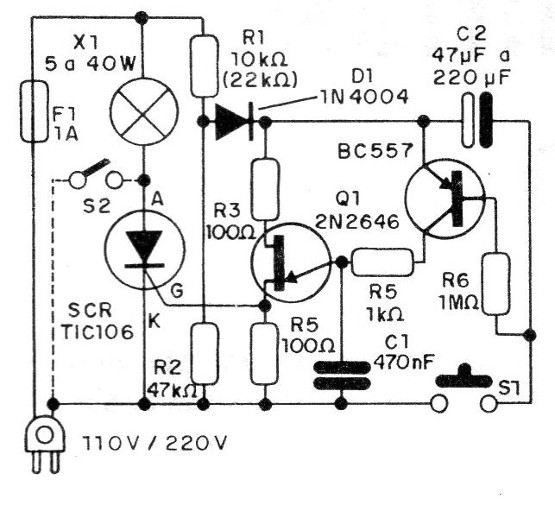
Un SCR (diodo controlado de silicio) se conecta en serie con la lámpara a controlar. El SCR debe ser disparado por su conducto al principio de cada semiconductor de alimentación alterna para que la lámpara tenga mayor brillo.
Si el punto del disparo se mueve suavemente hacia el final del semiciclo, el disparo se producirá cada vez más tarde y con ello habrá una reducción del brillo de la lámpara hasta que se apague, (figura 1).

Para hacer el disparo de forma controlada, usamos un transistor unijuntura como base.
El transistor tiene en su emisor un capacitor que debe cargarse rápidamente si queremos un disparo justo al inicio del semiciclo y más lentamente para que el disparo ocurra en otras posiciones.
Lo conseguimos conectando en serie el capacitor con un transistor PNP de uso general y un resistor.
La conducción del transistor determina si el capacitor se carga más o menos rápidamente, y con ello el ángulo de conducción del SCR.
En la base del transistor conectamos un capacitor y un resistor de tal forma que, partiendo de una condición de cargado, el capacitor se descarga lentamente por la resistencia y el transistor afectando su conducción.
El transistor funciona, pues, como un resistor variable que aumenta su resistencia automáticamente a medida que el capacitor C2 se descarga por el resistor R6.
En este caso, el tiempo de disparo tarda para ir desde el inicio de semiconductor de la corriente alterna hasta su final, cuando la lámpara se apaga, depende de la descarga de C2 por R6.
Con los valores dados en el circuito obtenemos algo alrededor de un minuto teniendo en cuenta las tolerancias de los componentes.
El lector puede cambiar tanto R6 como C2, sólo evitando aumentar R6 mucho más allá de 2,2 M ohms y C2 además de 1 uF, pues las fugas naturales de los electrolíticos pueden instabilizar el funcionamiento.
Un componente importante en este proyecto es C1 que determina el rango de desplazamiento del punto de disparo. Si C1 es muy pequeño, incluso con Q2 cerca del corte, todavía tendremos el disparo dentro del semiciclo y la lámpara no se apaga totalmente.
Si esto ocurre con el lector, basta con aumentar C1.
Es interesante que la lámpara no se apague completamente pero mantenga el filamento ligeramente rojizo para facilitar su ubicación en la oscuridad.
El consumo de energía de 1 o 2 W obtenido en esta condición no es significativo y compensa la comodidad.
El circuito funciona tanto con 110 V como 220 V sólo debe cambiar el valor de R1.
En la condición de reposo o apagado el aparato consume todavía 1 o 2 W, lo que puede ser notado por un leve calentamiento de R1.
MONTAJE
En la figura 2 tenemos el diagrama completo del aparato.

La disposición de los componentes en una placa de circuito impreso se muestra en la figura 3.

El SCR debe tener sufijo B si su red es de 110 V y sufijo D si la red es de 220 V. La resistencia R1 debe ser de hilo y su valor es de 10 k ohms para la red de 110 V y 22 k ohms si la red es de 220 V.
Los demás resistores son de 1/8 o 1/4 W y el capacitor C1 puede ser de poliéster o cerámico y el capacitor C2 es un electrolítico para 25 V.
El transistor unijuntura no admite equivalentes.
El transistor O2 debe ser preferentemente un BC557 u otro PNP. El SCR necesita radiador para lámparas superiores a 40 W con al menos 40 V de tensión máxima entre colector y emisor.
S1 es un interruptor de presión.
Una llave opcional para utilizar el aparato sin la temporización es S2 que se conectará en paralelo con el SCR.
Las conexiones de S1 deben ser cortas, pues el circuito es tan sensible que la simple captación del zumbido de la red por la base del transistor puede ser suficiente para llevarlo a la conducción y mantener la lámpara parcialmente encendida.
El diodo D1 es el 1N4004 o equivalente de mayor tensión tanto para la red de 110 V como 220 V.
El fusible en la entrada puede tener valores entre 500 mA y 1A, tanto en la red de 110 V como 220 V.
PRUEBA Y USO
Para probar el aparato basta con colocar el fusible en el soporte y conectar la alimentación. Si usted ha utilizado S2 él debe ser mantenido abierto.
Apriete S1 por un instante, la lámpara no debe encenderse hasta que lo suelte. Después de eso la lámpara se enciende y se mantiene más o menos con el brillo estable hasta que en determinado instante empieza a disminuir suavemente de luminosidad hasta borrar.
Si no se borra por completo, aumente C1. Para ello tenga en manos un capacitor de 220 nF y otro de 100 nF, ligando primero el menor en paralelo y si eso no resuelve el mayor y finalmente los dos.
Como sugerimos es interesante encontrar un valor que mantenga el filamento ligeramente rojizo para facilitar su ubicación en la oscuridad.
Comprobado el funcionamiento es sólo cerrar el aparato en su caja y usarlo.
Para ello presione por un instante S1 cuando quiera el disparo y suéltelo.
SCR - TIC106B o D - diodo controlado de silicio - ver el texto
Q1 - 2N2646 - transistores unijuntura
Q2 - BC557 - transistores PNP de uso general
D1 - 1N4004 - diodo de silicio
X1 - lámpara para 110 V o 220 V de 5 a 40 W - ver texto
S1 - interruptor de presión
S1 - interruptor simple - opcional
Fl - 1 A - fusible
R1 - 10 k ohms (110 V) o 22 k ohms (220 V) x 5 W - resistor de hilo
R2 - 47 k ohms x 1/8 W - resistor (amarillo, violeta, naranja)
R3 y R4 - 100 ohms x 1/8 W - resistor (marrón, negro, marrón)
R5 - 1 k ohms x 1/8 W - resistor (marrón, negro, rojo)
R6 - 1 M ohms x 1/8 W - resistor (marrón, negro, verde)
C1 - 470 nF (474 ??o 0,47) - capacitor de cerámica o poliéster - ver el texto
C2 - 47 uF a 220 uF x 25 V - capacitor electrolítico - ver texto
Varios: cable de alimentación, soporte para el fusible, placa de circuito impreso, caja para montaje, zócalo para la lámpara, lámpara, hilos, soldadura, etc.



