El circuito que vamos a presentar es sugerido por Honeywell (www.honeywell.com), siendo indicado para aplicaciones de control computarizado (2007)
La salida de este amplificador permite utilizar sensores de presión y otros con las mismas características con ADCs que operen en el rango de 0 a 5 V.
Como la mayoría de los amplificadores usados con este propósito no tienen una pista que va de 0 a la tensión de alimentación, pero parten de 100 mV cuando se utiliza una fuente simple, esto puede ser una limitación del proyecto.
La idea presentada consiste en utilizar una fuente negativa para permitir que el amplificador salga de cero. Es justamente que se sugiere en esa aplicación.
Así, partimos de la fuente de alimentación negativa, mostrada en la figura 1, que hace uso de un convertidor de tensión LTC1044 (Linear Technology), para generar una tensión negativa de -1,23 V de una fuente simple de 12 V.

En este circuito, los cuatro diodos en serie proporcionan una tensión de entrada de aproximadamente 2,4 V para el circuito que, a través de una técnica de conmutación de un condensador, posibilita la inversión de la polaridad en la salida.
La tensión de salida es entonces regulada por un diodo zener (Z1) proporcionando así los 1,23 V negativos que va a ser utilizado en la alimentación del amplificador.
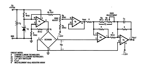
El circuito completo del amplificador se muestra en la figura 2, basándose en un amplificador operacional cuádruple de la Linear Technology LT1014DV.
También observamos que este circuito utiliza un array de resistores multielementos ®, para un montaje compacto.
El trimpot Ro hace el ajuste de nulo del circuito que, para el sensor sugerido puede medir presiones de 0 mm Hg a 250 mm Hg con el sensor SCX05DN de Honeywell.
Para ajustar, inicialmente se ajusta el nulo con el sensor en el vacío y después, se aplica la presión máxima, ajustándose Rp para que la salida sea de plena escala o 5 V.




