En su Application Note AN1317 de 2008 Intersil (www.intersil.com) describe un regulador de voltaje USB de 5 V con una sola etapa, que funciona de forma estable.
Según el documento, la solución común que se utiliza más en este tipo de aplicación es la que hace uso de un regulador de aumento y de un LDO, como muestra la figura 1.

Este tipo de circuito está configurado para aceptar tensiones de entrada de 3 a 6 V y producir en su salida una tensión de 6,25 v, que entonces está regulada por un LDO para 5 V. Las dos etapas de este tipo de configuración presentan pérdidas de energía conversión que pueden ser importantes en determinados tipos de aplicación.
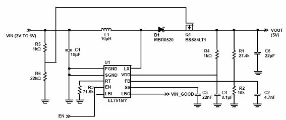
Una solución más simple, empleando un circuito de sólo un paso es la que hace uso del circuito integrado EL7515 de Intersil, y que se muestra en la figura 2.

Este circuito utiliza un PFET para funcionar como un regulador lineal en la salida, sustituyendo el LDO. Cuando se utiliza un convertidor de impulso, la salida se debe ajustar a un valor por encima de la tensión más alta para evitar pérdidas significativas. Entonces, la salida del EL7515 en la figura tuvo que ser ajustada a 6,25 V. Un regulador LP3961 fue entonces usado para obtener los 5 V de salida. Como los dos componentes usados ??tienen una eficiencia del 80% la eficiencia total del circuito pasa a ser 0,8 x 0,8 = 0,64 o 64%.
En este tipo de proyecto, la eficiencia es dada directamente por la diferencia que existe entre la tensión de entrada y la tensión de salida multiplicada por la corriente, en relación a la tensión en la carga.
Para lograr un considerable aumento de la eficiencia, podemos reducir el circuito en una etapa, como se muestra en la figura 2. El diodo Schottky en serie con el PFET mantiene la salida del regulador en una tensión mayor que la de la salida del sistema, lo que mantiene el convertidor de potencia operando en su máxima eficiencia. El PFET funciona como un resistor lineal que está totalmente en el estado ON cuando la entrada está en menos de 5 V. Para estas tensiones el circuito mantiene la salida sin pérdidas en el transistor Cuando la tensión de entrada es mayor que 5 V, el perno 10 del convertidor necesita aumentar la salida, lo que hace que el transistor empiece a encender y apagar aumentando la resistencia media del canal.
Esta resistencia insertada en el circuito, aísla la salida del regulador boost de la salida del sistema y proporciona la caída de tensión que lleva a la salida a la tensión deseada. En la figura 3 tenemos una comparación de la eficiencia de los dos circuitos, para una tensión de entrada de 3,3 V y una salida de 5 V.

En la figura 4 tenemos una comparación de la eficiencia de los dos circuitos para una entrada de 5 V y una salida de 5 V.

Conclusión
La solución propuesta por Intersil puede ser bastante interesante cuando se busca este tipo de regulador en una configuración de mayor eficiencia. Los lectores interesados pueden descargar la documentación completa sobre esta idea de circuito en el sitio de Intersil bajo el Application Note AN1317. Evidentemente, la configuración podrá ser reproducida para operar con otros tipos de convertidores, aprovechando la misma idea básica.



