Uno de los grandes problemas para todos los que proyectan equipos electrónicos es tener un archivo de circuitos básicos que puedan ser usados ??inmediatamente, ahorrando así mucho tiempo de trabajo. Evidentemente, para que no posean una biblioteca técnica con manuales de muchos fabricantes y muchos libros de circuitos eso no es fácil y no siempre esa configuración básica que necesitamos puede ser lograda con facilidad. El resultado es que la configuración se debe crear, probar y eventualmente modificada con mucha pérdida de tiempo. Los circuitos que seleccionamos a continuación forman parte de un archivo enorme que disponemos y que creemos importante poner a disposición de los lectores. En algunos casos es importante verificar la disponibilidad de los componentes principales antes de partir para el montaje, sin mencionar que, dependiendo de la aplicación, pueden ser necesarias adecuaciones con alteraciones de calores para obtener el mejor desempeño.
LLAVE DE AUDIO CONTROLADA DIGITALMENTE
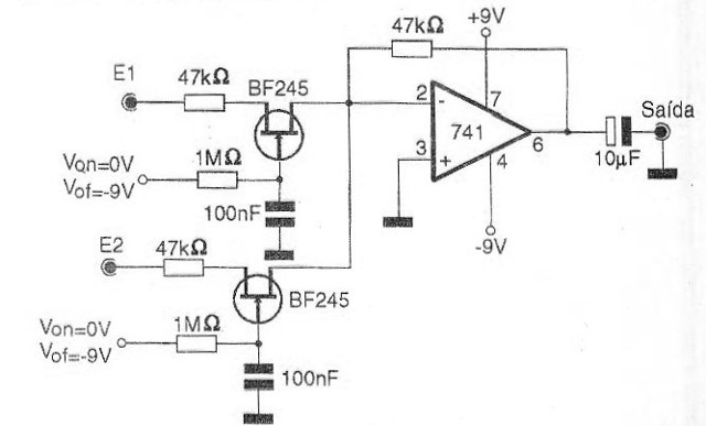
Nuestro primer circuito puede servir de base para un mezclador digital o simplemente para un conmutador sin ruido de entradas de audio en una mesa de sonido, mezclador o incluso en una estación de radio experimental.
La conmutación de las fuentes de audio en el circuito de la figura 1 es hecha por la aplicación de tensión continua en las compuertas de los transistores de efecto de campo. Los transistores conducen o no conducen las señales de audio, según el caso, aplicándolos al amplificador operacional de ganancia unitario.

Observe que la fuente de alimentación debe ser simétrica y que es la resistencia de 47 k ohms entre la salida y la entrada inversora (pines 6 y 2) que determina la ganancia del circuito. Este resistor se puede cambiar según la aplicación.
Evidentemente se pueden experimentar otros amplificadores operativos y otros transistores de efecto de campo. Un punto interesante de este montaje es que los transistores pueden ser conectados de cualquier forma en relación a los terminales de drenaje y fuente, pues la corriente circula en los dos sentidos en la conducción.
Para un mezclador digital, por ejemplo, se aplica en las entradas de conmutación las señales complementarias de un oscilador digital que debe operar en una frecuencia mayor que la del corte de audio.
GENERADOR DIGITAL TRIANGULAR / SENOIDAL
Un circuito básico interesante para proyectos es el mostrado en la figura 2 y que consiste en un sintetizador de forma de onda digital.

Utilizando una red R / 2R es posible generar señales triangulares (en escalera) como muestra la figura en una banda de frecuencias que va de fracción de hertz hasta algunos cientos de kilohercios.
Con el uso de un filtro en la salida la señal puede ser llevada a presentar una forma de onda próxima a la senoidal. El filtro puede ser simple RC para este propósito.
La frecuencia es la generada por la puerta NAND, pero nada impide que esta parte del circuito sea omitida permitiendo así la operación del generador con una señal externa.
ILUMINACIÓN CONSTANTE
La idea básica del circuito presentado en la figura 3 es aumentar el brillo de una lámpara incandescente común cuando la cantidad de luz ambiente que incide en el sensor disminuye.

Colocado en una habitación, hará que las luces aumenten de brillo a medida que se oscurezca, de manera suave ocurriendo el efecto inverso al amanecer.
Evidentemente, la misma configuración puede ser modificada para operar con otros tipos de sensores. Así, si en lugar del LDR utilizamos un NTC, y como carga un calentador, el circuito pasará a calentar un ambiente cuando su temperatura disminuya, funcionando así como un termostato.
Evidentemente, según el rango de control deseado y las propias características del sensor pueden ser necesarios cambios de valores de componentes.
El TRIAC utilizado con sufijo B opera en la red de 110 V y con sufijo D en la red de 220 V permitiendo un control de corrientes de carga de hasta 8 amperios.



