Damos a continuación una recopilación de circuitos prácticos, basados ??principalmente en componentes nuevos que están siendo lanzados por diversos fabricantes. Ciertamente, estos circuitos, por sus características inéditas, deben ser considerados al realizarse un nuevo proyecto.
Convertidor Aceleración / Frecuencia
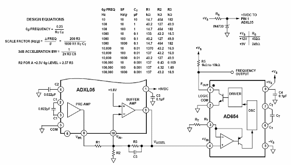
El primer circuito fue sugerido por Analog Devices (www.analog.com) en su Application Note AN-411 y consiste en un circuito en el que la frecuencia de salida varía directamente con la aceleración aplicada al sensor. Este circuito se muestra en la figura 1.

La alimentación se puede hacer con tensiones de fuentes simples entre 9 V y 12 V. El sensor es un ADXL05 de +/- 5g que convierte cualquier aceleración aplicada directamente a una tensión de tensión. Esta tensión se aplica entonces a un AD654 que consiste en un convertidor de tensión-frecuencia de bajo costo. La tabla junto al diagrama da los valores de componentes a varias bandas de frecuencias de salida. En esta tabla también tenemos la discriminación de la aceleración en términos de Hertz / g.
La tensión de salida en el pasador 8 del ADXL05 es de +2,5 V sin aceleración, y varía de 200 mV por encima o por debajo de este valor por cada 1g de aceleración detectada. En el mismo diagrama tenemos las fórmulas que posibilitan el cálculo de los componentes para obtener características específicas para el proyecto. En el proyecto, los resistores deben ser de precisión y R1a debe ser aproximadamente el 50% del valor de R1b. Se pueden utilizar resistores de alta precisión para calibración y luego hacer su cambio por tipos de 1% de tolerancia.
Circuito de aislamiento para RS-232
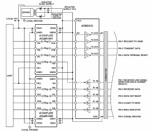
En las aplicaciones críticas de la interfaz RS-232, el peligro de tensiones inducidas en los cables debe ser considerado. Una manera de evitar el problema es a través del uso de aisladores ópticos. Analog Devices (www.analog.com) en su Application Note AN-740 da circuitos prácticos para esta finalidad con excelentes explicaciones sobre el funcionamiento de este tipo de interfaz. Teniendo en cuenta que los acopladores ópticos digitales comunes no soportan señales del estándar RS-232, el proyectista debe estar atento en la elección del dispositivo correcto para el proyecto. En el circuito presentado en la figura 2. En el circuito presentado, los transceptores RS-232 utilizan lógica digital con señales entre 0 y 5V o 0 a 3 V, siendo conectados a una UART o procesador.

El proyecto presentado utiliza un acoplador óptico de Analog especialmente diseñado para este propósito. Observe que el diagrama de fuente también se incluye.
Convertidor DC / DC Step-Down de 18V x 5 A
Nuestro tercer circuito consiste en un convertidor Step-Down (reductor de tensión) que puede proporcionar una salida de 5 A con entradas de 4 a 18 V. La configuración mostrada en la figura 3 se basa en el circuito integrado LTC3608 de Linear Technology (www.linear. con), que posee el MOSFET de potencia on-chip y una referencia interna de precisión. El circuito es estable con capacitores de cerámica en la salida y además posee características como límite de corriente ajustable, arranque suave programable y protección contra sobretensión en la salida. Otra característica importante de este circuito es su eficiencia que alcanza el 95% con una corriente de salidas en el rango de 2 a 4 A, para una tensión de entrada de 12 V y tensión de salida de 2,5 V. El circuito integrado utilizado es suministrado en envoltura QFN de 7 x 8 mm. La tensión mínima de salida es de 0,6 V y la frecuencia de conmutación de 1 MHz.

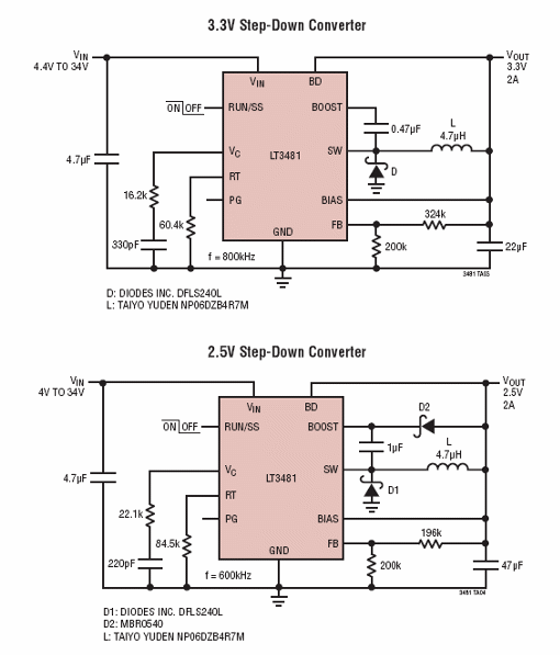
Circuitos con el convertidor Step-Down LT3481 de 36 V x 2 A
Un circuito integrado bastante interesante para proyectos de convertidores escalonados (reductores de tensión) con una capacidad de corriente de salida hasta 2 A es el LT3481 de Linear Technology (www.linear.com). Este componente tiene un rango de tensiones de entrada de 3,6 V a 34 V con un máximo de 36 V y una frecuencia de conmutación de 2,8 MHz. En la operación en modo burst el ripple con 50 uA Iq, 12 V de entrada y 3,3 V de salida. Este límite en estas condiciones, es menor que 15 mV. El diodo de impulso se integra y la tensión de referencia de retroalimentación es de 1,265 V. El dispositivo puede proporcionar tensiones de salida de 1,265 V a 20 V y tiene características de arranque suave. La llave de potencia incluida en el chip tiene una resistencia de sólo 0,18 ohmios lo que lleva al dispositivo a alcanzar altas eficiencias, por encima del 80% con la carga máxima. En la figura 4 tenemos un circuito de aplicación para una entrada de 6,3 V a 34 V y una salida de 5 V.

Para salidas de 3,3 V y 2,5 V con entradas en el rango de 4 a 34 V tenemos los dos circuitos mostrados en la figura 5. En todos los casos, tenemos recursos de shutdown que reducen el consumo a menos de 1 uA. El dispositivo se suministra en envoltura MSOP de 10 pines y también DFN.

Amplificador de 20 W por canal con el TPA3100D2
El circuito integrado TPA3100D2 de Texas Instruments (www.ti.com) consiste en un eficiente amplificador clase D con salida en 8 ohmios, indicado para equipos de sonido doméstico. El circuito de alta eficiencia puede utilizar altavoces de 8 ohms y su alimentación se puede hacer con tensiones de 10 V a 26 V. El rendimiento alcanza el 92% y cuenta con selección de ganancias y entradas diferenciales. El circuito integrado TPA31002 se puede encontrar en envoltorios QFN o HTQFP de 48 pines para montaje en superficie. Con la ganancia elevada presentada, el circuito integrado dispensa el uso de disipadores de calor. Las ganancias pueden ser seleccionadas entre los valores de 20,26, 32 y 36 db

Controles de motor DC y de paso con el A3906
El circuito integrado A3906 de Allegro MicroSystems (www.allegro.com) consiste en un control de motor de paso simple o doble control de motor DC de baja tensión para operación con tensiones de 2,5 a 9 V. El circuito tiene límite de corriente interno PWM y aviso de corriente de pico de salida. Además de sus salidas son de baja rds9on) para menor disipación y tiene el modo "brake" (freno) para motores DC. En la figura 7 tenemos el circuito de aplicación para dos motores DC comunes.

Los valores de las resistencias dependen de la aplicación y más información sobre su cálculo se pueden obtener en el propio datasheet disponible en el sitio de Allegro. Para el control de un motor de paso, la configuración se muestra en la figura 8.

En el modo de reposo el dispositivo entra en la condición de bajo consumo. La corriente máxima de salida para los dos circuitos es de 1 A y el componente se puede obtener en envoltura QFN de 20 contactos con pad expuesto para ayudar en la disipación de calor.



