El circuito que presentamos sirve para invertir el sentido de circulación de la corriente a través de una carga por un tiempo determinado por C1 y R1. Entre las aplicaciones posibles, sugerimos automatismos en que, al activarse un sensor de seguridad, un motor de accionamiento deba inmediatamente invertir su sentido de rotación por algunos segundos. Otras aplicaciones dependen sólo de la imaginación del lector.
Aplicaciones posibles:
• Sistemas de seguridad
• Automatización
• Robótica
• Señalización
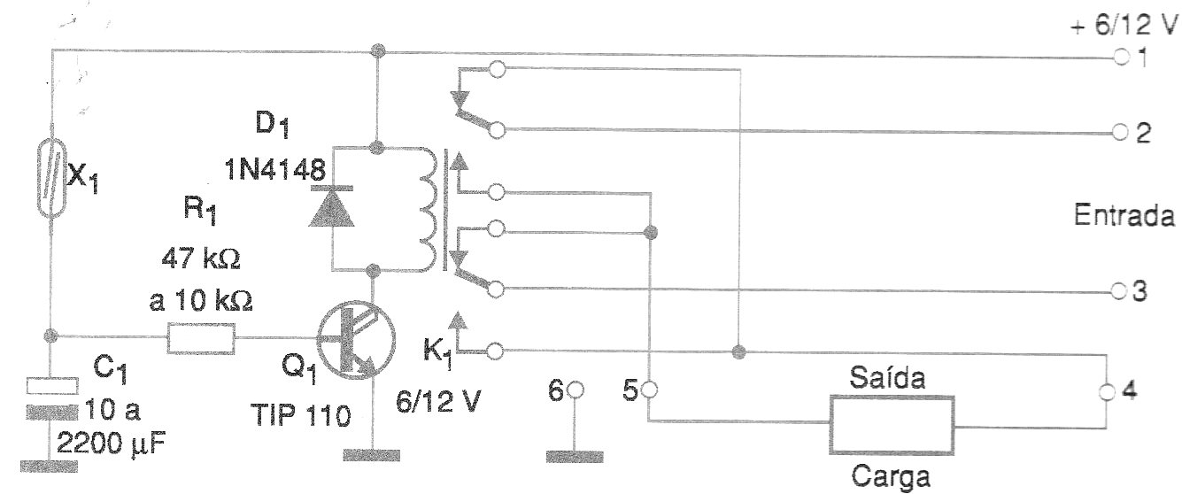
Cuando el sensor del circuito mostrado en la figura 1, cierra sus contactos por un instante el capacitor C1 se carga.
A partir de ese instante, el transistor Q1 está saturado cerrando los contactos del relé.
Incluso después de que el sensor tiene sus contactos abiertos, la carga del capacitor C1 mantiene el transistor en conducción y con ello el relé se mantiene activado.
El relé, de contactos dobles reversibles se conecta de tal forma que hace circular por la carga la corriente en un sentido cuando está desenergizado y en el sentido opuesto cuando su bobina es energizada.
Si la carga es un motor, tendremos su reversión por el tiempo determinado por R1 y C1.
Si la carga está formada por otro circuito sensible a la circulación de corriente, por ejemplo, dos LEDs diferentes en oposición, tendremos el cambio del color de señalización.
La elección de R1 y R2, así como del relé dependerá de la aplicación del circuito.
En cuanto a la alimentación del circuito, y por consiguiente del relé, es independiente de la alimentación de la carga, lo que hace el circuito más versátil.
Los valores excesivos de R1 y C1 deben ser evitados, pues las fugas pueden afectar la temporización. Los tiempos de la orden de algunos minutos se pueden conseguir fácilmente.
Un trimpot de 47 k ohms, en serie con una resistencia de 1 k ohms, puede ser usado para obtener un ajuste de temporización. Se conectará en lugar del resistor.
No es necesario utilizar radiador de calor para el transistor, ya que la corriente del relé es bastante baja.
Los transistores de alta ganancia y de menor potencia como el BC548 también funcionarán, pero el relé no debe tener corriente de accionamiento mayor que 50 mA, en ese caso.
El sensor puede ser cualquier tipo NA (normalmente abierto), como un reed-switch, un microswitch o aún llaves de final de carrera y otros dispositivos de seguridad.
También es posible conectar varios sensores en paralelo, de modo que se obtenga un accionamiento múltiple del módulo.
En ese caso, la función que regirá su funcionamiento será "O".
Para una función "E", basta con conectar los sensores en serie, como se muestra en la figura 2.

Un sistema adicional puede ser agregado para que, después de la reversión, el circuito pare no volviendo a la condición normal de circulación.
Esto puede ser implementado con recursos mecánicos como catracas o aún electrónicos, como un SCR (clave lógica con bloqueo).
En la figura 3 damos una sugerencia de placa de circuito impreso para implementación de ese proyecto.
El circuito también puede ser usado para simplemente mantener una carga accionada por un cierto tiempo, bastando para ello usar los contactos NA y C del relé.
En este caso, se deben realizar pequeños cambios en las conexiones de la tarjeta.
También observamos que el diseño de la placa fue elaborado para relés con base DIL.
Si se utilizan otros tipos de relé, se deben realizar cambios en el diseño.
La intensidad de la corriente controlada determinará el ancho de las pistas de estos contactos si no hay necesidad de conexión directa.
Q1 - TIP110 o equivalente - cualquier transistor Darlington NPN
D1 - 1N4148 - diodo de uso general
X1 - Sensor NA (ver texto)
C1 - 10 uF a 2 200 uF - capacitor electrolítico según el tiempo - ver el texto
R1 - 10 k ohms a 47 k ohmios x 1/8 W - resistencia según el tiempo - ver el texto
K1- Relé de 6 o 12 V - bobina hasta 100 mA - conforme tensión de alimentación
Varios:
Placa de circuito impreso, hilos, soldadura, fuente de alimentación, etc.





