Los invernaderos, los congeladores, los sistemas de refrigeración y ventilación en ambientes cerrados o en equipos industriales, además de otros dispositivos alimentados por la red de energía no pueden quedar sin alimentación durante períodos prolongados. En el caso de congeladores y refrigeradores los productos pueden deteriorarse o derretir, y en los demás casos podemos tener muerte de plantas, interrupción de procesos críticos de fabricación de productos e incluso el peligro de vida. Una alarma que indique que estos aparatos han sufrido cortes de energía puede ser muy importante y es justamente este aparato que describimos en este artículo.
Los establecimientos de salud, industriales, pequeños embalses, supermercados, farmacias, o cualquier establecimiento comercial que utilice congeladores o balcones refrigerados corren el peligro de tener productos deteriorados o derretidos en caso de corte de energía, lo que sin duda significa un gran perjuicio.
Incluso en el hogar, puede ser interesante un aviso de corte de energía para que los aparatos que estén conectados y que requieran una intervención inmediata del operador en estas condiciones, no causen problemas.
Si el corte es durante la noche, o cuando hay otros aparatos conectados a la misma red, la observación de lo ocurrido no representa un problema, pero no siempre es así.
Durante el día, cuando las luces están apagadas, la energía puede faltar y cuando alguien percibe los helados de una nevera ya se han ido o aquel envío de productos importantes se ha estropeado..
Una advertencia simple de corte de energía, y con características diferentes puede ser muy útil para quien desea tener seguridad en el aviso del corte de energía.
El circuito que proponemos en este artículo tiene algunas características diferentes en su versión básica.
No necesita ser conectado, y no necesita pilas o baterías que pasan a ser una fuente de preocupación constante pues si están gastadas y la energía faltar el aparato no funciona!
Nuestro sistema opera de un modo diferente que quedará claro al analizar su principio de funcionamiento.
Describimos entonces el montaje de un dispositivo que será conectado en la misma toma que alimenta el congelador, máquina industrial heladera, mostrador frigorífico u otro aparato monitoreado.
En caso de corte de energía, acciona un bip sonoro de buena intensidad durante 2 a 3 minutos, lo suficiente para alertar a la gente sobre lo ocurrido.
En una versión de mayor potencia se usa una batería recargable, el toque será de mayor potencia, pero durará horas.
La elección de la versión dependerá de la aplicación.
Otra característica importante de este circuito, principalmente en estos días de ahorro de energía, es que su consumo de energía es despreciable, lo que significa que puede ser conectado en la red de modo permanente sin un aumento perceptible en su cuenta de energía y sin el peligro de usted "estallar" su cuota de energía.
CARACTERÍSTICAS
- Tensión de alimentación: 110 o 220 VCA
- Consumo de energía: 0,01 watts (tip)
- Tiempo de llamada: 2 minutos a 3 minutos
COMO FUNCIONA
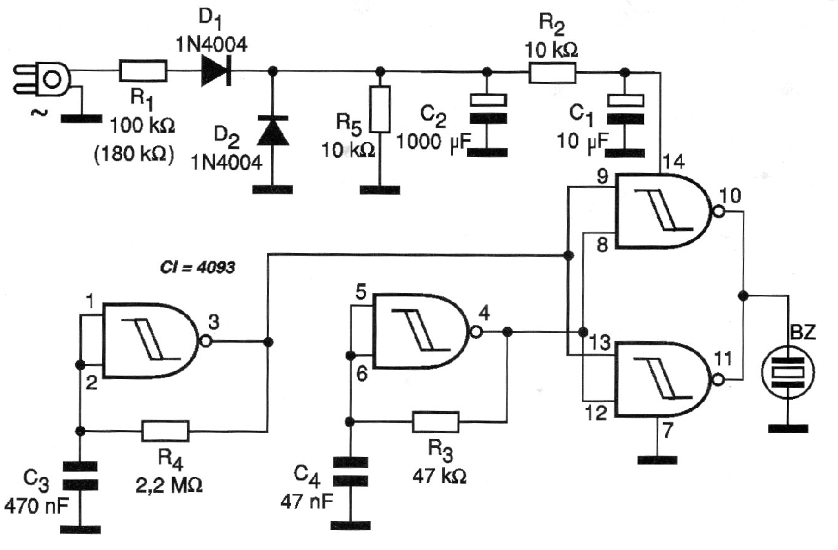
La tensión de la red de energía pasa por un divisor formado por los resistores R1 y R2 para obtener sobre R2 una tensión alternada del orden de 10 V.
Estos 10V son rectificados por dos diodos y sirven para cargar dos capacitores, C1 y C2. El capacitor C2 funciona como un "depósito de energía" que servirá para alimentar la alarma cuando haya el corte de energía, sin la necesidad de utilizar pilas.
Observe que este capacitor se carga a través de resistor R1 (de alto valor) lo que significa que tarda algún tiempo para que adquiera toda su carga cuando el aparato, conectado a la red de energía.
El sistema de aviso sonoro se basa en un circuito integrado 4093, que está formado por 4 puertas disparadoras que se pueden conectar de diversas formas.
Las puertas CI-1b y CI-1c se conectan como osciladores cuyas frecuencias dependen de los resistores y los capacitores asociados.
El primer oscilador genera pulsos que determina el intervalo entre los bips de advertencia y el segundo genera los bips propiamente dicho.
La puerta CI-1a se conecta como elemento lógico de control de los otros dos puertos.
Los dos osciladores se bloquean cuando el nivel de tensión en la entrada de CI-1a, alto (del orden de 10V).
Con este nivel en la entrada la salida va al nivel bajo lo que inhibe los osciladores.
Con el corte de energía en la red. la entrada de CI-1a (pin 2) va al nivel bajo y con ello, su salida va al nivel alto habilitando los osciladores que entran en funcionamiento.
La señal de los osciladores es llevada a la última puerta (CI-1d) que opera como buffer amplificador, o sea, aísla el circuito de la salida (transductor) y al mismo tiempo amplifica digitalmente la señal.
El transductor es un bocadillo piezoeléctrico que en el rango de frecuencias entre 3 y 7 kHz presenta excelente rendimiento.
El circuito es alimentado por la carga de C2 y funciona en el intervalo en que la tensión cae de 10V hasta aproximadamente 3V. El sonido disminuye gradualmente de intensidad hasta desaparecer.
Las curvas de la figura 1 muestran cómo el circuito se comporta con el corte de energía.
Para un capacitor de 2 200 uF obtenemos un funcionamiento de aproximadamente un minuto y medio, lo que es suficiente para alertar a las personas cercanas.
Este intervalo de tiempo depende mucho de la tolerancia de los componentes, ya que es grande para capacitores electrolíticos pudiendo el montador hacer experimentos e incluso usar capacitores mayores.
La función de C1 en este circuito mantiene la puerta en el nivel alto en los intervalos entre los semiciclos de la tensión de la red, sin lo que ocurrirá el disparo de los osciladores.
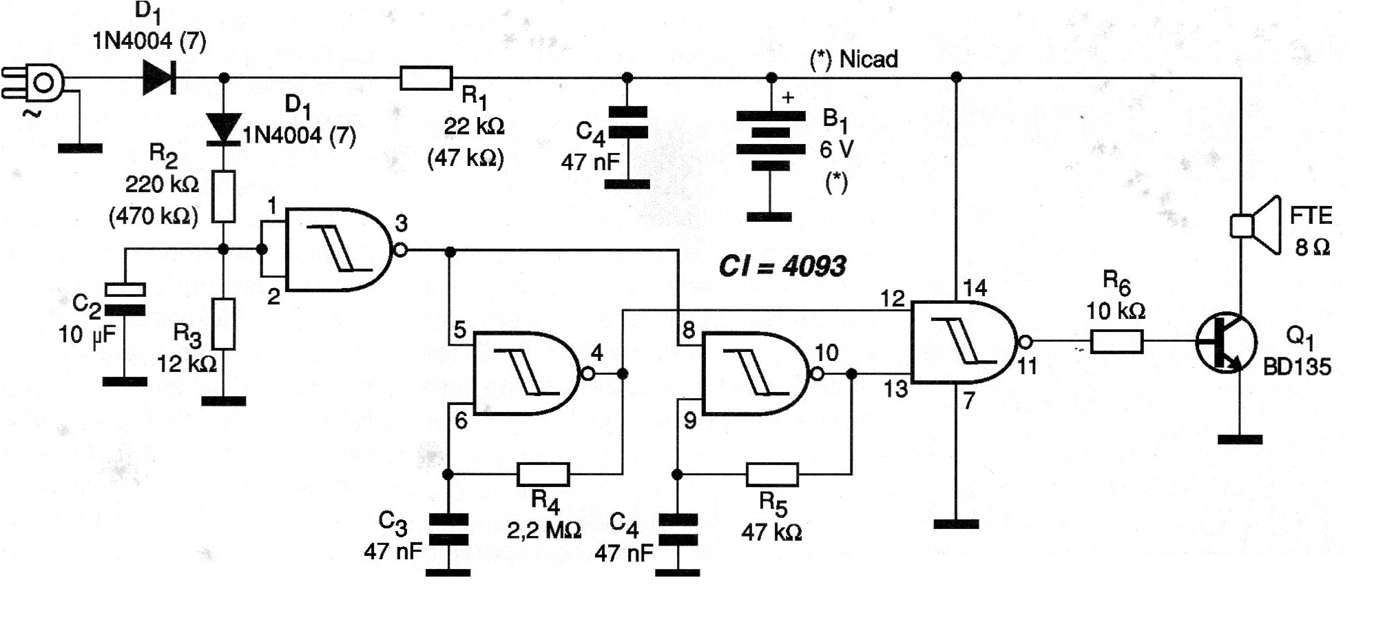
En la segunda versión, una etapa de potencia alimenta un transistor con un transductor más potente, y además tenemos un conjunto de pilas recargables de Nicad para mantener el circuito oscilando.
Las pilas se mantienen a una carga lenta constante para que estén siempre listas para el funcionamiento.
MONTAJE
En la figura 2 tenemos el circuito de alarma en la versión básica, alimentada por la descarga del capacitor y que por lo tanto no necesita de fuente propia de energía.
La placa de circuito impreso para esta versión se muestra en la figura 3.
La versión con batería o pilas recargables (4 AA de NIcad) se muestra en la figura 4.
La placa de circuito impreso para esta versión se muestra en la figura 5.
La versión básica, por sus reducidas dimensiones puede ser montada dentro de una cajita del tipo eliminador de pilas y conectada por un "benjamín" junto con el aparato protegido.
El único cuidado que el montador debe tener en este caso es con la calidad del benjamín que debe estar apto para soportar la corriente requerida por el aparato monitoreado.
Recordamos que congeladores, refrigeradores y balcones frigoríficos, cuando tienen sus motores compresores accionados exigen corrientes bastante elevadas.
Si la toma junto con el adaptador no es apto para soportar esta corriente, el calor generado puede ser peligroso para la integridad de la instalación.
Para la otra versión se puede utilizar una caja plástica común.
Los resistores usados son todos de 1 / 8W con un 5% o más de tolerancia, excepto R1 que debe ser de al menos 1 / 2W. Los valores entre paréntesis son para el caso del aparato funcionar en la red de 220V.
Los capacitores electrolíticos deben tener tensiones de trabajo de al menos 16V y el Buzzer, es del tipo piezoeléctrico convencional que incluso puede ser aprovechado de algunos tipos de alarmas y juguetes.
Para la versión de mayor potencia, utilice un tweeter piezoeléctrico para este propósito.
Para la versión con pilas sugerimos el uso de 4 pilas de nicad pequeñas (tipo AA).
Si el lector tiene una batería de teléfono celular dañada, puede estar con suerte, si al abrirla y hacer la prueba de cada celda (después de separarlas) encuentre todavía 4 en buen estado (cada conjunto tiene 6). Estas 4 buenas, se pueden utilizar para alimentar este aparato.
PRUEBA Y USO
Para probar, basta con conectar el aparato en cualquier toma de corriente y esperar a uno o dos minutos para que C2 se cargue.
Retirando el aparato de la toma, lo que significa un corte de energía, debe pitar por el tiempo esperado.
Si no le gusta la tonalidad del silbante, cambie C4 y si desea cambiar el ritmo de los bips, cambie C3.
Los resistores asociados a estos capacitores también se pueden cambiar, pero nunca los reduzca a menos de 10 k ohms.
¡Comprobado el funcionamiento es sólo proceder a su instalación en una toma que alimente también el aparato que debe ser monitoreado y listo!
Ver que conectando la alarma en una red que alimente diversos aparatos tenemos el monitoreo de todos.
(VERSIÓN 1)
Semiconductores:
CI-1 - 4093B - circuito integrado CMOS
D1, D2 - 1N4002 o equivalente - diodos de silicio
Resistores: (1/8 W, 5%)
R1 - 100k ohms x ½ W (220k ohms x ½ W)
R2 - 10 k ohms
R3 - 47 k ohms
R4 - 2,2 M ohms
R5 - 22 k ohms
Capacitores:
C1 - 10 uF / 16 V - electrolítico
C2 - 1 000 a 4 700 uF / 16 V - electrolítico
C3 - 470 nF - poliéster o cerámico
C4 - 47 nF - poliéster o cerámico
Varios:
X1 - Transductor piezoeléctrico (véase el texto)
Placa de circuito impreso, caja con enchufe (tipo eliminador de pilas), hilos, soldadura, etc.
(VERSIÓN 2)
Semiconductores:
CI-1 - 4093B - circuito integrado CMOS
Q1 - BD135 - transistores NPN de media potencia
D1, D2 - 1N4002 o equivalentes - diodos de silicio
Resistores: (1/8 W, 5%)
R1 - 22k ohms x 5 W (47k ohms x 5 W) - resistor de hilo
R2 - 220 kohms (470 k ohms)
R3 - 12 k ohms (22 k ohms)
R4 - 2,2 M ohms
R5 - 47 k ohms
R6 - 10 k ohms
Capacitores:
C1, C2 - 10 uF / 16 V - electrolítico
C3 - 470 nF - poliéster
C4 - 47 nF - poliéster o cerámico
Varios:
FTE - 4/8 ohms - tweeter piezoeléctrico
Placa de circuito impreso, caja para montaje, cable de alimentación, hilos, soldadura, etc.
Obs .: especificaciones entre paréntesis para las versiones alimentadas por la red de 220VCA.








