¿Cuántas veces en un proyecto es necesario generar una pequeña tensión negativa, como máximo de unos 2 V para la polarización de una etapa o de un simple componente? La idea práctica que describimos en este artículo puede ser la solución para el lector que está desarrollando un proyecto o que tiene un problema de este tipo.
La solución más común para generar tensiones negativas para polarización o incluso alimentación de una etapa de bajo consumo consiste en el uso de un circuito inversor con un oscilador, normalmente integrado.
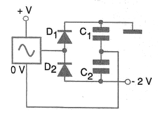
Lo que se hace es básicamente generar una tensión pulsante y aplicarla a un rectificador o multiplicador de tensión que proporcione la salida negativa, como muestra la figura 1.

Sin embargo, existen medios mucho más simples y prácticos de obtener una tensión negativa. En este artículo describimos dos de ellos.
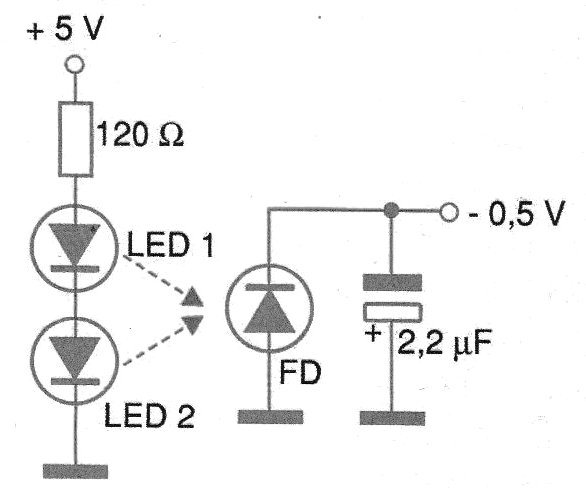
El primero consiste en acoplar dos diodos emisores rojos o infrarrojos a un foto-diodos de gran superficie, como muestra la figura 2.

Con una alimentación de 5 V y usando dos diodos en serie, se puede obtener una tensión negativa del orden de 0,5 V con corriente máxima de 2 mA.
Los dos LED emisores deben montarse junto al fotodiodo para una máxima transferencia de energía.
Otra posibilidad interesante se muestra en la figura 3 y tanto puede hacer uso de LEDs emisores de luz visible o infrarroja como incluso una pequeña lámpara incandescente.

Lo que se hace es colocar la fuente emisora ??de luz (LEDs o lámpara) junto a una fotocélula del tipo usado en calculadoras, capaz de generar tensiones de hasta más de 2 V.
Se puede entonces obtener una buena tensión negativa para la polarización o alimentación de etapas de un circuito.
Evidentemente, los LED o las lámparas más la foto-célula deben montarse en una envoltura cerrada para que la luz eventualmente no cause problemas al circuito, o la luz ambiente no interfiera en su funcionamiento.
Dos o más células pueden ser conectadas en serie si se necesitan tensiones negativas mayores.
La conexión en paralelo puede ser interesante para el caso de que necesite una corriente mayor que la que una sola célula puede suministrar.



