En la edición de cintas, operación de estaciones de radio experimentales, en pequeños estudios o incluso teatros, una mesa de sonido es indispensable. Es claro que existen mesas sofisticadas de porte para aplicaciones profesionales a la venta en las principales tiendas del género, sin embargo para un trabajo pequeño, un recurso de bajo costo consiste en un circuito que pueda ser montado con facilidad con componentes de fáciles y no críticos en la adquisición como los utilizados en este proyecto.
La pequeña mesa de sonido que describimos tiene tres entradas (que pueden ser fácilmente ampliadas) que mezclan las señales en un preamplificador de ganancia variable y con control de tono (graves y agudos separados).
La salida de buena intensidad permite la excitación de amplificadores con impedancias de 100 ohms a 100 k ohms, y sensibilidad a partir de 100 mV. La alimentación del circuito se realiza con batería, pilas o incluso fuente de alimentación y todos los componentes usados ??son bastante baratos y fáciles de encontrar.
Si el lector busca un mezclador de buena calidad para la edición de sus cintas pero no tiene capacidad para adquirir un profesional por qué no empezar con este aquí.
CARACTERÍSTICAS:
Tensión de alimentación: 9 a 12 V
Consumo de corriente: 10 mA (tip.)
Impedancia de entrada: 10 k ohms.
Impedancia de salida: 150 ohms
Ganancia: 1 a 50 V/V
Entradas: 3
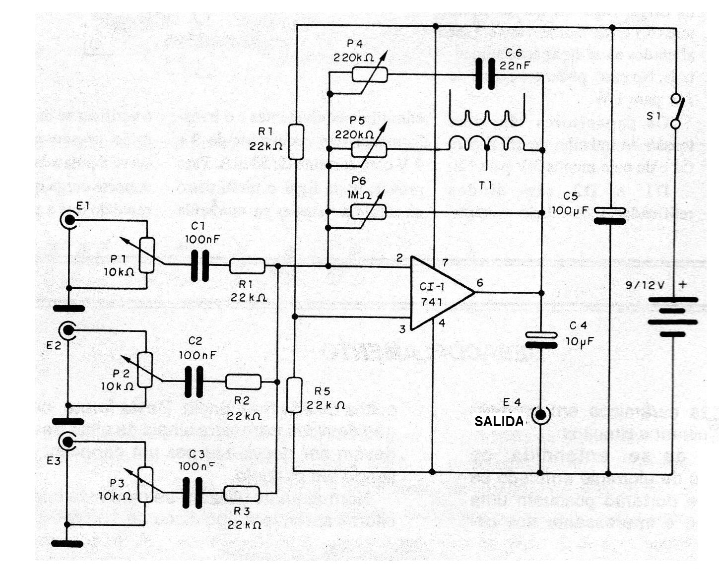
La base del circuito es un integrado 741 que consiste en un amplificador operacional. Este operacional, de los más populares es polarizado por R4 y R5 para funcionar sin necesidad de fuente simétrica.
La ganancia del circuito se determina mediante la retroalimentación entre la entrada inversora (-) y la salida. Esto se hace por tres circuitos diferentes.
El primero es resistivo puro, teniendo por elemento P6 que controla la ganancia total en el rango de operación del circuito.
El segundo tiene un inductor que no es más que el devanado primario de un transformador de salida. Este inductor hace que el circuito selectivo con fuerte realimentación controlada por P5 sólo en las frecuencias bajas.
De esta forma, este circuito funciona como un atenuador de graves.
El circuito formado por P4 y C6 determina una fuerte realimentación para los sonidos de frecuencias más altas, funcionando así como un atenuador de agudos.
La mezcla se realiza a través de los potenciómetros P1, P2 y P3 que determinan la participación de cada señal en la salida final. Los capacitores C1 C2 y C3 proporcionan el aislamiento DC del circuito mientras que R1, R2 y R3 impiden la interacción entre los controles.
El circuito básico de nuestro montaje se muestra en la figura 1.
Para un sistema estereofónico el lector tiene dos opciones: montar dos unidades iguales, una para cada canal y alimentarla por una única fuente de señal o bien trabajar con un integrado MC1458 que consiste en un doble 741 y hacer un nuevo lay-out para la salida plato.
Para nuestra configuración con el 741 la placa de circuito impreso se muestra en la figura 2.
Para una mejor apariencia y rendimiento sugerimos el uso de potenciómetros deslizantes que pueden quedar en el panel de la caja. La conexión de estos potenciómetros a la placa debe ser hecha con cables blindados cuya malla debe ser conectada al negativo de la fuente.
El uso de una caja metálica proporciona mejor blindaje evitando la captación de zumbidos, pero el negativo de la fuente debe ser conectado a esta caja.
T1 es el devanado primario de cualquier transformador de salida para transistores. El integrado debe montarse en un zócalo DIL de 8 patillas para facilitar el cambio en caso de necesidad y también evitar el calor desarrpotenciometrodo en el proceso de soldadura.
Los resistores son de 1/8 o 1/4 W con 5 a 20% de tolerancia mientras que los electrolíticos deben tener una tensión de trabajo de 12 V o más.
Los capacitores más pequeños (C1, C2, C3 y C6) tanto pueden ser cerámicos como de poliéster.
La fuente de alimentación puede ser una pequeña batería de 9 V o de 6 a 8 pilas pequeñas.
Para las entradas use jack del tipo RCA y para la salida utilice un enchufe con cable de acuerdo con la entrada del amplificador o aún otro jack, disponiendo entonces de cable preparado para conexiones.
El interruptor general S1 se puede incorporar al control de ganancia (P6). No sugerimos el uso de LED indicador de encendido pues este componente consumir más energía que el propio circuito, acelerando el agotamiento de las pilas, a menos que se utilice una fuente de alimentación.
Para el caso de fuente de alimentación debe tener al menos 30 mA de capacidad de corriente y excelente filtrado para que no ocurra ronquidos o inestabilidades.
Para probar el aparato, basta con conectar su salida a la entrada de cualquier amplificador.
Conecte en las entradas del mezclador fuentes de sonido como la salida de un receptor, una grabadora o un micrófono.
Ajuste P1, P2 y P3 para obtener el nivel de señal deseado en el amplificador sin distorsión. El volumen final se ajusta en el propio amplificador. Si no hay excitación suficiente actúe sobre P6 para aumentar la ganancia del circuito.
También actúe sobre P4 y P5 para obtener la respuesta de tono deseada.
Para modificar la atenuación de los agudos, basta con cambiar el valor de C6, que puede tener valores en el rango de 22 a 470 nF.
Ajustado el aparato para el funcionamiento deseado es sólo utilizarlo.
CI-1 - 741 - amplificador operacional (para funcionamiento estéreo - ver texto)
Potenciómetros:
P1, P2 y P3 - 10 k ohms - lineales
P4 y P5 - 220 k ohms - lineales
P6 - 1 M ohms - logarítmico
S1 - interruptor simple
B1 - 9 o 12 V - batería, pilas o fuente
E1 a E4 - jack RCA 'o
Capacitores:
C1, C2 y C3 - 100 nF - cerámicos o de poliéster
C4 - 10 pF x 12 V - electrolítico
C5 - 100 ¡LF x 12 V - electrolítico
Resistores: 1/8 o ¼ W
R1 a R5 - 22 K ohms
T1 - transformador de salida para transistores - ver texto
Varios: placa de circuito impreso, caja para el montaje, conector para batería o soporte de pilas, knobs para los potenciómetros, cables blindados, etc.





