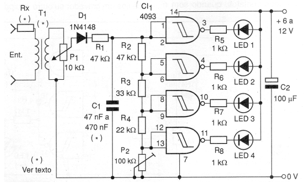
El circuito mostrado en la figura 1, acciona una barra de 4 LEDs con una señal de audio aplicada a su entrada.

Los resistores en serie con los LEDs determinan su brillo, pudiendo ser disminuidos si la tensión de alimentación es menor que 9 V.
El capacitor C1 determina la inercia del sistema, es decir, la velocidad con la que responde a las variaciones de la señal de audio de entrada.
El transformador sirve para aislar el circuito de audio del bargraph. Se puede utilizar cualquier pequeño transformador de alimentación que tenga un devanado primario para la red de energía (el cual será conectado al potenciómetro) y un secundario de 3 a 9 V con corriente en el rango de 50 mA a 250 mA.
El potenciómetro sirve para ajustar el punto de funcionamiento del indicador de barra móvil en función de la intensidad de la señal de entrada.
El trimpot de 100 k ohms sirve para ajustar la escala, de modo que todos los LEDs queden apagados en ausencia de señal. En realidad, este trimpot ajusta la extensión de la escala.
El circuito puede ser adaptado para operar con 2 4093 y así accionar hasta 8 LEDs en una escala. En este caso, la red de resistencias de entrada debe adaptarse.
Para mayor número de LEDs, sin embargo, la tensión de alimentación debe estar entre 9 y 12 V.
En la figura 2 damos una placa de circuito impreso para el montaje de ese circuito.

El primario del transformador se conecta a la salida del altavoz del equipo de sonido. Rx depende de la potencia del equipo de sonido, conforme a la siguiente tabla:
| Potencia | Rx |
| Hasta 5 W | 10 ohms x ½ W |
| 5 a 20 W | 22 ohms x ½ W |
| 20 a 50 W | 47 ohms x 1 W |
| 50 a 100 W | 100 ohms x 1 W |
| Más de 100 W | 220 ohms x 1 W |
4093 - Circuito integrado CMOS
LED1 a LED4 - LED rojos comunes
D1 - 1N4148 - diodo de uso general
R1, R2 - 47 k ohms x 1/8 W - resistores - amarillo, violeta, rojo
R3 - 33 k ohms x 1/8 W - resistor - naranja, naranja, rojo
R4 - 22 k ohms x 1/8 W - resistor - rojo, rojo, naranja
R5 a R8 - 1 k ohms x 1/8 W - resistores - marrón, negro, rojo
Rx - ver texto - resistor según la potencia del equipo de sonido
P1 - 10 k ohms - potenciómetro
P2 - 100 k ohms - trimpot
C1 - 47 nF a 470 nF - capacitor de cerámica o poliéster
C2 - 100 uF x 12 V - capacitor electrolítico
T1 - Transformador - ver texto
Varios:
Placa de circuito impreso, fuente de alimentación, caja para montaje, hilos, soldadura, etc.



