El simple circuito presentado se puede utilizar en aplicaciones industriales importantes, por ejemplo, en la monitorización del nivel de iluminación de una cámara de exposición de luz en una sala de secado de pinturas y en muchos otros casos. El sistema permite detectar variaciones de la intensidad de la luz que podrían ser causadas por la quema de una o más lámparas de un conjunto o incluso una variación de la tensión de alimentación.
Hay cientos de aplicaciones en las que un indicador de nivel de iluminación en cuatro puntos puede ser útil.
En la introducción, citamos algunas de ellas, pero ciertamente, muchas otras pueden ser encontradas.
Lo que proponemos en este artículo es un diseño simple, que puede incorporarse a cualquier panel de control, como de una máquina, de un invernadero o de una cámara de secado, que opere con niveles de iluminación determinados.
En el panel habrá cuatro LEDs, que indicarán el nivel de iluminación.
Fijando en tres LEDs encendidos el nivel normal, sabremos que el encendido de los cuatro significa que el límite ha sido superado, y que el encendido de dos de ellas, de apenas uno, o incluso de ninguno, significa la disminución del nivel de iluminación o el corte de energía.
El circuito puede ser alimentado con tensiones entre 6 y 12 V, lo que hace muy fácil hacer el dimensionamiento de una fuente de alimentación.
La sensibilidad está garantizada por el uso de un foto-transistor como sensor.
En la versión básica tenemos cuatro niveles de indicación, pero nada impide que, con el uso de dos integrados, podamos expandir la indicación a 8 niveles.
El componente básico del proyecto es un cuádruple comparador de tensión de la familia 139/239/339.
EL CIRCUITO
Esta es una configuración que ya exploramos en otras oportunidades en nuestros proyectos.
Al conectar a las entradas de cuatro comparadores de tensión, como referencia, un divisor escalonado, cada comparador tendrá su salida conmutada con una tensión ligeramente superior a la que conmuta el anterior.
En la figura 1 tenemos el modo de conectar la red de referencia con resistores.
Los valores en los que se produce la conmutación dependen de la resistencia total de la red, que puede ajustarse en el trimpot P2.
Este componente permite fijar los límites de actuación del indicador, junto con P1, que da sensibilidad al circuito.
La entrada de tensión del sensor se realiza en los cuatro comparadores al mismo tiempo.
Si la tensión de entrada es mayor que V1, pero menor que V2 (figura 1), sólo el primer comparador conmuta y el primer LED se enciende.
Si la tensión está entre V2 y V3, dos comparadores conmutan sus salidas y los dos primeros LED se encienden.
Si la tensión de entrada está entre V3 y V4, tendremos tres comparadores conmutando y, con ello, tres LEDs encendidos.
Ya, con una tensión mayor que V4, todos los comparadores conmutan y todos los LED se encienden.
La tensión de entrada viene de un divisor, en el que uno de los elementos es un foto-transistor.
El potenciómetro P1, en serie con este elemento, permite ajustar la sensibilidad del circuito.
MONTAJE
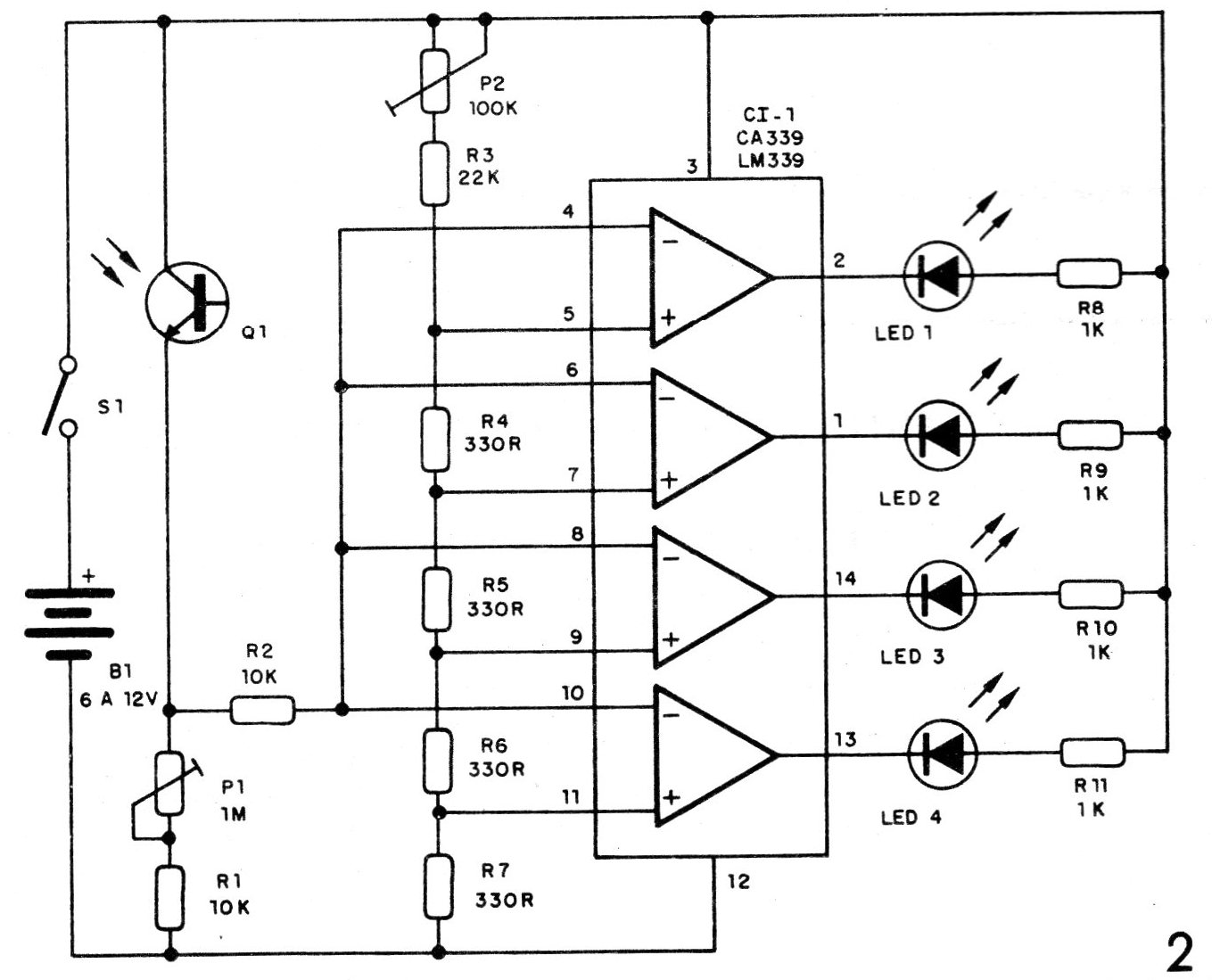
En la figura 2 tenemos el diagrama completo del monitor.
Figura 2 - Diagrama completo del aparato
En la figura 3, la placa de circuito impreso para la versión de cuatro LED.
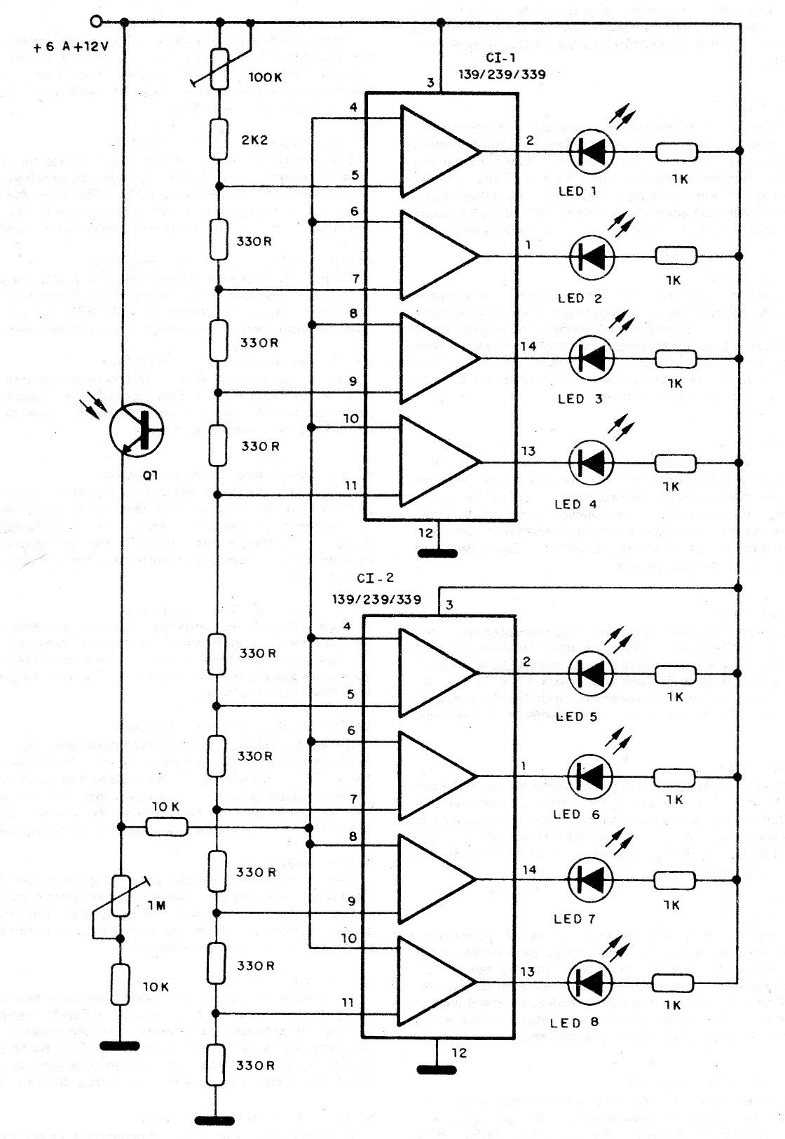
Una versión de ocho LED se puede hacer con la utilización de dos comparadores cuádruples, como se muestra en la figura 4.
En este circuito, los LED pueden ser todos del mismo color, o el tercero diferente, para distinguir el nivel normal de iluminación.
Los resistores son todos de 1/8 o ¼ W, con 5 o 10% de tolerancia. P1 y P2 pueden ser trimpots o potenciómetros.
Q1 es un foto-transistor común, que puede incluso alejarse del circuito.
Si la distancia no es larga y no hay peligro de inducción de ruidos en el cable, puede ser un hilo doble sin blindaje (in trenzado).
Si el cable es largo (por encima de 10 metros) y hay peligro de captación de ruidos, es conveniente utilizar cable blindado.
La alimentación de 6 o 12 V debe tener una corriente del orden de 200 mA y no necesita estabilizarse.
PRUEBA Y USO
Inicialmente, con P1 todo abierto, ilumine y sombree el foto-transistor, ajustando P2 para que tengamos en los dos extremos de iluminación ninguno y cuatro LEDs encendidos.
Después, ajuste P1 para que se tenga la sensibilidad dentro de la pista que se desea monitorear.
Una vez hechos los ajustes y comprobado el funcionamiento es sólo hacer la instalación definitiva del aparato.
El foto-transistor, eventualmente, debe ser montado en un tubo opaco, para recibir la iluminación sólo del lugar que se desea monitorear.
CI-1 - LM o CA 139/239 o 339 cuádruple comparador de tensión
Q1 - foto-transistor común
P1 - 1M y trimpot o potenciómetro
P2 - 100 k - trimpot
LED1 a LED4 - LEDs comunes
S1 - interruptor simple
B1 - 6 a 12 V - fuente de alimentación - ver texto
R1, R2 - 10 k - resistores (marrón, negro, naranja)
R3 - 22k - resistor (rojo, rojo, naranja)
R4 a R7 - 330 ohms - resistores (naranja, naranja, marrón)
R8 a R11 -1 k - resistores (marrón, negro, rojo)
Varios: placa de circuito impreso, hilos, soldadura, etc.







