Los circuitos híbridos simplifican enormemente el diseño de amplificadores de audio de alta potencia. Exigiendo un mínimo de componentes externos, estos amplificadores permiten la realización de proyectos muy compactos, además de también simplificar la parte térmica del proyecto. Sanyo posee una amplia gama de amplificadores híbridos, muchos de los cuales están disponibles en nuestro mercado, ya que se emplean en muchos equipos comerciales. En este artículo abordamos las características de los STK de la serie 075 a 086 con potencias de 20 a 80 watts.
La serie STK075 de Sanyo, que comienza con el STK075 y termina con el STK086, permite la realización de amplificadores de potencia monofónicos de alta calidad con potencias de 20 a 80 watts.
La utilización de un par de estos amplificadores, alimentados por una fuente única, permite la elaboración de sistemas estereofónicos con potencias en el rango de 40 a 160 watts.
Las tensiones de alimentación varían de 18 a 42 V, dependiendo de la versión y de la impedancia de carga
La envoltura de estos Circuitos híbridos permite su fijación directamente en los radiadores de calor, lo que facilita mucho el proyecto en lo que se refiere a la parte térmica.
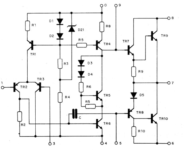
En la figura 1 tenemos el circuito equivalente de los elementos de esta serie.

Conforme podemos observar, se reúnen en este circuito 10 transistores que forman una etapa amplificadora completa con ganancia típica de 26,4dB (con retroalimentación).
Los transistores de salida TR9 y TR10 son de potencia, con acoplamiento térmico directo a la envoltura, lo que permite un excelente rendimiento en la transferencia de calor al disipador.
TR7 y TR8 forman la etapa de excitación y los demás transistores las etapas de pre-amplificación y regulación de polarización (estabilización).
Las características de los circuitos híbridos de esta serie son las siguientes:
STKO75
Vcc máxima: 28 V
Tc máximo: 85 ° C
Tensión de alimentación recomendada con carga de 8 ohms: 20V
Tensión de alimentación recomendada con carga de 4 ohms: 18 V
Potencia máxima con carga de 8 ohms: 15 W (THD: 0,3%)
Potencia máxima con carga de 4 ohms: 20 W (THD: 0,05 ° / o)
STK077
Vcc máxima: 32 V
Tc máximo: 85 ° C
Tensión de alimentación recomendada con carga de 8 ohms: 22 V
Tensión de alimentación recomendada con carga de 4 ohms: 20 V
Potencia máxima con carga de 8 ohms: 20 W (THD: 0,3 %)
Potencia máxima con carga de 4 ohms: 24 W (THD: 0,05%)
STK0 78
Vcc máxima:: 35 V
TC máxima: 85 °C
Tensión de alimentación recomendada con carga de 8 ohms: 25 V
Tensión de alimentación recomendada con carga de 4 ohms: 22.5 V
Potencia máxima con carga de 8 ohms: 20 W (THD: 0,2%)
Potencia máxima con carga de 4 ohms: 24 W (THD: 0,05%)
STK080
Vcc máxima: 39 V
Tc máximo: 85 °C
Tensión de alimentación recomendada con carga de 8 ohms 27 V
Tensión de alimentación recomendada con carga de 4 ohms: 24 V
Potencia máxima con carga de 8 ohms: 20 W (THD: 0,2%)
Potencia máxima con carga de 4 ohms: 24 W (THD: 0,05%)
STK082
Vcc máxima: 43 V
Tc máximo: 85 °C
Tensión de alimentación recomendada con carga de 8 ohms: 30 V
Tensión de alimentación recomendada con carga de 4 ohms: 26 V
Potencia máxima con carga de 8 ohms: 20 W (THD = 0,2%)
Potencia máxima con carga de 4 ohms: 24 W (THD: 0,05%)
STK084
Vcc máxima: 50 V
Tc máximo: 85 °C
Tensión de alimentación recomendada con una carga de 8 ohms: 35 V
Tensión de alimentación recomendada con carga de 4 ohms: 30 V
Potencia máxima con carga de 8 ohms: 20 W (THD = 0,2%)
Potencia máxima con carga de 4 ohms: 24 W (THD: 0,05%)
STK086
Vcc máxima: 55 V
Tc máximo: 85 °C
Tensión de alimentación recomendada con carga de 8 ohms: 42 V
Tensión de alimentación recomendada con carga de 4 ohms: 35 V
Potencia máxima con carga de 8 ohms 20 W (THD: 0,2%)
Potencia máxima con carga de 4 ohms 24 W (THD: 0,05%)
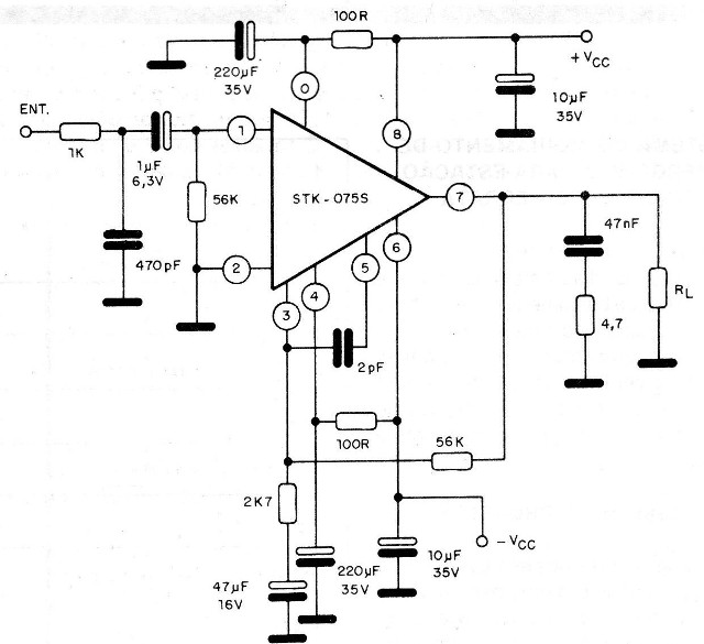
En la figura 2 tenemos el circuito para todos los elementos de esta familia.

Observe que la fuente de alimentación debe ser simétrica y las tensiones de operación de los electrolíticos se indican junto al diagrama.
El uso de una configuración complementaria de salida con fuente simétrica elimina la necesidad del gran electrolítico en el acoplamiento del altavoz.
Las corrientes de reposo de los elementos de esta serie son típicamente de 100 mA.
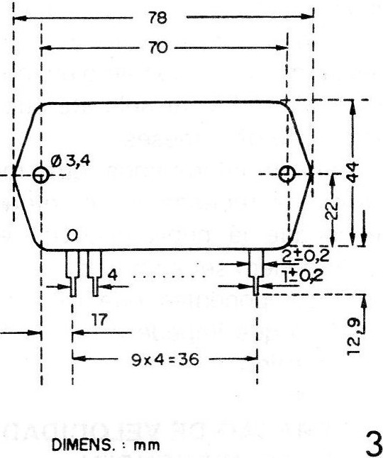
En la figura 3 tenemos las dimensiones del envoltorio con las separaciones entre pines, observándose que la numeración empieza desde cero.

Los agujeros de 3,4 mm permiten la fijación del circuito híbrido directamente en el radiador de calor, que debe tener superficie compatible con la potencia de cada versión.
Las fuentes de alimentación deben tener corrientes compatibles con las potencias requeridas por cada versión.
Estas corrientes se deben doblar en el caso de las versiones estereofónicas.
Para el filtrado deben utilizarse electrolíticos de al menos 4 700 uF, en el caso de fuentes de onda completa con dos diodos (transformadores con toma central) o 4 pilas (transformadores con secundario simple).
En el diseño se deben prever conexiones cortas para el paso de la señal de entrada y el desacoplamiento de la fuente debe ser hecho con el montaje del capacitor de 10 uF / 35 V conectado lo más cerca posible del pin 8 y de la misma forma el capacitor de 220 uF x 35 V es montado lo más cerca posible del pin 0.
Para la excitación del circuito se debe utilizar una fuente de señal apropiada.
El rango de respuesta de frecuencia de estos amplificadores va de 10 Hz a 100 kHz.



