Presentamos en este artículo un amplificador integrado especialmente diseñado para aplicaciones automotrices. En la configuración en puente, un solo integrado puede proporcionar a una carga de 4 ohms una potencia de 20 W y, en una aplicación convencional, podemos tener un eficiente amplificador de 10 W por canal en carga de 2 ohms.
El LM2005 es un doble amplificador integrado, diseñado especialmente para aplicaciones automotrices.
Con una alta corriente de operación, del orden de 3,5A, puede fácilmente proporcionar potencias de 20 W.
Los tres modos básicos de operación se analizan en este artículo, e incluyen la operación en puente, en la que podemos utilizar dos integrados para obtener un sistema estéreo de 20 W por canal, o un solo en que obtenemos 20 W, siendo 10 por canal.
Entre las principales características que el fabricante (National) destaca en este integrado tenemos:
= Gran rango de tensiones de alimentación (8 a 18V);
- Ganancia programada externamente
- Puede operar con o sin arranque;
- Baja distorsión;
- Bajo ruido;
- Alta capacidad de corrientes de pico;
- Protección contra alta tensión;
- Protección contra cortocircuitos AC y DC en la salida, en relación a la tierra
- Protección térmica;
- Protección para cargas inductivas;
- Protección contra apertura de puesta a tierra
- Inmunidad hasta 40 V de transitorios de la fuente de alimentación;
- Pinza compatible con la del TDA2005.
En la figura 1 tenemos la pinza de este integrado con la identificación de sus terminales.

Los límites absolutos son los siguientes:
- Tensión de alimentación máxima: 18 V
- Tensión máxima absoluta de alimentación interna: 28 V
- Tensión máxima de transitoria (50 ms): 40 V
- Corriente máxima de salida: 3,5 A;
- Disipación máxima de potencia: 30 W;
- Rango de temperaturas de funcionamiento: -40 °C a + 85 °C.
Las características eléctricas principales se dan en la tabla 1.
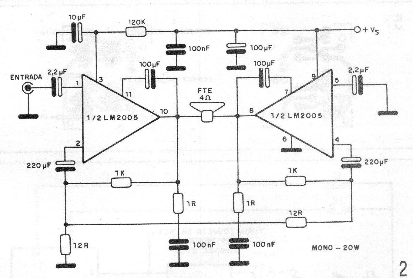
En la figura 2 tenemos el primer circuito práctico para el amplificador.
Se trata de una versión en puente que proporciona una potencia de salida de 20 W en cargas de 4 ohms.
Los electrolíticos deben tener una tensión de trabajo superior a la de la fuente de alimentación, y los resistores son todos de 1/8 o 1 / 4W con un 10% de tolerancia.
Los cables de entrada de señal deben ser blindados, y las pistas de la placa de circuito impreso que llevan la alimentación al integrado, de retorno de tierra y también de conexión del altavoz deben ser anchas, en vista de la corriente circulante.
Observe que en esta configuración los dos amplificadores del integrado se utilizan para amplificar la misma señal, pero con fases invertidas.
De esta forma, cuando en un instante el terminal 10 de salida está pasando por una excursión positiva, el correspondiente de salida de la otra mitad (terminal 8) estará presentando una excursión negativa.
El resultado es que la amplitud pico-a-pico de la señal de salida se multiplicará de tal forma que, para una cierta impedancia, podremos tener el cuádruple de la potencia obtenida por un canal aisladamente.
En otras palabras, si con 4 ohms obtenemos aproximadamente 5 W en un canal aisladamente con 4 ohms y en puente obtenemos 4 x 5 = 20 W.
Por separado, cada amplificador admite carga de 2 ohms, pero en puente, esta reducción, que podría llevar a una potencia teórica de 40 W, no es posible, dada la capacidad de disipación del integrado.
Así, obtenemos con 4 ohms la potencia máxima que es de 20W.
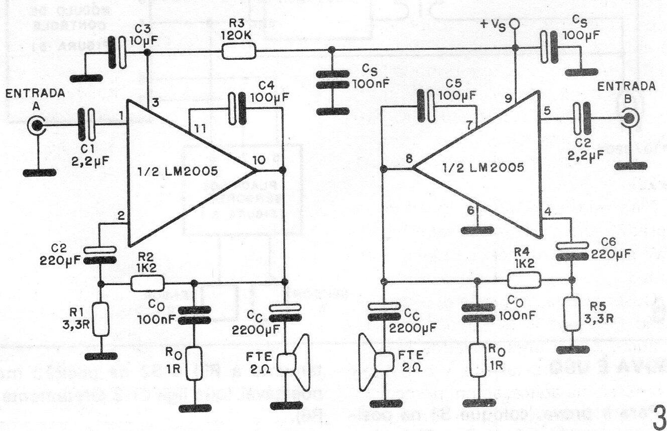
Para el uso aislado (dual) del integrado, en un sistema estereofónico de 10 W por canal, tenemos el circuito de la figura 3.
Observe que para este tipo de aplicación necesitamos capacitores electrolíticos de valores elevados en el acoplamiento del altavoz, lo que no es necesario en la aplicación en puente.
El fabricante (National) proporciona en su manual varias informaciones sobre las funciones de los componentes del circuito. Algunas de estas informaciones se reproducen en la tabla 2.
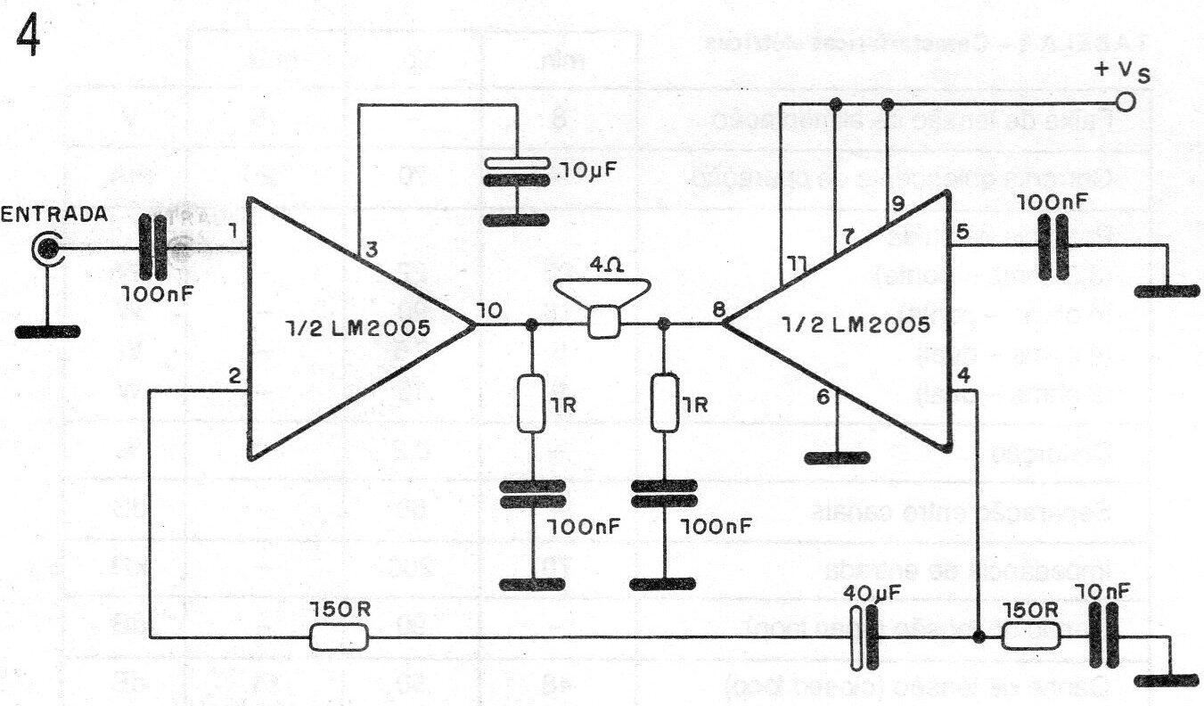
Finalmente, en la figura 4 tenemos una aplicación en la que se minimiza la cantidad de componentes externos, siendo ideal para los casos emmque si dispone de poco espacio.
Se obtiene la minimización con la eliminación de la red de arranque y C5 del circuito anterior.
Los elementos de retroalimentación (R1, R2 y C2) se eliminan también, lo que disminuye la ganancia del circuito, pero en las aplicaciones menos críticas el amplificador se muestra satisfactorio.
Referencias
National Semiconductor Corporation - 1984 - Linear Supplement Data-Book.








