Con este simple circuito es posible hacer que una pequeña lámpara fluorescente parpadee al ritmo del sonido de un amplificador, o del sonido ambiente usando un micrófono en la entrada. El circuito opera con lámparas de 3 a 15 W.
La finalidad de este circuito es utilizar un pequeño amplificador de audio para excitar un transformador con una señal de audio, elevando su tensión hasta el punto de poder excitar una pequeña lámpara fluorescente.
El circuito original utiliza un TBA810 que no es un circuito integrado muy común actualmente, pero puede ser cambiado para operar con otros amplificadores, como el TDA2002 que, además de más potente, puede ser encontrado con más facilidad.
Por supuesto, en este caso, el circuito y la placa de circuito impreso serán otros.
La fuente de alimentación, para los dos casos, debe suministrar una corriente de al menos 2 A.
Como funciona
Para generar la alta tensión capaz de excitar una lámpara fluorescente común de la señal de audio optamos por una solución poco común.
Usamos una bobina de encendido de coche o moto que tiene un devanado de baja impedancia y uno de alta, como muestra la figura 1.

De esta forma, aplicando una señal de audio de buena potencia en el devanado primario, obtenemos en el secundario una alta tensión con la misma forma de onda, capaz de excitar una lámpara fluorescente.
La potencia no será total de la lámpara, sino del pequeño amplificador usado en el caso.
El único ajuste que el circuito tiene es de la excitación, hecho en el potenciómetro de volumen de acuerdo con la intensidad de la señal de audio.
Montaje
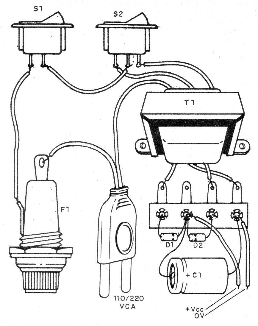
En la figura 2 tenemos la fuente de alimentación para el circuito.
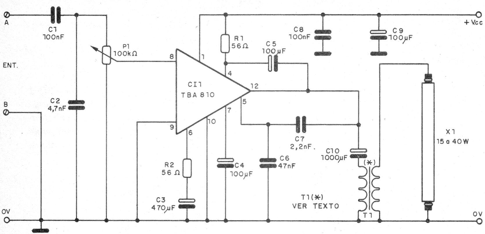
El circuito del sistema, sin la fuente se muestra en la figura 3.
El montaje se puede realizar en una placa de circuito impreso, como se muestra en la figura 4.
El circuito integrado deberá tener un disipador de calor, y en su montaje observe su posición.
Los resistores son de 1/8 W y los capacitores de acuerdo con lo especificado en la lista de materiales.
La señal de audio para la excitación se toma de la salida del amplificador con el que operará el sistema.
Puede conectar un micrófono para su funcionamiento inalámbrico.
En la figura 5 tenemos el montaje de la fuente en un puente de terminales.
Un flyback de televisor antiguo con el núcleo descubierto puede ser utilizado en lugar de la bobina de encendido, siendo conectado como muestra la figura 6.
La bobina que va al amplificador está formada por 10 a 15 espiras de hilo común.
En la figura 7 tenemos el modo de hacer la instalación del aparato.
Prueba y uso
Para probar, basta con conectar el circuito a la salida del amplificador y ajustar P1 para que la lámpara parpadee al ritmo de la música.
Para usar, cada vez que cambie el volumen del amplificador original, deberá volver a ajustar el control de entrada de este circuito.
C2 puede cambiarse para que el sistema responda más a los sonidos agudos o graves.
CI-1 TBA810 - circuito integrado
T1 - Bobina de encendido - ver texto
X1 - lámpara fluorescente
P1 - 100 k ohms - pote
R1, R2 - 56 ohms x 1/8 W - resistores - verde, azul, negro
C1 - 100 nF - cerámico o poliéster
C2 - 4,7 nF - cerámico o poliéster
C3 - 470 uF x 6 V - electrolítico
C4, C6, C9 - 100 uF x 25 V - electrolítico
C5 - 47 nF - cerámico o poliéster
C7 - 2,2 nF - cerámico o poliéster
C8 - 100 nF - cerámico
C10 - 1 000 uF x 25 V - electrolítico
Varios:
Placa de circuito impreso, caja para montaje, hilos, soldadura, etc.









