Este circuito puede ser utilizado como alarma de incendio o para detectar sobrecalentamiento en componentes y equipos. Cuando la temperatura del sensor sube, un relé cierra sus contactos. El circuito es alimentado por una tensión de 6 V de batería o fuente.
Las uniones de los diodos cuando polarizadas en sentido inverso presentan una corriente de fuga que depende de la temperatura.
Por este motivo, estos componentes se pueden utilizar como sensibles sensores de temperatura.
En nuestro circuito muy simple lo que hacemos es amplificar la corriente de fuga con tres transistores y controlar un relé.
Los transistores se conectan en la configuración de Darlington, como se muestra en la figura 1, para obtener una gran ganancia de corriente.
Todo muy simple, sin necesidad de ajustes.
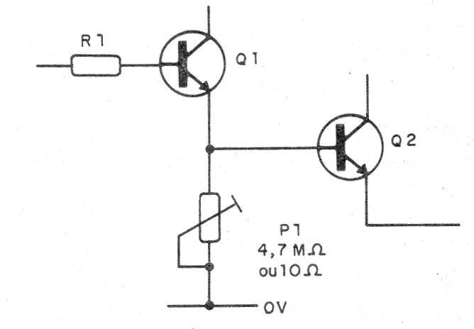
Si el lector desea, puede añadir un potenciómetro de 2M2 entre el diodo y el negativo de la alimentación para controlar la sensibilidad del circuito.
El modo de conectar este control se muestra en la figura 2.
Como el consumo es algo alto, si se utilizan las pilas deben ser medias, o bien se debe utilizar la fuente.
Otra posibilidad interesante para el proyecto es utilizar la unión base-emisor de un transistor de uso general como sensor, como muestra la figura 3.
La finalidad del resistor es serie es evitar que el circuito entre en corto, en caso de que el sensor sea invertido.
Montaje
En la figura 4 tenemos el diagrama completo del termoalarme.
El montaje, teniendo como referencia un relé con base DIL puede ser hecho en una pequeña placa de circuito impreso, como muestra la figura 5.
En la figura 6 tenemos el montaje en un puente de terminales.
En el montaje, observe las posiciones de los transistores y la polaridad del diodo.
Cualquier diodo de silicio de uso general puede ser utilizado como sensor.
La corriente de disparo del relé de 6 V debe ser como máximo de 100 mA.
Para probar, basta con conectar el circuito y acercar al diodo una plancha de soldar calentada, sin tapar, de modo que pueda transferir calor al sensor, como muestra la figura 7.

El relé, en poco tiempo debe disparar.
Para conectar una alarma externa, utilice el circuito de la figura 8.
Para una alarma de sobrecalentamiento, basta con montar el diodo en contacto con el componente monitoreado.
Cola epoxi se puede utilizar para este propósito.
Q1, Q2, Q3 - BC548 - transistores NPN de uso general
D1, D2 - 1N4148 - diodos de silicio de uso general
K1- Relé de 6 V
R1 - 10 k ohms x 1/8 W - resistor - marrón, negro, naranja
C1 - 220 uF x 12 V - capacitor electrolítico
S1 - Interruptor simple
B1 - 6 V - ver texto
Varios:
Placa de circuito impreso, caja para montaje, hilos, soldadura, etc.










