Este circuito detecta cuando una sombra pasa por el sensor, en el caso indicando el paso de una persona por un local. El circuito es muy sensible accionando un pequeño oscilador por un tiempo determinado. Se trata de un montaje ideal para demostrar el funcionamiento del 555 monoestable.
Describimos el montaje de una simple alarma de paso temporal basada en el circuito integrado 555.
Basta con colocar una fuente de luz en un lugar y el LDR en un tubo que apunta hacia ella, como muestra la figura 1.

Cuando el paso de alguna persona u objeto entre el sensor y la fuente de luz interrumpe el haz de luz, la alarma dispara, haciendo que un oscilador emita sonido por un tiempo.
El circuito es muy sensible siendo alimentado por pilas comunes.
La temporización llega a 10 minutos dependiendo del capacito C1.
La frecuencia del oscilador se determina por C1, que puede tener valores de 22 nF a 100 nF, sin problemas.
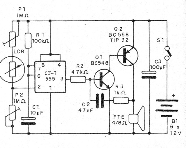
En la figura 2 tenemos el diagrama completo de la alarma.

Para el montaje, sugerimos una placa de circuito impreso con el patrón mostrado en la figura 3.

En el montaje, observe la posición del circuito integrado y de los transistores.
El altavoz puede tener de 2,5 cm a 10 cm y los capacitores son de los tipos indicados en la lista de materiales.
Los resistores son de 1/8 W y los potenciómetros de ajustes son comunes.
Para probar, ilumine el sensor y ajuste los trimpotes para que el circuito no se dispare.
Utilizando provisionalmente un capacitor para C1 menor es más fácil hacer este ajuste.
Interrumpiendo la luz que incide en el sensor, la alarma debe dispararse.
CI-1 - 555 - circuito integrado
Q1 - BC548 - transistores NPN de uso general
Q2 - BC558 - transistores PNP de uso general
LDR - LDR común
S1 - Interruptor simple
B1 - 6 V - pilas
P1, P2 - 1 M - trimpots o potenciômetros
R1 - 100 k ohms - resistor - marrón, negro, naranja
R2 - 47 k ohms - resistor - amarillo, violeta, naranja
R3 - 1 k ohms - resistor - marrón, negro, rojo
C1 - 10 uF - electrolítico
C2 - 47 nF -cerámico o poliéster
C3 - 100 uF - electrolítico
Varios:
Placa de circuito impreso, soporte de pilas, hilos, soldadura, etc.



