Los transistores de efecto de campo de potencia (Power FET) presentan características excepcionales para proyectos que tratan del control de corrientes elevadas. Sin embargo, las características diferentes de estos componentes dificultan su aprovechamiento por los diseñadores que, desconociendo, no saben cómo obtener el máximo que pueden proporcionar. En este artículo reunimos una buena cantidad de aplicaciones básicas que pueden servir de punto de partida para nuevos proyectos.
Los transistores de efecto de campo de potencia son componentes ideales para la conmutación y amplificación de señales de alta potencia con frecuencias de hasta algunos cientos de quilohertz.
Su uso en fuentes conmutadas, pasos de salida horizontal de televisores y monitores de vídeo, además de amplificadores de audio de altísima calidad, hace que estén disponibles en el mercado, pudiendo ser encontrados con cierta facilidad.
Sin embargo, estos componentes también se pueden utilizar en algunas aplicaciones poco comunes, y por lo que difícilmente se encuentran en los circuitos comerciales.
Para el lector que hace proyectos, conocer estas aplicaciones poco comunes (algunas muy simples) puede ser muy interesante, pues el bajo costo de tales componentes que pueden operar con corrientes muy altas, hace que reemplazan relés, transistores comunes, triacs y hasta SCRS muchos de ellos de costo mucho más alto.
Las características de los Power FET
Los Power-FET. Los MOSFET de potencia o FET de potencia pueden ser de canal N o P, como se muestra en la figura 1.

Los de canal N son los más comunes, siendo polarizados de acuerdo con la figura 2.

Cuando una tensión positiva (que no puede superar en 20 V la tensión de fuente (source) se aplica en la conducción, el transistor puede conducir una corriente muy intensa entre el drenaje y la fuente.
En la figura 3 tenemos la característica de transferencia de este componente que posee una región algo lineal, lo que posibilita su utilización como amplificador de señales (sin el problema del crossover de los transistores bipolares).

En la conducción, la resistencia entre el drenaje y la fuente puede caer a valores extremadamente bajos (menos de 1 ohmios), lo que significa una disipación de potencia muy pequeña y la posibilidad de controlar corrientes muy altas.
Son comunes los FET de potencia con corrientes de drenaje superiores a 10 A y tensiones máximas entre drenaje y fuente superior a 200 V.
La señal aplicada a la entrada, por otro lado, consiste prácticamente en tensión pura, pues como la impedancia de entrada es extremadamente elevada, no hay circulación de corriente.
Sin embargo, no todo es bueno en el transistor FET.
La región de conducción, para controlar un flujo elevado de corriente, tiene dimensiones razonables, lo que lleva a una capacitancia muy alta de entrada (capacitancia de Miller y parásitos), que puede llegar a más de 1 nF en algunos tipos.
Esto reduce la velocidad de operación del componente que no va más allá de algunos MHz, y también baja la impedancia de entrada cuando se excita con señales de frecuencias más altas.
Otro problema, es que esto hace que el componente algo "duro" para conmutar, requiriendo circuitos especiales para este propósito.
Como muestra la figura 4, debe tener un circuito suficientemente ágil para cargar rápidamente la capacitancia de comporta, de modo que el transistor conmute en el tiempo deseado.

APLICACIONES AISLADAS
Estas características de "dureza" en la conmutación hacen que, en la mayoría de las aplicaciones, los FET sean excitados por circuitos apropiados, y casi nunca usados solos como componentes básicos de un circuito.
Sin embargo, esto es posible, y es justamente lo que veremos en los bloques básicos para el proyecto datos a continuación.
Observamos que estos circuitos parten todos de FETs básicos de canal N como el IRF830, lRF640 u otros, siempre que la corriente de la carga sea compatible con sus características.
a) Timer
En la figura 5 tenemos un interesante circuito temporizador para una lámpara que puede ser usada como luz de cortesía para coche, por ejemplo.

Presionando S1, el condensador se carga llevando el transistor a la conducción por un tiempo que depende del valor de C1, y también de R1.
Evidentemente, otros tipos de carga pueden ser usados, tales como motores, solenoides, electroimanes, elementos de calefacción o refrigeración (efecto Peltier), etc.
Para los valores indicados, tenemos una temporización de hasta algunos minutos.
b) Dimmer de toque DC
El circuito de la figura 6 posibilita el control de brillo de lámparas de 6 a 12 V (para uso automotor), o aún velocidad de un pequeño motor por el toque en sensores;

Tocando en el sensor S1, el condensador se carga a través de una resistencia de 1 M ohms y, a la a medida que la tensión en sus armaduras se eleva, la tensión sobre la carga aumenta.
Cuando se deja de tocar el sensor, la tensión se mantiene en el condensador durante mucho tiempo (gracias a la elevada impedancia de entrada del FET), lo que garantiza que el brillo de la lámpara se estabilice.
Para disminuir el brillo, se toca en S2 cuando el capacitor se descarga a través de la resistencia al mismo tiempo que la corriente en la carga disminuye.
El capacitor usado debe ser de excelente calidad (poliéster) para mantener la carga por un buen tiempo (al menos unas decenas de minutos).
Observamos que, como la región lineal de control del FET es estrecha este circuito presenta algunas '' bandas muertas 'de actuación.
c) Dimmer común
Para controlar el brillo de una lámpara incandescente DC o incluso la velocidad de un motor con el uso de un potenciómetro, tenemos el circuito de la figura 7.

Los resistores de 47 k ohms y 100 k ohms se utilizan para compensar las bandas muertas, es decir, en que el transistor opera fuera de la región lineal de control de la corriente.
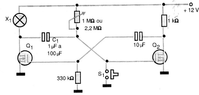
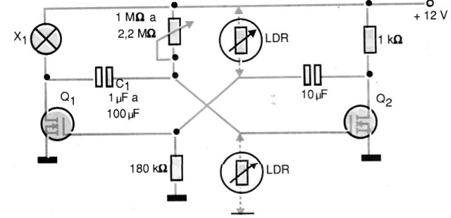
d) Flip-Flop R-S
Un interesante flip-flop de potencia se muestra en la figura 8.

En este circuito, al presionar uno de los interruptores, el transistor correspondiente va al corte, de modo que el otro pasa a conducir la corriente, encendiendo la lámpara correspondiente.
Si los interruptores son reemplazados por sensores tipo reed-switch el circuito puede ser empleado en automatismos, pues las lámparas pueden ser cambiadas por motores, solenoides u otros elementos.
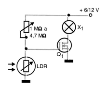
e) Luz automática
En el circuito figura 9, la lámpara se enciende cuando la intensidad de la luz que incide en el LDR disminuye.

El potenciómetro sirve de ajuste de sensibilidad.
Un capacitor de 1 uF a 10 pF puede conectarse en paralelo con el LDR para minimizar los efectos de los transitorios de disparo, es decir, el paso rápido de una sombra ante el sensor.
Las posiciones del LDR y del potenciómetro se pueden intercambiar para tener un accionamiento por luz.
En este caso, para mayor facilidad de ajuste, el potenciómetro debe reducirse a 47 K ohms o incluso 100 K ohms.
f) Amplificador de audio
Un simple paso amplificador de audio que tiene un rendimiento razonable se ve en la figura 10.

En este circuito, se debe ajustar el trimpot para la polarización del comportamiento del transistor en su región lineal.
Esto se logra con la simple sensibilidad del oyente que no notará distorsión de la señal, o aún con la conexión de un multímetro en la entrada para obtener una corriente de reposo que sea próxima a la mitad de la corriente máxima (120 mA aproximadamente, con alimentación de 12 V).
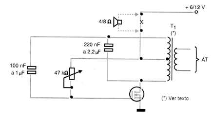
g) Oscilador Hartley
Aunque los FET de potencia son algo "duros" para operar con osciladores, eso no significa que sea imposible utilizarlos solos en este tipo de aplicación.
El circuito de la figura 11 es un oscilador Hartley que puede operar entre 100 y 2000 Hz con una salida de alta potencia.

En este circuito, la frecuencia es determinada básicamente por los capacitores y las características del transformador.
En un montaje experimental usamos un pequeño transformador de 6 + 6 V con corriente de 500, mA, pero el lector puede usar otros.
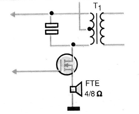
Para excitar un altavoz se puede conectar en serie con la alimentación, como se muestra en la figura 12.

El potenciómetro se utiliza tanto para encontrar la banda ideal de polarización de los transistores para oscilación, así como para variar la frecuencia dentro de una banda relativamente amplia.
h) Astable de potencia
Otra forma de generar señales usando FETs de potencia es sugerida en la figura 13.

Se trata de un multivibrador astável que excita dos lámparas para formar un parpadeante.
Las lámparas usadas en el prototipo fueron de 36 W, de faro de automóvil, con excelente desempeño.
La frecuencia depende de los condensadores y los valores indicados resultan en una frecuencia aproximada de 0,3 Hz.
Una de las lámparas puede ser sustituida por un resistor fijo de 47 ohmios x 5 W y los condensadores pueden ser de valores diferentes para cambiar el ciclo activo.
i) One Shot o monoestable
Un temporizador sin el problema del desvanecimiento de la luminosidad como ocurre en tipos que aprovechan la descarga de un condensador, como el proyecto (a), es lo que hace uso de un multivibrador monoestable.
En la figura 14 tenemos un circuito de este tipo que puede ser usado en diversos modos de temporizaciones de luz o incluso de accionamiento de dispositivos de control.

El tiempo de accionamiento depende del condensador C1 que puede tener valores hasta 100 pE y del ajuste del potenciómetro, que puede tener hasta 2,2 M ohms.
Con estos valores máximos podemos obtener temporizaciones que se aproximan a una hora.
El resistor de 1 k ohms puede ser sustituida por una lámpara de 12 V de menor potencia, que indicaría que la temporización está en curso.
j) Foto-Monoestables
El disparo del monoestable usando FET se puede hacer con sensores, como es el caso del circuito mostrado en la figura 15.

Un pulso de luz aplicado al sensor (conectado en cualquiera de las dos posiciones indicadas en la figura) conmuta el circuito, haciendo que la lámpara se encienda.
La temporización depende de C1 y también del ajuste del trimpot como en el circuito anterior.



