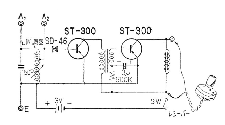
Esta pequeña radio AM de dos transistores se vendía en los años 60 en Japón. El circuito era alimentado por dos pilas y tenía escucha exclusiva en auriculares. La bobina tiene 20 + 80 espiras de hilo 28 a 32 en un bastón de ferrita.
En el circuito de la figura utilizamos dos de las puertas del 4093 como un biestable y las otras...
Este circuito simple se puede utilizar para reforzar la señal de fuentes que no son capaces de...
El circuito presentado fue encontrado en un Linear Applications Handbook de National Semiconductor de 1994....