Describimos en este artículo un aparato que es el "inverso" de un mixer, permitiendo la separación de señales de una fuente para excitar diversos amplificadores. Se trata de un equipo de gran utilidad en conjuntos musicales o bien en sistemas de sonorización ambiental, cuando se usan diversos amplificadores en paralelo para conseguir mayor potencia. El aparato es muy simple y de gran sensibilidad.
Un multiacoplador puede ser descripto como un circuito que es “inverso" de un mixer. En el mixer aplicamos diversas señales en la entrada y obtenemos la mezcla de las mismas en una única salida.
En el multiacoplador tenemos una señal de entrada que es separada em diversas salidas para excitar amplificadores independientes.
Es importante observar que no es muy ventajoso tener un único amplificador de potencia ultraelevada, si quisiéramos tener una gran potencia sonora, es mucho más cómodo (y a veces más barato) tener un conjunto de amplificadores de menor potencia asociados en paralelo, como muestra la figura 1.

Además de la comodidad, es preciso también resaltar el factor de seguridad, ya que si uno de los amplificadores tuviera problemas, los otros seguirán funcionando y lodo lo que ocurrirá será una pequeña reducción de potencia. En el caso de un único amplificador, si el mismo tuviera problemas el sistema dejará de funcionar por completo.
Observando la figura 1, notaremos que el multiacoplador es intercalado entre la fuente de serial (que puede ser la salida de un instrumento o de un mixer, que mezcla las señales de todos los instrumentos) y los amplificadores. En nuestra versión tenemos tres salidas, pero nada impide que este número se aumente hasta 10 ó más, sin problemas de perdidas. El circuito usa transistores de efecto de campo y tiene un consumo de corriente muy bajo, lo que permite la utilización de batería en su alimentación. Está claro que, en un sistema más elaborado, podemos hasta tomar la alimentación de uno de los amplificadores que el mismo debe excitar.
La sensibilidad de entrada es del orden de 100 mV, y se obtiene una señal de más de 1 Vpp para la salida, lo que excita muy bien la mayoría de los amplificadores comunes.
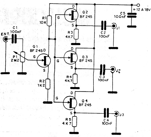
El circuito
La señal de entrada pasa por un transistor de efecto de campo, montado en la configuración de fuente común (equivalente a emisor común). En esta configuración obtenemos una buena ganancia de tensión y una elevadísima impedancia de entrada. En el caso, esta impedancia es dada básicamente por el ajuste de sensibilidad de P1.
La señal retirada del drenaje del transistor es llevada a los difusores, que son otros transistores de efecto de campo, conectados en la configuración de drenaje común. En esta configuración obtenemos también una elevadísima impedancia de entrada, que no carga al excitador Q1, y una impedancia moderada de salida, del orden de 4k7.
La señal tiene excelente intensidad en la salida, pudiendo fácilmente excitar los amplificadores.
C5 desacopla el circuito de la fuente de alimentación, que puede tener tensiones entre 12 y 18 V. La corriente consumida será de apenas algunos miliampères.
Montaje
En la figura 2 damos el diagrama completo del aparato.

En la figura 3 tenemos nuestra sugerencia de placa de circuito impreso, bastante compacta, la cual puede ser fácilmente instalada en una cajita plástica. La fuente, en este caso, puede ser dos baterías de 9 V en serie.

Como se trata de un montaje que opera con señales de audio de baja intensidad, deben tomarse precauciones para evitar la captación de zumbidos.
Eso significa la utilización de cables blindados para las entradas y salidas, con todas sus mallas conectadas a un punto común y al negativo de la alimentación.
Los transistores son del tipo BF245, fácilmente encontrados en nuestro mercado, pero se pueden experimentar también equivalentes como el MPF102.
Los resistores son de 1/8 ó'1/4 W con 5 ó 10% de tolerancia y los capacitores pueden ser cerámicos o de poliéster. Sus valores no son críticos, pudiendo usarse tipos de 120 nF ó incluso 150 nF, en caso que tenga dificultad para hallar los valores originales;
Los conectores de entrada y salida deberán ser elegidos en función de los equipos que deben ser interconectados. Sugerimos la utilización de conectores del tipo RCA, con disponibilidad de cables conteniendo conectores equivalentes de un lado y enchufes de acuerdo con los equipos asociados del otro.
Prueba y uso
Para probar su aparato, basta conectar una de las salidas a la entrada de un amplificador, que debe estar a medio volumen. Aplicando una serial en la entrada del multiacoplador y abriendo P1, debe aparecer su reproducción en el amplificador sin distorsión.
Experimente del mismo modo las otras salidas Para usar, ajuste la sensibilidad de modo de obtener excitación total de los amplificadores, pero sin distorsión de las señales. Haga el mismo ajuste en el volumen de cada amplificador. Si hubiera algún tipo de ronquido, verifique los blindajes de los cables de entrada y salida de las señales.




