Este circuito hace que una potente lámpara de xenón produzca flashes intensos de corta duración para señalización, en bailes o en vitrinas. El circuito utiliza componentes comunes.
Los flashes potentes de las lámparas de xenón pueden ser aprovechados con diversas finalidades, siendo la principal la señalización y la decoración.
Describimos en este artículo el montaje de un pulsador luminoso de alta potencia que utiliza este tipo de lámpara.
El circuito se da en dos versiones, siendo una para funcionamiento en la red de 110 V y la otra para la red de 220 V.
Lo que tenemos en la configuración utilizada es un doblador de tensión que carga un capacitor electrolítico con una tensión del orden de 600 V que es el doble del pico de 220 V.
La energía almacenada en este capacitor es que producirá el pulso luminoso en la lámpara de xenón.
Para producir pulsos de intervalos, la alta tensión almacenada se aplica a un oscilador de relajación con una lámpara de neón.
La frecuencia de este oscilador y, por lo tanto, la intensidad e intervalos entre los flashes se ajustan en P1.
Cuando la lámpara de neón se dispara, también dispara el SCR que entonces produce un pulso de alta tensión para ignición de la lámpara de xenón.
Con ello, la lámpara de xenón conduce y el capacitor de alta tensión se descarga a través de ella produciendo el fuerte pulso luminoso.
En la figura 1 tenemos las posibles formas de montaje para el aparato.

Montaje
Antes de pasar el montaje es interesante hablar del capacitor de alta tensión que será usado en el circuito.
Este capacitor puede ser aprovechado de un flash de cámara fotográfica fuera de uso, o de algún otro equipo, pero antes debemos probarlo.
Para ello, usamos el multímetro, como muestra la figura 2.

Al tocar con las puntas de prueba la aguja del instrumento se mueve hacia las regiones de baja resistencia y luego vuelve a las altas (se debe utilizar un multímetro analógico).
Si permanece en las bajas, el capacitor no debe utilizarse.
De la misma forma, deben ser probados C1 y C2, principalmente si se aprovechan de algún aparato fuera de uso.
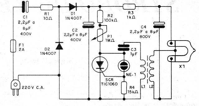
En la figura 3 tenemos entonces el circuito de la versión para la red de 220 V.

La placa de circuito impreso para este montaje se muestra en la figura 4.

En el montaje, tenga cuidado con la polaridad de los diodos y de los capacitores de alta tensión.
El transformador de disparo, formado por L1 y L2 se enrolla en un pequeño bastón de ferrita.
L1 consta de 10 a 15 espiras de alambre esmaltado 26 a 30 AWG mientras que L2 está formada por 200 a 500 vueltas de alambre fino 32 o 30 AWG, sobre L1.
Los resistores son de 1/8 W con cualquier tolerancia, excepto R1 que es de ½ W o 1 W y R3 que es de hilo de 2 a 5 W.
La versión para la red de 110 V se muestra en la figura 5.

La placa de circuito impreso para esta versión se muestra en la figura 6.

La única diferencia con la versión anterior es la presencia de un auto-transformador elaborado con un pequeño transformador de alimentación común con secundario de 5 a 12 V y corriente entre 500 mA y 800 mA, del que conectamos sólo el primario de dos tensiones forma indicada.
En los dos proyectos el SCR puede ser sufijo B o D y el capacitor de poliéster de 100 V o más.
Para los dos proyectos la lámpara de xenón puede ser de cualquier tipo pequeño hasta 100 mJ.
Para probar y usar, basta con conectar el aparato y ajustar en P1 la frecuencia de los intermitentes.
a) Versión de 220 V
SCR - TIPC106 B o D - SCR
D1, D2 - 1N4007 - diodos de silicio
NE-1 - lámpara de neón común
F1 - 2 A - fusible
X1 - lámpara de xenón - ver texto
L1, L2 - Transformador de pulso - ver texto
P1 - 1 M ohms - pote
C1, C2, C4 - 2,2 uF a 22 uF x 400 V - capacitores electrolíticos
C3 - 1 uF - capacitor de poliéster
R1 - 10 ohms - resistor - marrón, negro, negro
R2 - 100 k ohms - resistor - marrón, negro, amarillo
R3 - 1 k ohms - 2 a 5 W - resistor de hilo
R4 - 15 k ohms - resistor - marrón, verde, naranja
Varios:
Placa de circuito impreso, soporte de fusible, ferrita, cable de alimentación, hilos, soldadura, etc.
b) Versión de 220 V
El mismo de la versión anterior más:
T1 - Transformador con un rango de 110 V y 220 V y secundario de cualquier tensión entre 5 y 12 V con 500 mA a 800 mA



